QQ登录

只需一步,快速开始

登录 | 注册 | 找回密码

三维网

 找回密码
 注册

QQ登录

只需一步,快速开始

展开

通知     

全站
9天前
查看: 1806|回复: 2
收起左侧

[已解决] 我的工程图注解为什么乱码?

[复制链接]
发表于 2007-1-4 21:30:00 | 显示全部楼层 |阅读模式 来自: 中国江苏苏州

马上注册,结识高手,享用更多资源,轻松玩转三维网社区。

您需要 登录 才可以下载或查看,没有帐号?注册

x
钣金工程图自动加载注释时,为什么注释乱码啊?我在系统设置中更改了字体还是会乱码啊!我用的软件是SW2007 SP0.0

1

1

Cover.rar

786.11 KB, 下载次数: 7

原文件

Cover1.rar

69.87 KB, 下载次数: 7

原文件

发表于 2007-1-5 00:30:48 | 显示全部楼层 来自: 中国北京
langziyoujia 兄;我刚才打开看了你画的这个板金件,工程图确实是乱码,但我用你的模型视图在我的工程图中打开就没有乱码!我这里有个解决乱码的注册表你拿去试试!
; R2 [  s) M$ i
% s; n4 ]* F0 t5 J[ 本帖最后由 阿郎 于 2007-1-5 00:31 编辑 ]
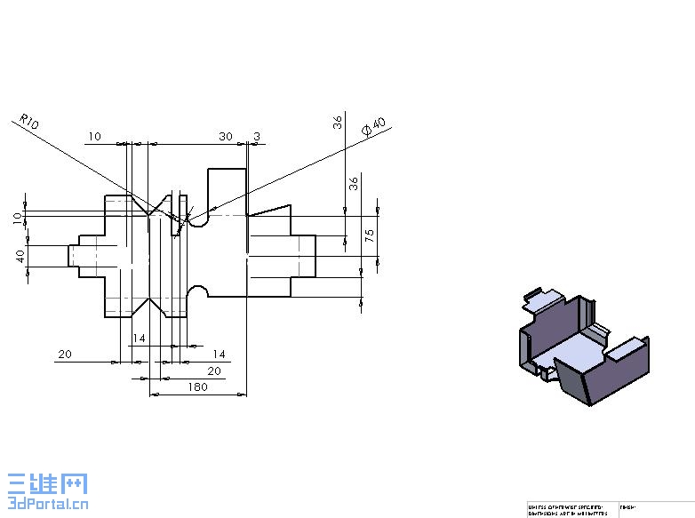
cover.jpg

sw乱码.rar

303 Bytes, 下载次数: 11

 楼主| 发表于 2007-1-7 22:08:55 | 显示全部楼层 来自: 中国江苏苏州
阿郎,我下了你的附件,还是不能解决注释乱码的问题.我重装了也不行,是不是我的系统有问题啊?该怎么修复呢?
发表回复
您需要登录后才可以回帖 登录 | 注册

本版积分规则


Licensed Copyright © 2016-2020 http://www.3dportal.cn/ All Rights Reserved 京 ICP备13008828号

小黑屋|手机版|Archiver|三维网 ( 京ICP备2023026364号-1 )

快速回复 返回顶部 返回列表