QQ登录

只需一步,快速开始

登录 | 注册 | 找回密码

三维网

 找回密码
 注册

QQ登录

只需一步,快速开始

展开

通知     

全站
8天前
查看: 2288|回复: 2
收起左侧

[求助] 三级行星系齿轮减速器传动比分配??

[复制链接]
发表于 2006-12-5 11:23:59 | 显示全部楼层 |阅读模式 来自: 中国广东深圳

马上注册,结识高手,享用更多资源,轻松玩转三维网社区。

您需要 登录 才可以下载或查看,没有帐号?注册

x
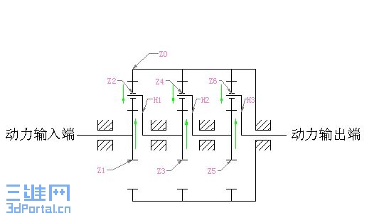
已知条件:
7 G+ g0 F$ S% f输入扭矩为M=3.56mNm。
1 `/ T/ f9 G* P输出扭矩为M=0.672Nm。
$ s- B: S6 D3 x  e5 ?输入功率P=1.88W。
2 y$ B+ x9 W2 {7 c6 J输出功率P=2.6376W。
; D" @9 Z0 P; J3 O" _" A输入转速na=4859r/min。3 m5 m5 C0 h( F. j
输出转速nb=30rpm。
2 i9 h) n( G  [  @; j, c设计结构简图如图所示。% A5 L# L% H% d
请教:怎么分配三级的传动比??
) g; R$ `" S) m
材料为塑料的!
11.JPG
 楼主| 发表于 2006-12-5 11:25:16 | 显示全部楼层 来自: 中国广东深圳
注意一下单位:
4 k) \( T! O" E4 M8 H+ `+ I输入扭矩为M=3.56mNm。
% d1 Q5 Q3 m+ a! ~输出扭矩为M=0.672Nm=672mNm。
发表于 2006-12-5 14:08:44 | 显示全部楼层 来自: 中国浙江宁波
机械设计手册(第3卷)上有的,不过材料是钢或铸铁,可以参考看看!
发表回复
您需要登录后才可以回帖 登录 | 注册

本版积分规则


Licensed Copyright © 2016-2020 http://www.3dportal.cn/ All Rights Reserved 京 ICP备13008828号

小黑屋|手机版|Archiver|三维网 ( 京ICP备2023026364号-1 )

快速回复 返回顶部 返回列表