QQ登录

只需一步,快速开始

登录 | 注册 | 找回密码

三维网

 找回密码
 注册

QQ登录

只需一步,快速开始

展开

通知     

全站
7天前
查看: 3943|回复: 21
收起左侧

[讨论结束] 空心轴加工

 关闭 [复制链接]
发表于 2006-11-17 09:41:45 | 显示全部楼层 |阅读模式 来自: 中国江苏常州

马上注册,结识高手,享用更多资源,轻松玩转三维网社区。

您需要 登录 才可以下载或查看,没有帐号?注册

x
空心轴加工根据轴的要求可以采用锥堵,锥堵心轴,液性心轴等方法,各位大家能否谈谈这方面的心得?
. j  x$ i! k+ l  ~) O- C
" @' M" ^4 v7 o9 j9 V/ a/ `- _$ J) s. d6 ]9 z6 q7 K: B: a+ D- E
[ 本帖最后由 jijun12345678 于 2006-11-17 09:52 编辑 ]
 楼主| 发表于 2006-11-17 09:53:11 | 显示全部楼层 来自: 中国江苏常州
原帖由 jijun12345678 于 2006-11-17 09:41 发表
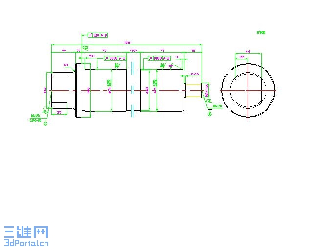
' ]0 Y) x* O9 y+ R抛砖引玉了。螺纹端加压板和螺母压紧工件。
. ^* N! U! k+ r) K. i' A5 g  
1 q0 D; W5 O: ^( F5 F# D1 Z
+ L! ?1 R. A& F) A: f

% G% U( \5 i" ?* J[ 本帖最后由 jijun12345678 于 2006-11-17 10:10 编辑 ]
未命名.JPG

评分

参与人数 1三维币 +3 收起 理由
sxw68 + 3 好论题,奖励。

查看全部评分

头像被屏蔽
发表于 2006-11-17 16:00:48 | 显示全部楼层 来自: 中国山东滨州
提示: 作者被禁止或删除 内容自动屏蔽
发表于 2006-11-17 20:49:09 | 显示全部楼层 来自: LAN
也可以用中心架加工。机床厂有时用此法
发表于 2006-11-18 18:30:26 | 显示全部楼层 来自: 中国辽宁沈阳
用胀开心轴比较省力一点~!
发表于 2006-11-18 19:55:06 | 显示全部楼层 来自: 中国江苏无锡
涨胎加工空心轴比较好,我们做过一批澳大利亚电机长1200直径用的是涨胎效果比较不错

评分

参与人数 1三维币 +3 收起 理由
sxw68 + 3 应助

查看全部评分

发表于 2006-11-20 14:34:32 | 显示全部楼层 来自: 中国江苏常州
这样的零件我们厂加工多了,都是通过车床解决的,因为一般空口要求高点,里面的孔要求并不高,公差一般在0到+1,所以通过车加工完全可以解决。

评分

参与人数 1三维币 +3 收起 理由
sxw68 + 3 应助

查看全部评分

 楼主| 发表于 2006-11-21 13:09:25 | 显示全部楼层 来自: 中国江苏常州
我们厂采用数控车加工完内孔后,用上面的心轴(渗碳淬火),再上磨床磨外圆

评分

参与人数 1三维币 +3 收起 理由
sxw68 + 3 应助

查看全部评分

发表于 2006-11-21 15:23:12 | 显示全部楼层 来自: 中国四川内江
偶觉得空心轴的加工要分类,比如:如果是薄壁件,他的加工工艺就会在直径的椭圆度上下功夫;
/ N0 W# h5 f4 S0 m7 @如果是细长轴,就会在大小头上下功夫;应该分门别类!

评分

参与人数 1三维币 +3 收起 理由
sxw68 + 3 应助

查看全部评分

发表于 2006-11-21 19:37:38 | 显示全部楼层 来自: 中国辽宁大连
得具体问题具体分析,上面各位高手的方法都使用于特定的环境,要求变了,方法自然就变了
发表于 2006-11-23 14:00:26 | 显示全部楼层 来自: 中国山东烟台
用涨胎,将空心轴放入涨胎后,涨胎在尾座的顶紧下外涨,比较实用.

评分

参与人数 1三维币 +3 收起 理由
sxw68 + 3 技术讨论

查看全部评分

 楼主| 发表于 2006-11-28 09:02:52 | 显示全部楼层 来自: 中国江苏常州
楼上的朋友,能不能贴个图上来
发表于 2006-12-1 17:15:18 | 显示全部楼层 来自: 中国江苏常州
除了上心轴,为了节省成本还可以采用镶闷盖的方法。不过,记得热处理时要把闷盖卸掉。
发表于 2006-12-9 11:14:27 | 显示全部楼层 来自: 中国山东淄博
应该这样,, B( n2 S/ K/ N4 I, A
1.先以外圆定位,车内止口;8 m4 {1 ~8 c( ]) r* m
2.再一内止口定位车外圆," r4 M" h$ ~* {2 S; ^
3.完成其他加工!

评分

参与人数 1三维币 +5 收起 理由
sxw68 + 5 应助

查看全部评分

发表于 2006-12-26 08:14:23 | 显示全部楼层 来自: 中国山东烟台

回复 #11 PANXIAONAN 的帖子

请问楼上的师傅涨胎是什么
发表于 2006-12-26 09:01:19 | 显示全部楼层 来自: 中国河南焦作

回复 #1 jijun12345678 的帖子

如果是空心工件加工外圆,它的加紧方式.主要考虑下面几个因素., l! q1 a* C6 o- @$ x3 x) l
1.内孔与 外圆同轴度要求高时,用液性塑料定心夹具.工件变形很小,适应精加工,加工余量少./ ^/ x8 N' h6 }4 u) f
2.锥体定心夹具加紧力大,对薄壁工件有较大变形.多数用于半精加工,也可用于粗加工.同轴度精度最高可达到0.05.
' R9 l  k" a* g: c- x3.锥堵夹具适应荒孔定心加紧做粗加工用.
- h6 F5 a$ ^9 R$ B, V根据工件的具体结构与精度要求,灵活应用就会取得理想效果.

评分

参与人数 1三维币 +6 收起 理由
sxw68 + 6 应助

查看全部评分

发表于 2006-12-26 09:03:43 | 显示全部楼层 来自: 中国河南焦作
原帖由 wqrr 于 2006-12-26 08:14 发表. t2 c/ D( {. W5 g
请问楼上的师傅涨胎是什么
6 a7 b9 c+ v0 T% r6 L# C6 j- L
是指具有涨开定心加紧的夹具.

评分

参与人数 1三维币 +3 收起 理由
sxw68 + 3 应助

查看全部评分

发表于 2006-12-28 08:16:28 | 显示全部楼层 来自: 中国山东烟台

回复 #17 中原大河 的帖子

师傅又没有图纸哪有买的
发表于 2006-12-28 16:45:13 | 显示全部楼层 来自: 中国河南焦作
原帖由 wqrr 于 2006-12-28 08:16 发表
. ^5 d" Y. F2 |3 t* Q, B师傅又没有图纸哪有买的

" c5 c: n- o% b* A9 |许多教材上面有他的原理与设计方法,很少有现成的图纸,这是因为每个零件的夹具是不同的,即便有图纸也只能做参考.您可以根据您的零件自己设计,如有困难再与我联系.
 楼主| 发表于 2006-12-29 13:14:03 | 显示全部楼层 来自: 中国江苏常州
回复 #16 中原大河 的帖子. j( w- l" x' o' X/ W0 d
在一些厂家,我都没有看到液性塑料定心夹具,我认为,只有批量大,会用的较多, S0 L: {& l+ M+ Q9 B
而锥堵和锥堵心轴使用的注意点:中途不得更换或拆卸,直到精加工完各处加工面,不再使用中心孔时方能拆卸。& L% k( u8 u- K+ O
锥度心轴使用时,则需缩小孔的加工公差,当然在数控机床流行的今天,则完全可以得到控制,用锥度心轴也不失为一种好办法,主要还是方便。

评分

参与人数 1三维币 +3 收起 理由
sxw68 + 3 技术讨论

查看全部评分

发表于 2006-12-30 17:59:09 | 显示全部楼层 来自: 中国河南焦作
液性塑料弹性夹具是一种高精度,快速夹具,更适应薄壁工件的加工.他可以有效的降低变形.
发表于 2007-1-8 12:59:16 | 显示全部楼层 来自: 中国河南洛阳
空心工件加工外圆,加紧方式
发表回复
您需要登录后才可以回帖 登录 | 注册

本版积分规则


Licensed Copyright © 2016-2020 http://www.3dportal.cn/ All Rights Reserved 京 ICP备13008828号

小黑屋|手机版|Archiver|三维网 ( 京ICP备2023026364号-1 )

快速回复 返回顶部 返回列表