QQ登录

只需一步,快速开始

登录 | 注册 | 找回密码

三维网

 找回密码
 注册

QQ登录

只需一步,快速开始

展开

通知     

全站
8天前
查看: 3055|回复: 18
收起左侧

[讨论结束] 一件值得讨论的零件的加工

[复制链接]
发表于 2006-11-12 17:59:17 | 显示全部楼层 |阅读模式 来自: 中国江苏南通

马上注册,结识高手,享用更多资源,轻松玩转三维网社区。

您需要 登录 才可以下载或查看,没有帐号?注册

x
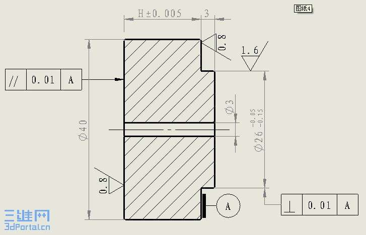
此件材料为CrWMn,成品硬度为HRC56-592 h, i+ D* q4 n0 P
要求20件同样的零件,H值等高( H/ W  I4 K" P; ?+ b
不知如何加工保证H值等高,且保证平行度要求

零件图形

零件图形
发表于 2006-11-12 19:29:21 | 显示全部楼层 来自: 中国安徽淮北
我认为只有用数控中心才能加工到这么精确.
发表于 2006-11-12 20:43:53 | 显示全部楼层 来自: 中国吉林长春
楼主自己的看法呢?我觉得轴向比较麻烦,同意楼上的看法。
发表于 2006-11-12 21:23:59 | 显示全部楼层 来自: 中国山东德州
做个工装,以A面以及φ26为基准定位,在平面磨上加工,应该可以达到要求吧。
发表于 2006-11-13 13:23:32 | 显示全部楼层 来自: 日本
再怎么样2个面都要磨的,所以建议在热处理后使用数控磨床一次磨2各面
发表于 2006-11-13 13:50:34 | 显示全部楼层 来自: 中国北京
多个工件放在加工中心上一起加工,多工位实验一下
发表于 2006-11-13 14:15:18 | 显示全部楼层 来自: 中国广东深圳
孔的要求不是太高,关键是外圆,还有位置公差,这些要求比较高,人工的话要上8级技工了,用加工中心型对简单多了。
发表于 2006-11-13 17:26:32 | 显示全部楼层 来自: 中国四川内江
引用: c9 v: ]/ O: W
做个工装,以A面以及φ26为基准定位,在平面磨上加工,应该可以达到要求吧。8 I" c0 c5 E$ ?3 r5 D3 z* u
20件一次装夹加工完成!( A3 A' N. ~! s8 a. |8 h# p; f
应该没问题吧!
发表于 2006-11-13 20:54:14 | 显示全部楼层 来自: 中国贵州贵阳
硬度是多少?材料是什么?如果硬度适中,材料是常用钢材,垂直度和基准A可以一次定位加工保证,然后做一工装,以基准A支靠,在平面磨床上磨另一平面,保证起来是比较容易的。
 楼主| 发表于 2006-11-24 10:31:14 | 显示全部楼层 来自: 中国江苏南通
做个工装,以A面以及φ26为基准定位,在平面磨上加工,应该可以达到要求吧。
2 {) v: }9 M; `20件一次装夹加工完成!
7 K- b7 {% y4 c0 T应该没问题吧!& Q* |! G/ `3 F
我们也是这样想的,可是这个工装怎做呢?没法固定啊
发表于 2006-11-24 13:26:28 | 显示全部楼层 来自: 中国山东德州
磨床床身不是有磁性嘛?用磁力来固定就可以吧(还加上有止口,应该飞不出去吧<小心些,飞出去也没人负责^-^>)?
, l9 I) F( H6 h, g或者,把φ26的长度做长一些,起导向固定作用,磨完后再车至尺寸;
: m* v) W( t  ]8 G( Z再不行,好象就只能侧向顶紧φ40的外圆了……批量小的话实在不划算,找有加工中心的地外加工算了。
发表于 2006-11-24 13:27:51 | 显示全部楼层 来自: 中国上海
原帖由 havcy 于 2006-11-24 10:31 发表
3 f0 d- v7 X0 w7 K$ y* c' e7 J! Y做个工装,以A面以及φ26为基准定位,在平面磨上加工,应该可以达到要求吧。
/ w* h, x. v9 Q20件一次装夹加工完成!. q- G8 e+ g: M) Z+ x& y" H. l
应该没问题吧!& m0 K0 {$ ~: f. n9 i2 ?" O
我们也是这样想的,可是这个工装怎做呢?没法固定啊
! ^  d. x9 K2 L0 N2 A3 r
3 W( t+ ^  f5 o0 H  K+ e/ V9 N* F5 D
这个工装其实很简单的,就是一块平板(厚度大于3mm),打出20-φ26孔,在平面磨床上两面磨,使平板本身的两面平行度很好,然后把工件有孔的一面(就是A基准)放在平板上,让平面磨床一次磨出20个零件的另外一面,就可以使H相同了。; S8 u# S2 k+ k' Q4 y4 I: A
平面磨床是磁性吸住工件的,不用夹紧。" u, |, t: M$ Q1 e1 r8 l& B8 e
" A& v" H* k1 G2 F7 j% M
[ 本帖最后由 lhf999 于 2006-11-24 13:29 编辑 ]
发表于 2006-11-24 17:05:51 | 显示全部楼层 来自: 中国天津
用普通机床加工难度太大~可以说很难实现~建议用数控批量加工~
发表于 2006-11-26 15:19:41 | 显示全部楼层 来自: 中国河北沧州
同意12楼意见,20个面一次加工磨成即可
发表于 2006-11-26 19:19:10 | 显示全部楼层 来自: 中国重庆
一直径26    做一个孔定位的夹具   然后平磨底面
发表于 2006-12-24 14:58:13 | 显示全部楼层 来自: 中国吉林四平
台肩处光洁度不太好达到,请问用什么方法能达到
发表于 2006-12-24 20:52:00 | 显示全部楼层 来自: 中国湖北
可以这样加工:8 R, R0 f& _2 I
   1.淬火后用外圆磨磨台肩面达Ra0.8;
  d$ B* U  `3 D2 n. a3 J8 O, M$ ^   2.为平面磨床做一个延磁块,延磁块上面应有20个Φ26的孔,把Φ26的外圆放入孔中,吸牢磨削过的平面,磨另一端面,就能满足要求。; v5 }8 |5 M% E6 I$ D: j
   3.做延磁块是有必要的,因为钢材做的平磨用工装不能延续磁力,吸不牢的。
发表于 2010-1-17 10:29:39 | 显示全部楼层 来自: 中国江苏苏州
很难做到完全一样,总有误差,那怕很小很小。
发表于 2010-1-19 15:20:52 | 显示全部楼层 来自: 中国江苏南京
很多设计上的要求很过分 但是其实是 无意义的
发表回复
您需要登录后才可以回帖 登录 | 注册

本版积分规则


Licensed Copyright © 2016-2020 http://www.3dportal.cn/ All Rights Reserved 京 ICP备13008828号

小黑屋|手机版|Archiver|三维网 ( 京ICP备2023026364号-1 )

快速回复 返回顶部 返回列表