QQ登录

只需一步,快速开始

登录 | 注册 | 找回密码

三维网

 找回密码
 注册

QQ登录

只需一步,快速开始

展开

通知     

查看: 3400|回复: 13
收起左侧

[推荐] CAD几何作图竞赛题(2026年2月),竞赛结果已公布。

 关闭 [复制链接]
发表于 2026-2-3 11:33:02 | 显示全部楼层 |阅读模式 来自: 中国广西南宁
安装
主题分类用于问题归类:

马上注册,结识高手,享用更多资源,轻松玩转三维网社区。

您需要 登录 才可以下载或查看,没有帐号?注册

x
本帖最后由 2005llnn 于 2026-2-25 11:15 编辑   d% V8 ]  [& y! {4 J* Q/ ~1 J
& J* D- I) Y- c5 e) Z
CAD设计标志2026022 ~& ^4 k4 z1 v8 d
本题目由会员2005llnn提供
1 d0 o7 L/ j3 i0 I" u' D" U 202602.jpg 3 j& ^. {$ ]  c& A( a
+ J/ B: ^7 D0 c! f* z$ i
. J* Z- o% H3 F$ z8 l% R' k8 q& q* _

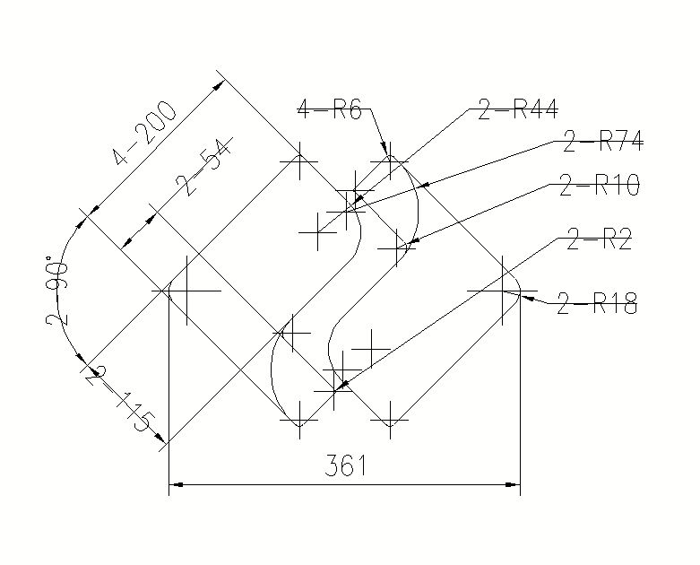
. [. r9 C0 F  K2 z设计该标志,要求尺寸200,作出dwg图,并标出完成图形所需尺寸标注
2 o* j3 j3 u3 e4 w
尺寸精度要求为整数。角度单位必须使用十进制度数,不得使用度/分/秒,百分度和弧度,精度也要求是整数。4 I+ }' ?5 {) z: L1 k+ m* {
参赛会员注意:图片及dwg格式的压缩文件以“附件”形式上传,不要点击“插入全部附件”,( s) A8 |2 @/ }' |2 v3 F
阅读权限设置为“最高权限”。
; b$ Q9 P* l; r
答题请在本主题帖内发回复帖
 楼主| 发表于 2026-2-3 11:34:12 | 显示全部楼层 来自: 中国广西南宁
本帖最后由 2005llnn 于 2026-2-12 10:36 编辑 * U0 @6 A: V( t# j4 F1 f
, s8 L0 U2 Q: f
一.竞赛题目:CAD设计标志2026027 v* k. i! R: L/ z$ s4 M: w1 z% |
设计该标志CAD几何作图题,要求尺寸200,作出dwg图,并标出完成图形所需尺寸标注。
+ @$ ]$ y& I- N9 ~& [: S尺寸精度要求为整数。角度单位必须使用十进制度数,不得使用度/分/秒,百分度和弧度,精度也要求是整数。# Z: @5 P' L, |2 F/ {( M
附件阅读权限定为最高权限。活动结束后由版主统一取消阅读权限。" c* F. X) f: |8 V  q
禁止会员利用马甲一起参赛。
9 H) M1 S7 R2 K7 m2 p1 D
6 O9 z8 R( w; L8 x: o. J7 T& f二.竞赛要求0 ?: {5 s, L% Z. [# z
除了AutoCAD区版主不能够参加竞赛,其它会员、技术团队成员、版主都可以参加竞赛,使用AutoCAD、CAXA或其他CAD软件,: `) c3 v4 D1 |
在规定时间内将作出的图形截图为jpg附件或压缩包在本主题下跟帖发表,并提供dwg附件,2 w: X2 W, ?+ k+ d+ D9 c2 ]
附件阅读权限定为最高权限。活动结束后由版主统一取消阅读权限。& E3 H* n6 V% b! @! i

/ \1 [1 c& H: e三.竞赛时间
! P* o7 l' c% _2026年2月3日至2026年2月11日。3 [0 b+ O$ c* B$ _
" e% {* x6 Z3 r# m/ o# u9 K
四.评选时间及方法# u( |- P' C" M6 ]& S
2026年2月12日-2026年2月14日,由三维网技术论坛CAD版块3 G" E. ^( u; x& z& O3 ?( L
版主为评委,内部评选出各奖项。! q0 |0 _$ b+ Y) T; j- M
, t3 P' `* U5 m  _* d8 G, |
五.奖励. A8 @" s; }$ l
1、一等奖:1名,奖励100元以内实物奖励,上一期中一等奖的会员不能够连续获一等奖;如果抽中一等奖,只能够改获2等奖。) V( B5 G; A# T3 h  X* x8 @& I: z
2、二等奖:2名,各奖励500个三维币;
& Y, [$ C* {( P0 ]% K" o3、作图基本符合要求者先各奖励20个三维币;
2 r* D( `/ N: U, U1 e2 ~4、如果评出11名及以上优秀者,上期一等奖获得者不参与抽奖,可获得300三维币;
4 F6 H6 _- f4 J1 v+ E7 J0 t5、如果评出11名以上优秀者,按发帖提交时间排名优先获得抽奖资格,排名较后的作图接近完美的会员可插队获得抽奖资格;+ Y+ v! }7 C7 v! B7 h  c; u1 t
6、根据竞赛实际情况会对奖励规则进行适当修改。
3 T/ H$ l; q+ L4 U7 ?. w7 S/ e$ H3 N2 V4 |6 s6 a- V
六.其它
0 v8 b+ l* J, Z  q: |竞赛结束后在本帖发回复帖进行点评和讨论。  K. ^  c, ^, n0 l

8 N- h; T" t' G( E' K, o七.抽奖规则
+ H; O7 T! p/ t1 J  M+ S每期竞赛由本版区版主评出10名或10名以内优秀者参与抽奖,优秀者按发帖顺序进行从1开始顺序编号,) @3 R' Y9 f+ k8 U, Y
本期中奖号码按2月15日星期日开出的七星彩号码确定中奖者,七星彩左端第1位、第2位、第3位(各位不同号)为中奖号码,
$ A- }# }1 X0 H" P如果第1位号码没有符合中奖要求,就以七星彩号码第2位替代,以此类推。' `6 M4 u) w$ m! A0 d
如果本期七星彩号码不能够确定出全部中奖者,未确定的中奖者可通过下一期的七星彩号码继续确定。& U+ G$ N' r. T6 E
第1位获奖者可得到100元以内实物奖励。第2位及第3位获奖者可各得到500个三维币。; Q. `" L: }1 J7 G; {2 x$ Q
上一期中一等奖的会员不能够连续获一等奖;如果抽中一等奖,只能够改获2等奖。一等奖由后一位中奖号所得。+ _3 }" S  I% w0 ^; _- H1 U
例如七星彩开奖号码为7665432。则7为第1位中奖号码,6为第2位中奖号码,5为第3位中奖号码。
+ ], \: _4 k3 j/ [( z" H如果一等奖中奖者在下一期竞赛开始前还没有办理领奖事宜,按弃奖处理。
- O6 k" t  [/ I, n! z) H2 ~% T. \, Z5 k  Q. h1 T. a: Z
竞赛已结束,等待抽奖。 
楼层用户名抽奖号备注
3zhaozhihui1尺寸标注文字位置有问题
4gerald_lee2接近完美
5塔山8173接近完美
6gongwen05194接近完美
7spar5接近完美
8wupeiqi6辅助线应该消除
9TKG-097接近完美
10林主05988接近完美
11zhangwp9尺寸标注文字太小
, `! [- X$ K4 O% f

: h3 \0 H# q' C' o+ G2 _
发表于 2026-2-3 13:29:05 | 显示全部楼层 来自: 中国北京
本帖最后由 2005llnn 于 2026-2-12 10:28 编辑 . O7 O( a0 _) b6 q9 D1 ^' J3 K

) R6 q. F; q4 [9 s/ Y交作业:
, r( F, @- ]# |8 |. I CAD几何作图竞赛题(2026年2月).rar (59.69 KB, 下载次数: 6)

评分

参与人数 1三维币 +20 收起 理由
kuangben8 + 20 鼓励参与。

查看全部评分

发表于 2026-2-4 15:49:47 | 显示全部楼层 来自: 中国
本帖最后由 2005llnn 于 2026-2-12 10:29 编辑
: B6 J) q. Q+ i2 ~$ ~  T$ X1 E- u0 c$ a7 ?$ r, K# o
交本月作业!
( F, ~$ H6 l7 j; S% f/ O 2026.02.rar (63.74 KB, 下载次数: 4)

评分

参与人数 1三维币 +20 收起 理由
kuangben8 + 20 鼓励参与。

查看全部评分

发表于 2026-2-4 22:12:46 | 显示全部楼层 来自: 中国山东
本帖最后由 2005llnn 于 2026-2-12 10:29 编辑
+ G! R2 e, s" `0 T- Y9 d+ P5 }2 [9 x3 u; j) @$ V4 _/ r& A
交作业
, S9 D$ _0 Z# O% S* S' }/ u4 i 202602.zip (48.9 KB, 下载次数: 4)

评分

参与人数 1三维币 +20 收起 理由
kuangben8 + 20 鼓励参与。

查看全部评分

发表于 2026-2-5 09:33:46 | 显示全部楼层 来自: 中国湖南
本帖最后由 2005llnn 于 2026-2-12 10:30 编辑 ) D  j7 |/ A; u& B: I# ?6 I3 U

0 A1 ?* `% s6 C# F% J2 C参与练习:2 i( t! s. X" d; k& e
202602LX.rar (118.13 KB, 下载次数: 4)
202602LX.png

评分

参与人数 1三维币 +20 收起 理由
kuangben8 + 20 鼓励参与。

查看全部评分

发表于 2026-2-5 10:18:38 | 显示全部楼层 来自: 中国四川成都
本帖最后由 2005llnn 于 2026-2-12 10:30 编辑
% y  C$ c% f- V5 I+ r5 F* z. ?& @* v7 g" j! x2 o
2026年2月,交作业
9 |) w: S- }' r2 { 2026.02.rar (103.35 KB, 下载次数: 4)

点评

恭喜获得一等奖!  发表于 2026-2-25 11:14

评分

参与人数 1三维币 +20 收起 理由
kuangben8 + 20 鼓励参与。

查看全部评分

发表于 2026-2-5 10:26:06 | 显示全部楼层 来自: 中国江苏苏州
本帖最后由 2005llnn 于 2026-2-12 10:31 编辑 ' G, q. ~: T  F7 u, D; x+ ^

. I* z5 [" ]2 _: L3 B. n! I3 ~参与练习,提交作业。
# G9 q9 L- k+ c# u) s( m8 y" M- | 2月份标志练习.rar (243.06 KB, 下载次数: 7)

评分

参与人数 2三维币 +520 收起 理由
2005llnn + 500 二等奖
kuangben8 + 20 鼓励参与。

查看全部评分

发表于 2026-2-5 13:40:58 | 显示全部楼层 来自: 中国湖南
本帖最后由 2005llnn 于 2026-2-12 10:31 编辑   Y+ n+ i& s  v

7 ~3 e: F6 W# v6 v' H, k2026 02 作业 。
( ?; J8 I2 Z$ Q  {, {1 E- a 2026.02 作业.jpg   x! h. w6 }9 g

$ q- s6 b  s: A3 [% l$ o  D* K
$ m; d' B8 G2 M8 h! v5 h9 Z 中国电建.zip (40.56 KB, 下载次数: 4)

评分

参与人数 1三维币 +20 收起 理由
kuangben8 + 20 鼓励参与。

查看全部评分

发表于 2026-2-7 22:35:34 | 显示全部楼层 来自: 中国福建三明
本帖最后由 2005llnn 于 2026-2-12 10:32 编辑
+ O# n( J3 S- X* p  y4 _, ]" n+ I' y" R- o& j9 Z
2月作图  X" [1 x$ q2 J7 ~' U  D& [
2月作图.rar (77.05 KB, 下载次数: 4)

评分

参与人数 1三维币 +20 收起 理由
kuangben8 + 20 鼓励参与。

查看全部评分

发表于 2026-2-9 09:19:07 | 显示全部楼层 来自: 中国江苏苏州
本帖最后由 2005llnn 于 2026-2-12 10:33 编辑
  E4 y' c: C: f5 g$ H- V/ [
" k( G2 m2 E, ~1 x- l  }' G积极参与论坛活动,完成作业,欢度春节。
8 a* k, M, W8 ~. S( ~ 2026.2作业.rar (37.98 KB, 下载次数: 4)

评分

参与人数 2三维币 +520 收起 理由
2005llnn + 500 二等奖
kuangben8 + 20 鼓励参与。

查看全部评分

 楼主| 发表于 2026-2-25 11:02:25 | 显示全部楼层 来自: 中国广西崇左
本帖最后由 2005llnn 于 2026-2-25 11:07 编辑 ( a' u6 ?/ h! q* V7 H: y
# [8 F0 \$ d5 b2 n& p
由于春节放假,原定的2月15日的开奖没有进行,根据抽奖规则,由下一期开奖确定。. F! b; K, [; I% |$ v6 e/ F$ k( S; t
2月24日七星彩开奖号码为5509564,开奖号码第一位的5为本期一等奖中奖号码,
& ?5 x) w& N0 J% E* M开奖号码第四位的9及第六位的6为本期二等奖中奖号码。* ^/ R2 `  Y( W/ b4 _
恭喜会员spar获得一等奖,奖品为100元购物款,请与版主2005llnn通过论坛短消息联系领奖。0 `& T! f* ^& [4 `# Z/ @
恭喜会员zhangwp及会员wupeiqi获得二等奖,各获得500三维币。
4 W) h  e+ U: n4 s( K+ w5 x4 d 0224.jpg
& E( {) J/ e' u# y& D! `
; V" j3 R& u6 r' r0 ?6 o
9 R. ^  v4 ~7 Y0 ~
8 E$ E- l% B# h0 X2 P1 O9 g+ `# w
发表于 2026-3-26 10:33:54 | 显示全部楼层 来自: 中国四川达州
奖品已领取,感谢
微信图片_20260326103208_5489_91.jpg
发表回复
您需要登录后才可以回帖 登录 | 注册

本版积分规则


Licensed Copyright © 2016-2020 http://www.3dportal.cn/ All Rights Reserved 京 ICP备13008828号

小黑屋|手机版|Archiver|三维网 ( 京ICP备2023026364号-1 )

快速回复 返回顶部 返回列表