QQ登录

只需一步,快速开始

登录 | 注册 | 找回密码

三维网

 找回密码
 注册

QQ登录

只需一步,快速开始

展开

通知     

查看: 3947|回复: 14
收起左侧

[推荐] CAD几何作图竞赛题(2026年1月),竞赛结果已公布。

 关闭 [复制链接]
发表于 2026-1-14 10:43:04 | 显示全部楼层 |阅读模式 来自: 中国广西南宁
安装
主题分类用于问题归类:

马上注册,结识高手,享用更多资源,轻松玩转三维网社区。

您需要 登录 才可以下载或查看,没有帐号?注册

x
本帖最后由 2005llnn 于 2026-1-26 00:13 编辑 ; E- a! f! {7 A' T9 \( n) d5 O

9 [% I# e4 L( H0 z6 lCAD设计标志202601
/ n$ n+ B* M5 ~, ^; N本题目由会员2005llnn提供  I1 |7 Z% c/ x( f
202601.jpg 9 e2 }) h$ b! T; x
1 F1 I  Q1 `4 m/ p4 ?. ?1 _
: `$ Y* ]0 H( S, h( Z4 H, h
  h- {% u' H  O. V+ Z# W
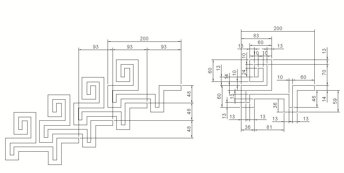
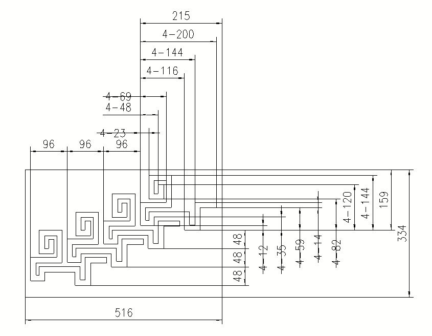
设计该标志,要求尺寸200,作出dwg图,并标出完成图形所需尺寸标注 $ J) s5 D; v0 p0 H9 ^# T/ a$ S
) S7 J" g0 U- S
尺寸精度要求为整数。角度单位必须使用十进制度数,不得使用度/分/秒,百分度和弧度,精度也要求是整数。
$ K: \3 N+ W! M$ B7 u
参赛会员注意:图片及dwg格式的压缩文件以“附件”形式上传,不要点击“插入全部附件”,
( s4 N5 E$ F, c! w7 v: s阅读权限设置为“最高权限”。1 L1 G5 C8 d$ t4 x: i* ^
答题请在本主题帖内发回复帖
 楼主| 发表于 2026-1-14 10:44:34 | 显示全部楼层 来自: 中国广西南宁
本帖最后由 2005llnn 于 2026-1-22 09:57 编辑
& }& M. Z! M- F: e
1 n9 g! p+ U" B7 Q- F6 J一.竞赛题目:CAD设计标志2026016 `1 q, `: X. I1 X
设计该标志CAD几何作图题,要求尺寸200,作出dwg图,并标出完成图形所需尺寸标注。
" `0 \! j5 ]7 T% Q& T: S, o尺寸精度要求为整数。角度单位必须使用十进制度数,不得使用度/分/秒,百分度和弧度,精度也要求是整数。
4 M$ x. d5 G) s) [7 t. R6 L$ u附件阅读权限定为最高权限。活动结束后由版主统一取消阅读权限。; S; k1 B: w" w: f# g3 L+ p% t( K
禁止会员利用马甲一起参赛。8 ~* ^, j5 }! c7 [0 D
! F) \! C* O! `5 C
二.竞赛要求9 \$ I$ t) r3 e: U
除了AutoCAD区版主不能够参加竞赛,其它会员、技术团队成员、版主都可以参加竞赛,使用AutoCAD、CAXA或其他CAD软件,
1 X5 Z5 |: Q( E6 d在规定时间内将作出的图形截图为jpg附件或压缩包在本主题下跟帖发表,并提供dwg附件,% H! K, W. `& O; y9 E# z
附件阅读权限定为最高权限。活动结束后由版主统一取消阅读权限。& P4 Q, d& x9 |+ e5 @6 X
- u# d3 |+ R5 `. M. _4 ]
三.竞赛时间* l1 W/ m" [: h
2026年1月14日至2026年1月21日。
# u, m. i: D% N9 g# ?( P$ x( V1 s1 W0 m3 l& W6 B7 i# J% y
四.评选时间及方法
- P' M0 W7 J1 P* j: ]* ?2026年1月22日-2026年1月24日,由三维网技术论坛CAD版块' v$ \% T4 c! y
版主为评委,内部评选出各奖项。
6 z7 ]9 N& `3 L1 G( l% O; z* `2 y
2 l6 U9 y: S! C# z5 @$ b6 D五.奖励) F6 V+ i  L( J8 S
1、一等奖:1名,奖励100元以内实物奖励,上一期中一等奖的会员不能够连续获一等奖;如果抽中一等奖,只能够改获2等奖。
9 ?0 r( J7 e/ g" t" [) {( U2、二等奖:2名,各奖励500个三维币;& V6 p  c  \0 \; W
3、作图基本符合要求者先各奖励20个三维币;
( o- P# E7 c: o) l/ d' g. N# `4、如果评出11名及以上优秀者,上期一等奖获得者不参与抽奖,可获得300三维币;
6 ?' h/ B" V- t: j5、如果评出11名以上优秀者,按发帖提交时间排名优先获得抽奖资格,排名较后的作图接近完美的会员可插队获得抽奖资格;$ E, a) F$ l) a. B  G
6、根据竞赛实际情况会对奖励规则进行适当修改。
' V  _  `4 J. b5 k/ I7 b  P2 r0 u% a/ E; o. R: T3 w) Y
六.其它. q4 K* G( q: N( i6 G$ Z4 k, ?
竞赛结束后在本帖发回复帖进行点评和讨论。  p, U4 M- f. g" o
& i! a$ m. Z1 h( u  {' [- _
七.抽奖规则& C/ @5 D' g; S6 f
每期竞赛由本版区版主评出10名或10名以内优秀者参与抽奖,优秀者按发帖顺序进行从1开始顺序编号,2 [9 F7 _4 `6 v0 m1 D" R5 l
本期中奖号码按1月25日星期日开出的七星彩号码确定中奖者,七星彩左端第1位、第2位、第3位(各位不同号)为中奖号码,9 _# D( W% A) ]6 i; i7 x! D5 A' n8 `
如果第1位号码没有符合中奖要求,就以七星彩号码第2位替代,以此类推。
6 l3 i. d0 }. ?: q: M( A+ E如果本期七星彩号码不能够确定出全部中奖者,未确定的中奖者可通过下一期的七星彩号码继续确定。/ ^, k1 w; U" c$ ~: U4 G9 ~
第1位获奖者可得到100元以内实物奖励。第2位及第3位获奖者可各得到500个三维币。
: H) c$ @1 K0 H0 g# ^上一期中一等奖的会员不能够连续获一等奖;如果抽中一等奖,只能够改获2等奖。一等奖由后一位中奖号所得。
& Q- Z5 N9 }5 D) Q7 e' o例如七星彩开奖号码为7665432。则7为第1位中奖号码,6为第2位中奖号码,5为第3位中奖号码。
/ V) K9 Q1 l, q) q  }5 z% W, M# V; J如果一等奖中奖者在下一期竞赛开始前还没有办理领奖事宜,按弃奖处理。4 `) B+ r2 N/ O7 _$ Y7 Q+ W
CAD几何作图竞赛题(2026年2月)计划于2026年2月3日开始。/ ^- j/ r) c, [
; n3 f. P& ?; B6 _- S6 @
竞赛已结束,等待抽奖。 
楼层用户名抽奖号备注
3林主05981接近完美
4TKG-092接近完美
5gongwen05193接近完美
6spar4接近完美
7塔山8175接近完美
8wupeiqi6接近完美
9gerald_lee7接近完美
10o1ojacko1o8接近完美
11zhangwp9接近完美
12zhaozhihui0接近完美

1 [8 Q: W9 R3 F3 r; V& F
发表于 2026-1-14 21:04:01 | 显示全部楼层 来自: 中国福建三明
本帖最后由 2005llnn 于 2026-1-22 09:44 编辑
" K, }& Y0 t& M: t8 x
( f2 W# x9 S0 `6 E: d' A% s1月作图3 w* R3 n+ A) }9 [
1月作图.rar (79.92 KB, 下载次数: 4)

评分

参与人数 1三维币 +20 收起 理由
kuangben8 + 20 鼓励参与。

查看全部评分

发表于 2026-1-15 08:43:32 | 显示全部楼层 来自: 中国湖南
本帖最后由 2005llnn 于 2026-1-22 09:44 编辑 9 F9 ]# G4 z$ j: x- F5 A% W& I

/ K# |% U$ y/ @* }, c) |4 \2026 01 作业 。% Q: J1 m# G: Y3 @& K- t# `  _' e% x
2026 春晚.zip (29.15 KB, 下载次数: 4)

评分

参与人数 1三维币 +20 收起 理由
kuangben8 + 20 鼓励参与。

查看全部评分

发表于 2026-1-15 11:03:39 | 显示全部楼层 来自: 中国湖南
本帖最后由 2005llnn 于 2026-1-22 09:45 编辑
9 B" o4 f  K1 ~
9 B1 A2 E, T" c. F! K# B, ^参与练习:
! M3 `6 j+ w- r: s5 ]! v* D2 y 202601LX.rar (97.34 KB, 下载次数: 4)

评分

参与人数 2三维币 +520 收起 理由
2005llnn + 500 二等奖
kuangben8 + 20 鼓励参与。

查看全部评分

发表于 2026-1-15 16:31:46 | 显示全部楼层 来自: 中国四川成都
本帖最后由 2005llnn 于 2026-1-22 09:46 编辑
9 J7 `! G9 f9 E: r  E2 a& _8 T" L4 u* K* T
2026年1月,交作业
9 T$ [% S( w6 y 2026年春晚标志.rar (123.19 KB, 下载次数: 4)

评分

参与人数 1三维币 +20 收起 理由
kuangben8 + 20 鼓励参与。

查看全部评分

发表于 2026-1-15 22:46:12 | 显示全部楼层 来自: 中国山东
本帖最后由 2005llnn 于 2026-1-22 09:46 编辑 : ]# H% u* Q( t2 W- ^

1 C& ^, ^9 M- z. u交作业
5 O1 V% Z' l1 d& X* Z% c1 [; f 202601.zip (65.74 KB, 下载次数: 4)

评分

参与人数 2三维币 +520 收起 理由
2005llnn + 500 二等奖
kuangben8 + 20 鼓励参与。

查看全部评分

发表于 2026-1-16 12:21:19 | 显示全部楼层 来自: 中国江苏苏州
本帖最后由 2005llnn 于 2026-1-22 09:48 编辑
5 o% f$ s& H; v: L; _
4 b9 H. S+ _' t8 J( E2026-1月标志练习--交作业  A4 R( j: u+ u$ x, u! j
1月份标志练习.rar (205.07 KB, 下载次数: 5)

点评

恭喜获得一等奖!  发表于 2026-1-26 00:10

评分

参与人数 1三维币 +20 收起 理由
kuangben8 + 20 鼓励参与。

查看全部评分

发表于 2026-1-16 13:58:47 | 显示全部楼层 来自: 中国天津
本帖最后由 2005llnn 于 2026-1-22 09:49 编辑
- B3 e9 `. \+ i0 H5 P1 w
( j8 W. X; ?1 ~. h$ u* ~7 T$ l9 L1 y交本月作业!
) c+ E% X( C* [$ s! t, S- [5 @% d 2026.01.rar (61.83 KB, 下载次数: 4)

评分

参与人数 1三维币 +20 收起 理由
kuangben8 + 20 鼓励参与。

查看全部评分

发表于 2026-1-17 08:21:51 | 显示全部楼层 来自: 中国山东潍坊
本帖最后由 2005llnn 于 2026-1-22 09:49 编辑 - N" r, v! [" }/ g

5 H+ ]; O+ v0 c. J0 \ 2026 春晚标.rar (36.46 KB, 下载次数: 4)

评分

参与人数 1三维币 +20 收起 理由
kuangben8 + 20 鼓励参与。

查看全部评分

发表于 2026-1-19 09:01:04 | 显示全部楼层 来自: 中国江苏苏州
本帖最后由 2005llnn 于 2026-1-22 09:50 编辑 5 G. v. j, P/ _

4 \; H+ |* F) X# |+ }7 V参与论坛活动。
8 Z, r$ S2 {6 i/ U# X8 Z5 w- f7 I3 G 2026.1作业.rar (47.67 KB, 下载次数: 4)

评分

参与人数 1三维币 +20 收起 理由
kuangben8 + 20 鼓励参与。

查看全部评分

发表于 2026-1-20 10:16:51 | 显示全部楼层 来自: 中国江苏盐城
本帖最后由 2005llnn 于 2026-1-22 09:51 编辑 * Q" ~7 M* G" P- i5 l6 x  c, y7 [6 ]
9 C  R6 M' u4 j, i/ D& Q2 r
交作业:" ]0 ]- T" ]; B
CAD几何作图竞赛题(2026年1月).rar (94.02 KB, 下载次数: 4)

评分

参与人数 1三维币 +20 收起 理由
kuangben8 + 20 鼓励参与。

查看全部评分

 楼主| 发表于 2026-1-26 00:09:57 | 显示全部楼层 来自: 中国广西南宁
1月25日七星彩开奖号码为635273+13,开奖号码第一位的6为本期一等奖中奖号码,% h- n! U6 Y$ `- Z' f% `+ b( b% H
开奖号码第二位的3及第三位的5为本期二等奖中奖号码。
! U* y1 ]( _0 C6 R$ g4 L1 Q' L恭喜会员wupeiqi获得一等奖,奖品为100元购物款,请与版主2005llnn通过论坛短消息联系领奖。8 K: l( W9 u8 o. ]
恭喜会员gongwen0519及会员塔山817获得二等奖,各获得500三维币。
' H4 A2 o3 E; A/ F! I/ p/ `8 E 0125.jpg   p! D4 I7 _& f) r1 b

+ f/ `- ~5 `) L5 H# {+ n" y" i* @
7 O  s8 O- E- v% K* S( c
发表于 2026-2-1 09:00:18 | 显示全部楼层 来自: 中国江苏苏州
奖品已收到,谢谢论坛,感谢版主的操办。* c  U/ V% t1 q4 T  I  r
加绒加厚毛衣.jpg & O5 v9 p: h/ |; K, r
发表回复
您需要登录后才可以回帖 登录 | 注册

本版积分规则


Licensed Copyright © 2016-2020 http://www.3dportal.cn/ All Rights Reserved 京 ICP备13008828号

小黑屋|手机版|Archiver|三维网 ( 京ICP备2023026364号-1 )

快速回复 返回顶部 返回列表