QQ登录

只需一步,快速开始

登录 | 注册 | 找回密码

三维网

 找回密码
 注册

QQ登录

只需一步,快速开始

展开

通知     

查看: 41176|回复: 15
收起左侧

[推荐] CAD几何作图竞赛题(2025年12月),竞赛结果已公布。

 关闭 [复制链接]
发表于 2025-12-17 11:29:59 | 显示全部楼层 |阅读模式 来自: 中国广西南宁
安装
主题分类用于问题归类:

马上注册,结识高手,享用更多资源,轻松玩转三维网社区。

您需要 登录 才可以下载或查看,没有帐号?注册

x
本帖最后由 2005llnn 于 2025-12-28 23:20 编辑 6 e2 `4 O2 H' E' M) c2 f0 A- y

4 s7 d: I; T4 m. P$ U3 ~* `7 h, u- u* FCAD设计标志202512
  Z) Q2 }, G! J& X' n" o8 z本题目由会员2005llnn提供
& J+ P9 d  c) v5 D( G 202512.jpg
& T' w, M* T( q. {: H% @. ]* `
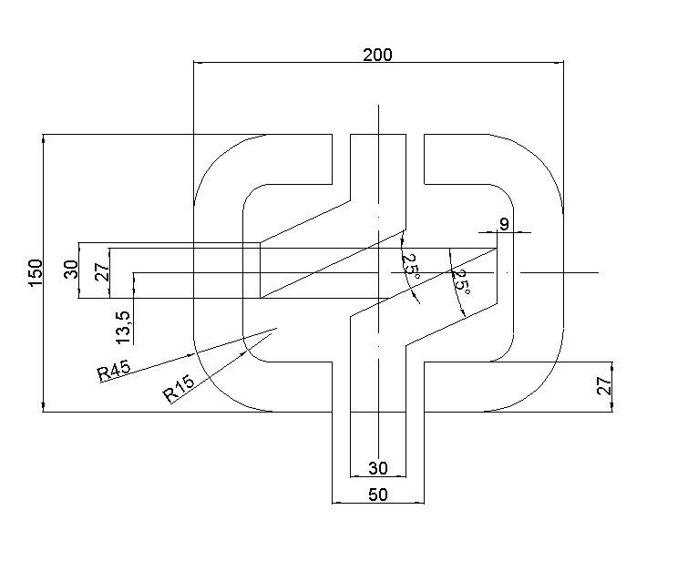
) x' x1 F0 _! Z. p% P设计该标志,要求尺寸200,作出dwg图,并标出完成图形所需尺寸标注 ) u7 w: J6 P% H: N. d5 e& M' ]' B
尺寸精度要求为整数。角度单位必须使用十进制度数,不得使用度/分/秒,百分度和弧度,精度也要求是整数。) U) ?! ~9 q9 ]3 b: n0 t
参赛会员注意:图片及dwg格式的压缩文件以“附件”形式上传,不要点击“插入全部附件”,9 b4 J  G6 `  H2 y0 t, H, E* t7 L
阅读权限设置为“最高权限”。2 z( H! J1 t- L' [0 g* D; C7 {
答题请在本主题帖内发回复帖。
 楼主| 发表于 2025-12-17 11:32:21 | 显示全部楼层 来自: 中国广西南宁
本帖最后由 2005llnn 于 2025-12-25 10:33 编辑 & H, b& k( Q7 c% g% q; o; _# T* j

" H, B( ^* Z* i6 V$ s, ^* Z; v6 J一.竞赛题目:CAD设计标志202512! D% @+ }& ^& y0 d/ ?
设计该标志CAD几何作图题,要求尺寸200,作出dwg图,并标出完成图形所需尺寸标注。 6 w) y  [; x1 T9 d2 W, R
尺寸精度要求为整数。角度单位必须使用十进制度数,不得使用度/分/秒,百分度和弧度,精度也要求是整数。3 y# B5 y, a/ a- c1 M9 b; X; y; n
附件阅读权限定为最高权限。活动结束后由版主统一取消阅读权限。, a4 b$ j3 v7 C& D
禁止会员利用马甲一起参赛。
% A, o- u: P% o- \' D
1 y+ s4 [/ H0 t) H8 l6 y7 h二.竞赛要求" T& n- G& A9 `' e( a& i
除了AutoCAD区版主不能够参加竞赛,其它会员、技术团队成员、版主都可以参加竞赛,使用AutoCAD、CAXA或其他CAD软件,
* _: X5 E: m9 a* H8 j6 m7 ^/ |' x在规定时间内将作出的图形截图为jpg附件或压缩包在本主题下跟帖发表,并提供dwg附件,1 `# a3 u& \' E: S( C% l
附件阅读权限定为最高权限。活动结束后由版主统一取消阅读权限。$ a# {/ v8 w9 L$ K0 B/ x
# c0 n: @4 R& i
三.竞赛时间+ J* q- r8 f* M* z, N
2025年12月17日至2025年12月24日。
' V$ B0 i1 Q1 j* B5 m7 S, F5 k4 g. h% |; W7 U/ D( x
四.评选时间及方法
, I( q2 B( d* [7 \2025年12月25日-2025年12月27日,由三维网技术论坛CAD版块
4 H1 o4 P' T' X# [4 S5 p版主为评委,内部评选出各奖项。; t' ]" @2 ]$ i: }

2 H, A' a, r' Y4 s- d- l/ F五.奖励! N+ ]4 F1 ^2 ]$ n6 R( J7 X
1、一等奖:1名,奖励100元以内实物奖励,上一期中一等奖的会员不能够连续获一等奖;如果抽中一等奖,只能够改获2等奖。$ x9 m/ N7 U/ y& _9 M9 J
2、二等奖:2名,各奖励500个三维币;  u; d1 x) I! B: N1 ~, _9 h& c
3、作图基本符合要求者先各奖励20个三维币;8 U- n  e; _- T* j" b5 d7 m' I
4、如果评出11名优秀者,上期一等奖获得者不参与抽奖,可获得300三维币;9 S% U3 O, K; z. a& Y
5、如果评出11名以上优秀者,按发帖提交时间排名优先获得抽奖资格,排名较后的作图接近完美的会员可插队获得抽奖资格;
5 p6 ?1 f/ B8 L5 B/ J. D/ U$ }( e6 L6、根据竞赛实际情况会对奖励规则进行适当修改。
1 D& X3 b- F# }7 S+ x- g: p9 y7 S6 N4 O& }1 q! p5 T/ E
六.其它  `: J; N2 w7 I! |$ `
竞赛结束后在本帖发回复帖进行点评和讨论。/ r1 }1 m1 {7 [5 Q% r4 c6 {. y

8 E( E, L8 Z. A1 k! G' R七.抽奖规则4 p; _: c( }. c0 T& ~; ]3 ?
每期竞赛由本版区版主评出10名或10名以内优秀者参与抽奖,优秀者按发帖顺序进行从1开始顺序编号,
/ b: g( d3 e" D  Z本期中奖号码按12月28日星期日开出的七星彩号码确定中奖者,七星彩左端第1位、第2位、第3位(各位不同号)为中奖号码,: |- V: Y( d$ i- s/ `. l/ R( E
如果第1位号码没有符合中奖要求,就以七星彩号码第2位替代,以此类推。( H# u4 f+ l1 y- l/ L3 C% }/ V
如果本期七星彩号码不能够确定出全部中奖者,未确定的中奖者可通过下一期的七星彩号码继续确定。% q; r7 c: ^1 V0 y& Q$ h
第1位获奖者可得到100元以内实物奖励。第2位及第3位获奖者可各得到500个三维币。
  P; z% l* z/ @, J+ {上一期中一等奖的会员不能够连续获一等奖;如果抽中一等奖,只能够改获2等奖。一等奖由后一位中奖号所得。# V9 F; i3 f, M
例如七星彩开奖号码为7665432。则7为第1位中奖号码,6为第2位中奖号码,5为第3位中奖号码。- C  e, f/ V" C: }) r/ L
如果一等奖中奖者在下一期竞赛开始前还没有办理领奖事宜,按弃奖处理。2 _& c/ z! Q: y5 ?# Q2 f5 Y
2 J% ?- y+ ?5 N- I4 b/ K
竞赛已结束,等待抽奖。 
楼层用户名抽奖号备注
3o1ojacko1o1尺寸标注不全
4gerald_lee2斜线角度应相同
5TKG-093接近完美
6gongwen05194接近完美
7zhaozhihui上期一等奖尺寸标注不全
8塔山8175尺寸标注不全
9wupeiqi6斜线角度应相同
10sh_mrhg7接近完美
11zhangwp8接近完美
12spar9斜线角度应相同
13林主05980接近完美

) k  f9 h3 r' p3 G* q
发表于 2025-12-17 12:03:39 | 显示全部楼层 来自: 中国山东潍坊
本帖最后由 2005llnn 于 2025-12-25 10:23 编辑 7 v# Y* U) ~6 D) O$ C% {' @
$ q( i& k# z  _' F- z" E# t
沙发3 \$ V& y) j, s) f
o1ojacko1o.rar (38.66 KB, 下载次数: 4)

评分

参与人数 1三维币 +20 收起 理由
kuangben8 + 20 鼓励参与。

查看全部评分

发表于 2025-12-17 14:15:41 | 显示全部楼层 来自: 中国天津
本帖最后由 2005llnn 于 2025-12-25 10:24 编辑 ( B7 u2 `4 l( ?' M5 \* B( r6 J2 j3 A

8 z8 Q1 C- K$ ~交本月作业!% Y$ m; |0 m, {0 ^9 y6 w
2025.12.rar (59.06 KB, 下载次数: 4)

评分

参与人数 1三维币 +20 收起 理由
kuangben8 + 20 鼓励参与。

查看全部评分

发表于 2025-12-17 16:12:31 | 显示全部楼层 来自: 中国湖南
本帖最后由 2005llnn 于 2025-12-25 10:24 编辑 ) ]% B- T7 ?( q0 m

4 C( J. }1 c! [2025 12 作业 。" J+ ]6 J3 P- i9 O) u
2025.12 作业.jpg ; Y" o" d, |/ r# M
" m- r( i# [7 C7 a5 E4 Q

! B7 Q1 j  t& l 中国核建.zip (30.88 KB, 下载次数: 7)

评分

参与人数 2三维币 +520 收起 理由
2005llnn + 500 二等奖
kuangben8 + 20 鼓励参与。

查看全部评分

发表于 2025-12-17 19:50:47 | 显示全部楼层 来自: 中国湖南
本帖最后由 2005llnn 于 2025-12-25 10:25 编辑
  @! j5 J$ g  v2 v3 a- @: b; R" O* o5 I2 l2 P  D
参与练习:# }2 G. Y  A8 X2 [  i
202512da.rar (111.38 KB, 下载次数: 4)

评分

参与人数 1三维币 +20 收起 理由
kuangben8 + 20 鼓励参与。

查看全部评分

发表于 2025-12-18 11:38:03 | 显示全部楼层 来自: 中国北京
本帖最后由 2005llnn 于 2025-12-25 10:26 编辑
. ^; c1 h0 f( ?/ C9 S1 h+ {4 j* A# `2 A2 U
交作业:1 Z$ a+ S0 ^' J0 J! {2 {) o& R% O
CAD几何作图竞赛题(2025年12月).rar (65.91 KB, 下载次数: 4)

评分

参与人数 2三维币 +320 收起 理由
2005llnn + 300 上期一等奖获得者不参与抽奖。
kuangben8 + 20 鼓励参与。

查看全部评分

发表于 2025-12-18 21:01:51 | 显示全部楼层 来自: 中国山东
本帖最后由 2005llnn 于 2025-12-25 10:26 编辑
; [* d1 j8 Q! S  c) X6 W; r$ B+ j" R; q$ e
交作业
8 G7 B8 V! V5 {3 r 202512.zip (51.65 KB, 下载次数: 4)

评分

参与人数 2三维币 +520 收起 理由
2005llnn + 500 二等奖
kuangben8 + 20 鼓励参与。

查看全部评分

发表于 2025-12-19 08:59:01 | 显示全部楼层 来自: 中国江苏苏州
本帖最后由 2005llnn 于 2025-12-25 10:27 编辑
5 F; ^" k. S( \6 _+ H% c, o: G2 n( V9 l3 ^
参与练习,提交作业。. c; G; U% k3 _) }; X

- }7 Y9 @1 `7 [4 {. y) a3 v0 G% O 12月份-中国核建标志-练习.rar (358.18 KB, 下载次数: 4)

评分

参与人数 1三维币 +20 收起 理由
kuangben8 + 20 鼓励参与。

查看全部评分

发表于 2025-12-21 15:53:42 | 显示全部楼层 来自: 中国江苏南通
本帖最后由 2005llnn 于 2025-12-25 10:27 编辑 8 D+ Y; J! N8 j6 T6 Y( H

6 f$ @5 D7 E; r! k; Y1 u2025.12交作业
4 X0 f$ m- r. M2 ~7 }/ C 202512.rar (146.45 KB, 下载次数: 4)

评分

参与人数 1三维币 +20 收起 理由
kuangben8 + 20 鼓励参与。

查看全部评分

发表于 2025-12-22 08:40:32 | 显示全部楼层 来自: 中国江苏苏州
本帖最后由 2005llnn 于 2025-12-25 10:28 编辑
( l2 V# [" E: I8 `" P( g% U' l5 ?
积极参加论坛活动。
; b5 ^3 K  d! c4 a9 h0 ?9 j 2025.12作业.rar (213.54 KB, 下载次数: 4)

点评

恭喜获得一等奖!  发表于 2025-12-28 23:17

评分

参与人数 1三维币 +20 收起 理由
kuangben8 + 20 鼓励参与。

查看全部评分

发表于 2025-12-22 15:29:48 | 显示全部楼层 来自: 中国四川成都
本帖最后由 2005llnn 于 2025-12-25 10:29 编辑   Q( i8 H8 B; d4 Y/ W7 ^
0 }( O- W) K0 P( ^5 W1 G# y4 M, S# R
2025年12月,交作业9 u  H) o: j, L8 C2 U
中国核建标志.png 0 k) {8 Q  d  {% ~' S
  p2 j/ V$ u6 w2 g; @- a6 Q4 |; ?
3 D2 o" f8 s' e+ a
中国核建标志.rar (115.07 KB, 下载次数: 4)

评分

参与人数 1三维币 +20 收起 理由
kuangben8 + 20 鼓励参与。

查看全部评分

发表于 2025-12-23 18:44:21 | 显示全部楼层 来自: 中国福建三明
本帖最后由 2005llnn 于 2025-12-25 10:31 编辑 . D2 J. F8 z4 K" N2 B3 q0 B
2005llnn 发表于 2025-12-17 11:32/ H  }  @  R% g# X
一.竞赛题目:CAD设计标志202512
1 R! B% {( |! y# ~" n) f! Z设计该标志CAD几何作图题,要求尺寸200,作出dwg图,并标出完成图形所需 ...
1 U8 Q: t- d! j; ]  j* Z# P
12月作图. P& Z* e  l/ p- N
12月作图.rar (98.13 KB, 下载次数: 4)

评分

参与人数 1三维币 +20 收起 理由
kuangben8 + 20 鼓励参与。

查看全部评分

 楼主| 发表于 2025-12-28 23:16:00 | 显示全部楼层 来自: 中国
12月28日七星彩开奖号码为8531871,开奖号码第一位的8为本期一等奖中奖号码,
  V( _5 {6 U% X9 u  z开奖号码第二位的5及第三位的3为本期二等奖中奖号码。+ m/ a" U; M' ?/ _$ d6 E5 H( J
恭喜会员zhangwp获得一等奖,奖品为100元购物款,请与版主2005llnn通过论坛短消息联系领奖。
$ Y$ Y; r7 n& ^( ~% C恭喜会员塔山817及会员TKG-09获得二等奖,各获得500三维币。8 |, e; {2 N* x$ A3 Z
12-28.jpg ! s9 x1 B; A# i& I/ F

0 V* A2 l: y5 d; H. l7 W  p
- g# x# E) @# i2 }7 r" E( P* a% z- n/ }

' J1 }* F( D: A/ t5 d- z
发表于 2026-1-12 11:14:49 | 显示全部楼层 来自: 中国江苏苏州
有幸此次获奖。感谢论坛,感谢版主的操办。
3 S) j) f2 F1 W' H. o7 }
图片.jpg
发表回复
您需要登录后才可以回帖 登录 | 注册

本版积分规则


Licensed Copyright © 2016-2020 http://www.3dportal.cn/ All Rights Reserved 京 ICP备13008828号

小黑屋|手机版|Archiver|三维网 ( 京ICP备2023026364号-1 )

快速回复 返回顶部 返回列表