QQ登录

只需一步,快速开始

登录 | 注册 | 找回密码

三维网

 找回密码
 注册

QQ登录

只需一步,快速开始

展开

通知     

全站
7天前
查看: 1443|回复: 1
收起左侧

[求助] 反面沉孔不能识别,“新版本”老问题,老方法。解决不了问题。

[复制链接]
发表于 2022-6-16 19:49:35 | 显示全部楼层 |阅读模式 来自: 中国重庆
安装
主题分类用于问题归类:

马上注册,结识高手,享用更多资源,轻松玩转三维网社区。

您需要 登录 才可以下载或查看,没有帐号?注册

x
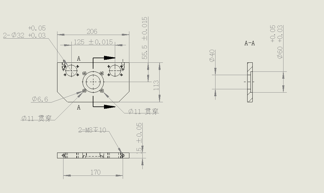
如题,以前用2017-SP5版,换18-SP5版后,出工程图遇到了,不能识别螺纹孔和反面沉孔。如图:请坛友们支支招,谢谢!
' |5 _/ {+ D: L* O# W0 K1:搜索过论坛,用论坛下载的calloutformat.txt替换过。无效。
3 X0 N1 @; O% y2 _' p3 q2:用别人正常的    “chinese-simplified“文件夹,替换过自已安装文件    C:\Program Files\SOLIDWORKS Corp\SOLIDWORKS\lang\下的”chinese-simplified“文件夹。仍然不行。# q7 F. P2 }& A" a1 i
2.png 1.png
' E" V2 ^; ?: Z, d" Y1 l
发表于 2022-6-17 10:54:58 | 显示全部楼层 来自: 中国河南洛阳
这个你看下三维模型里孔特征的标准是不是GB。网上下的一般是针对GB标准孔标注。
发表回复
您需要登录后才可以回帖 登录 | 注册

本版积分规则


Licensed Copyright © 2016-2020 http://www.3dportal.cn/ All Rights Reserved 京 ICP备13008828号

小黑屋|手机版|Archiver|三维网 ( 京ICP备2023026364号-1 )

快速回复 返回顶部 返回列表