QQ登录

只需一步,快速开始

登录 | 注册 | 找回密码

三维网

 找回密码
 注册

QQ登录

只需一步,快速开始

展开

通知     

全站
10天前
查看: 5610|回复: 9
收起左侧

[求助] 我这里有个水轮机叶片木模图,哪位帮画一下三维图啊

[复制链接]
发表于 2017-9-25 15:46:30 | 显示全部楼层 |阅读模式 来自: 中国四川乐山
安装
主题分类用于问题归类:

马上注册,结识高手,享用更多资源,轻松玩转三维网社区。

您需要 登录 才可以下载或查看,没有帐号?注册

x
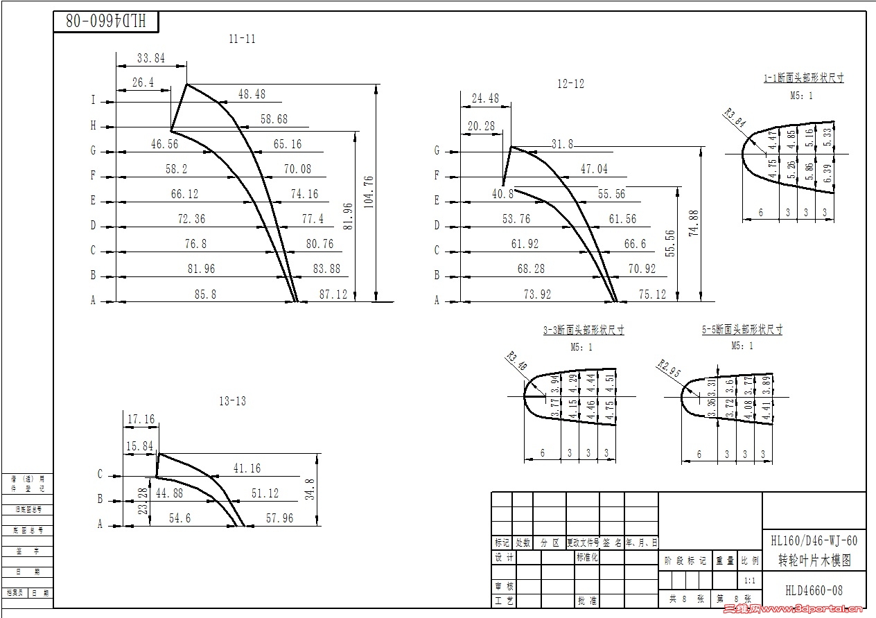
我这里有个水轮机叶片木模图,哪位帮画一下三维图啊,SW格式传上来,或发我邮箱:fishflat@qq.com。谢谢啊。 HLD4660-8.jpg # z' A' \( b' I1 r- }' B
# t& ^) I% M& V( i5 m- T" Q! Q, g
HLD4660-7.jpg   l/ \* E" Z$ j; X* e. [" y
7 t7 e* r" ~, _1 z! }6 B
HLD4660-6.jpg ; z4 x1 u9 F9 M& O. `8 ?; [/ b
HLD4660-5.jpg
! V7 G5 v+ e3 v( G( y HLD4660-4.jpg
7 X4 [/ U6 L- {( j) s( { HLD4660-3.jpg
% @. j, h+ {- f" s8 ? HLD4660-2.jpg % @+ r2 ]6 C; [3 }$ h- z
HLD4660-1.jpg " f4 N4 n% Y; Y" g3 @
8 w2 X( F2 p4 \0 o7 A* ^

7 I' E1 T% P& i+ c% c
6 B* P0 `. W: J" K. H! v" m1 F' R4 z+ F* j

1 V) J, ^, g" d8 F
/ \/ ]; Z" ?& K! g2 L1 C7 i& M# N; ~: B) D
. Z8 l; Z# \6 N1 T7 e

1 @8 Z, J7 o( u; a/ {# z
6 i9 ]0 j4 o. W1 A$ O# v, a
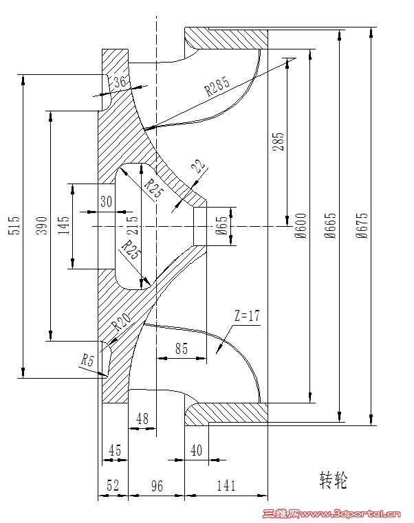
转轮.jpg
发表于 2017-9-25 15:57:43 | 显示全部楼层 来自: 中国广东肇庆
光看那些密密麻麻的阿拉伯数字就晕了,我举白旗。
发表于 2017-9-25 16:25:01 | 显示全部楼层 来自: 中国浙江温州
这东西如果又免费给你画的那真的是雷锋,起码1000元起步
发表于 2017-9-26 18:41:20 | 显示全部楼层 来自: 中国黑龙江哈尔滨
混流式转轮,是型谱上的吗?
发表于 2017-11-24 19:32:29 | 显示全部楼层 来自: 中国浙江杭州
10年前画过,现在不知道还能不能画,明天我试试吧7 w' t) h" j0 e7 |
发表于 2017-11-24 19:37:21 | 显示全部楼层 来自: 中国浙江杭州
最好再来份轴流叶片的
0 F- b5 r% r& m! M
发表于 2018-10-19 20:24:48 | 显示全部楼层 来自: 中国陕西西安
比较丑,新手学着画。
# `& ~: S: v0 o2 J' q7 j: s+ H; u0 O有几处实在不知道怎么弄算是作弊吧。4 P, c' l, W4 W
   1.用木模坐标建立草图
8 s# i4 \- \7 ]' t0 m3 v' i   2.放样拉伸
- M3 i% d. @) g3 x/ x! P$ i, S  [% G   3.镜像
* S$ y: v  q1 }叶片上面和上冠圆锥不知道怎么贴合,这里用作弊法。
: N: n" b( ?2 z+ w( C% O1,3,5头部不会用。还有第一张图里很多半径值,A数据不清楚用法。
Untitled.JPG
转轮剖视.JPG
发表于 2018-10-19 20:29:25 | 显示全部楼层 来自: 中国陕西西安
我画的图传不上去!!!!!嫌太大
发表于 2018-10-20 16:51:08 | 显示全部楼层 来自: 中国浙江金华
本帖最后由 xyz3456a 于 2018-10-20 16:52 编辑 6 z* G& l0 q1 Z9 G
oo029 发表于 2018-10-19 20:29: D) ^& J3 K- C! h" J" t, |
我画的图传不上去!!!!!嫌太大

" I8 @/ i( {* \; A/ f打包压缩一下,也传不上ma好像是限制4MB的大小
1 g5 s4 V, u  _) u; F+ M实在不行用网盘分享一下啊
$ _' m5 H9 \; I/ u; b
发表于 2018-10-25 16:54:24 | 显示全部楼层 来自: 中国上海
我估计这东西实际上加工应该直接读取的是三维模型,而不是看三视图来定义曲面。
发表回复
您需要登录后才可以回帖 登录 | 注册

本版积分规则


Licensed Copyright © 2016-2020 http://www.3dportal.cn/ All Rights Reserved 京 ICP备13008828号

小黑屋|手机版|Archiver|三维网 ( 京ICP备2023026364号-1 )

快速回复 返回顶部 返回列表