QQ登录

只需一步,快速开始

登录 | 注册 | 找回密码

三维网

 找回密码
 注册

QQ登录

只需一步,快速开始

展开

通知     

全站
9天前
查看: 1623|回复: 2
收起左侧

[分享] 水龍頭手把

[复制链接]
发表于 2017-7-20 13:43:30 | 显示全部楼层 |阅读模式 来自: 中国浙江嘉兴
特征建模
主题分类用于问题归类:

马上注册,结识高手,享用更多资源,轻松玩转三维网社区。

您需要 登录 才可以下载或查看,没有帐号?注册

x
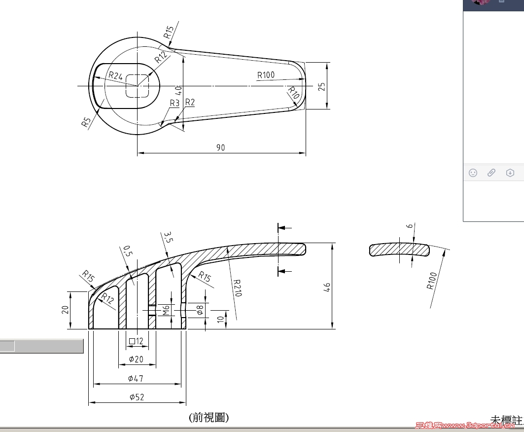
2017年丙級認證幾何網的練習題, I% O0 c; Q) j( k/ I* p; s2 ~6 x  K
. o' \" E: \& f- P& M/ I

' Z& p- G7 @! H5 C
! I0 U# [' e! E7 e, [, A0 Q 1486102269857.jpg   ~) b. }/ v- N0 U4 r2 v- r' w

  w- x/ C1 \$ ^( M( I3 V: S, Q# q( k! t6 h
作法參考) w# o1 i5 D, h+ C7 _& p# a3 `  u

; N# ]; {* X, L1 \# F. T 0.png
' k$ A4 n7 N" ?% }: o7 P2 o5 c3 [& ~- ~9 u- Z' ^  P8 l# ~
4.png
# w0 G+ m7 M" _- Q* V

评分

参与人数 1三维币 +3 收起 理由
阿帕奇 + 3

查看全部评分

发表于 2017-7-21 14:46:26 | 显示全部楼层 来自: 中国广东肇庆
本帖最后由 keilei001 于 2017-7-21 14:48 编辑
+ f4 J! q2 }* }' n+ a2 D* a: j: d1 T' \( S! D
练习一下,不知对不对。
; G0 A4 m/ r- E 2017-07-21_144254.png 0 F) G0 D, D. O8 A3 V6 H" X8 T

* R. c, r1 [& P, n 2017-07-21_144719.png
: d9 P1 {+ C/ M) u

评分

参与人数 1三维币 +3 收起 理由
阿帕奇 + 3

查看全部评分

 楼主| 发表于 2017-7-21 21:32:05 | 显示全部楼层 来自: 中国浙江嘉兴
keilei001 发表于 2017-7-21 14:46
; o3 T* _5 s- L; f% J& F练习一下,不知对不对。

: J! H  e9 `% v厚度6剖面的R100沒標示,就不知是否符合!
发表回复
您需要登录后才可以回帖 登录 | 注册

本版积分规则


Licensed Copyright © 2016-2020 http://www.3dportal.cn/ All Rights Reserved 京 ICP备13008828号

小黑屋|手机版|Archiver|三维网 ( 京ICP备2023026364号-1 )

快速回复 返回顶部 返回列表