QQ登录

只需一步,快速开始

登录 | 注册 | 找回密码

三维网

 找回密码
 注册

QQ登录

只需一步,快速开始

展开

通知     

全站
9天前
查看: 3008|回复: 8
收起左侧

[求助] 求助如何画闸阀阀体 没有思路

[复制链接]
发表于 2017-7-14 14:11:13 | 显示全部楼层 |阅读模式 来自: 中国浙江温州
安装
主题分类用于问题归类:

马上注册,结识高手,享用更多资源,轻松玩转三维网社区。

您需要 登录 才可以下载或查看,没有帐号?注册

x
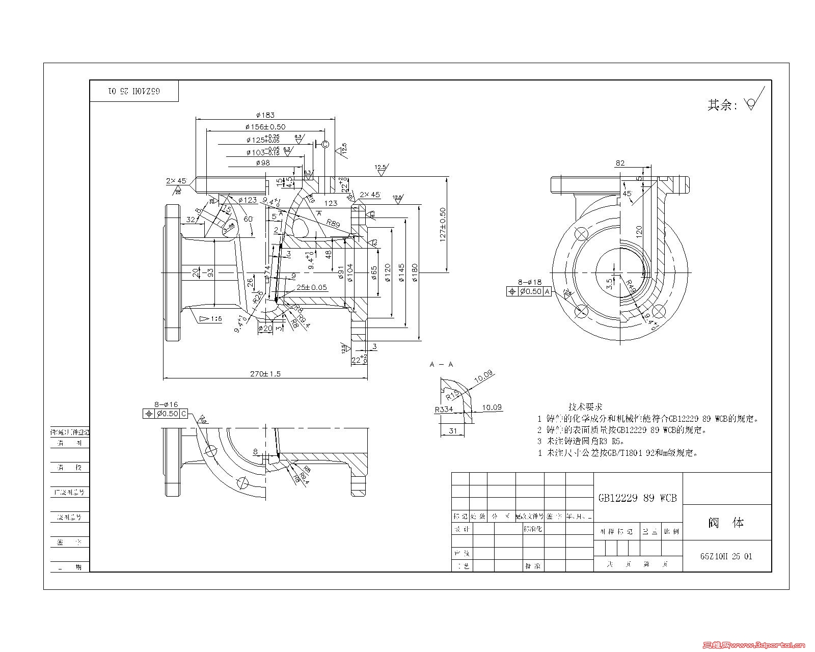
这是闸阀 阀体,哪位师傅可以教教怎么画,本人有sw 夜校毕业的基础。 QQ:357220067,真心求教 1 A' C' D6 R2 B0 Z: V. m
阀体-布局1.jpg
发表于 2017-7-14 19:29:37 | 显示全部楼层 来自: 中国河南新乡
先把水平向外形用旋转特征做出来,不带孔,再把竖立方面的外形用扫描特征做出来,上法兰用旋转特征做出来,做筋等,最后再做孔,仔细考虑应该能画出来的
 楼主| 发表于 2017-7-15 16:15:13 | 显示全部楼层 来自: 中国浙江温州
肚子那里 怎么扫
发表于 2017-7-20 20:08:25 | 显示全部楼层 来自: 中国湖北襄阳
 楼主| 发表于 2017-7-21 15:44:11 | 显示全部楼层 来自: 中国浙江温州
那论坛现在注册不人了。
发表于 2017-7-26 23:21:32 | 显示全部楼层 来自: 中国上海
链接:http://pan.baidu.com/s/1i53jdfn 密码:qkuo  有类似的教程,你看看吧。有需求可以联系我QQ375633580
发表于 2017-7-27 22:37:24 | 显示全部楼层 来自: 中国广东肇庆
本帖最后由 keilei001 于 2017-7-29 21:47 编辑 * }3 K1 F1 v' j4 q, f/ @
# k) X( y0 o, U7 U
练习了一下,对图纸中的有些尺寸理解不透彻,所以没完全按图纸细节画。$ d' L' `, c2 p- T/ V6 ~
. F: k8 l+ N. N: A! F8 J5 V2 L
10.gif
发表于 2017-7-27 22:49:02 | 显示全部楼层 来自: 中国广东肇庆
本帖最后由 keilei001 于 2017-7-29 21:48 编辑 1 S3 g. U6 w7 {; {! y, `6 G' h* O
! ?* ~* c: w4 v. d8 ^# j
2017-07-29_210117.png 6 {# h9 E$ U5 r0 Y" Y/ {' x1 ^' O/ z" Q
- ^, H% S$ B( U! }8 [
2017-07-29_210150.png : E$ T: T/ Z1 h8 \% p
* d1 E( ~, _' i3 Y# C' w+ K. B

* w" {8 V' I8 r$ A
6 V8 Q/ H8 M. p9 f1 `1 A2 R* {+ K& }- s* q( G+ ]) ]5 n
发表于 2017-8-2 07:10:19 | 显示全部楼层 来自: 中国江苏苏州
: U/ J/ m9 P0 f1 ]
大神厉害啊,这个都能画出来
发表回复
您需要登录后才可以回帖 登录 | 注册

本版积分规则


Licensed Copyright © 2016-2020 http://www.3dportal.cn/ All Rights Reserved 京 ICP备13008828号

小黑屋|手机版|Archiver|三维网 ( 京ICP备2023026364号-1 )

快速回复 返回顶部 返回列表