|
|

楼主 |
发表于 2017-4-22 20:27:47
|
显示全部楼层
来自: 中国广东中山
本帖最后由 guanfaping001 于 2017-4-22 20:35 编辑
' s1 ~" b' K0 D# U# h2 K6 ]' `/ k1 p/ _ o: [+ ]) z4 }& ?" S
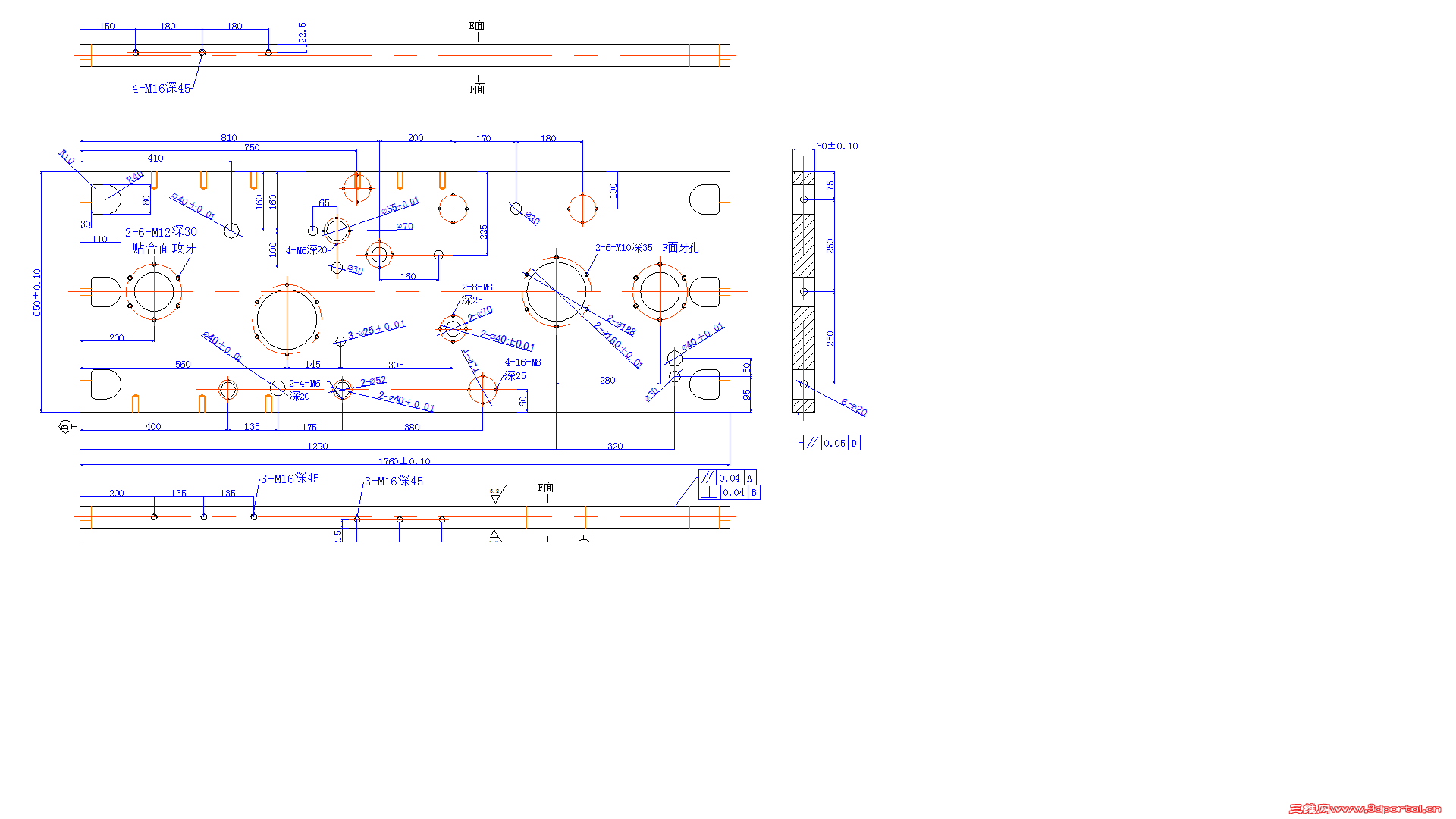
各位高手、前辈,我一个人画台像这样10多米长的机器(复合机),结构不算太复杂,以传动为主,要用两个多月,是不是真的太慢了。我们的零部件多数都是外加工,不标清楚点,一是人家不明白,二是出了错,老板会责怪,自己不好过。另外,我在实体建模前,也是用了图块构思出整机的,如附图。
: s6 |9 ]. i4 o 还有没有什么办法更快点?
2 ]4 Z1 v& }' h2 d3 A8 h# } 现在都不知该怎么办了?都快被炒鱿鱼了。救救我吧. 还有就是,以前的那种表示方法(CAD的,第一张图)好,还是后面的我现在的表示方法好?第一种简单,快,但个人觉得不是很清楚,因为别人加工容易看错,导致回来的零件总有问题;但我的似乎也不太好,所以请问大家,还有没有其它的方式表达呢?
+ ^4 J( d1 y% a% M: W% D |
|