QQ登录

只需一步,快速开始

登录 | 注册 | 找回密码

三维网

 找回密码
 注册

QQ登录

只需一步,快速开始

展开

通知     

全站
9天前
查看: 2331|回复: 10
收起左侧

[讨论] 薄板T2长1800mm板折弯

[复制链接]
发表于 2016-12-13 19:45:20 | 显示全部楼层 |阅读模式 来自: 中国山东日照
钣金
主题分类用于问题归类:

马上注册,结识高手,享用更多资源,轻松玩转三维网社区。

您需要 登录 才可以下载或查看,没有帐号?注册

x
请大家看看一下哪个折弯方案好一下。说明优缺点) S% A) E/ G% S& @
搜狗截图20161213194057.png
发表于 2016-12-13 20:42:09 | 显示全部楼层 来自: 中国江苏苏州
楼主是做钣金的吗?( Z# i6 z1 g5 d% V  N" _! W
发表于 2016-12-14 09:50:26 | 显示全部楼层 来自: 中国湖北武汉
你就根据一块板长胡乱折什么,折出来做什么用的,什么要求都没有,弹什么优缺点啊
发表于 2016-12-14 10:43:37 | 显示全部楼层 来自: 中国北京
本帖最后由 zhutj 于 2016-12-14 10:46 编辑
/ f+ m( W6 n( S% U5 W7 T" c. c! D2 h# ]1 W/ }1 E& n" @
第一种 直接就能折,如果能折就直接折  省的在焊接一次- d7 \6 r4 s+ A
钣金  钣筋   每个弯都是一到筋  弯越多 强度越好    但是精度不好保证   这要根据你加工工艺 取舍
8 X7 t, }3 K, n2 `6 p& v; w9 R6 y
发表于 2016-12-14 10:57:17 | 显示全部楼层 来自: 中国上海
具体的折弯方式,是与零件的尺寸要求有关系的。LZ最好是能提供图纸要求,才能够正确的解答。) H$ r$ o1 m' c  _' n
冒昧说一句,LZ不是做钣金设计的,因为提供的两种折弯方式均不是理想的方式。
发表于 2016-12-14 15:40:11 | 显示全部楼层 来自: 中国辽宁营口
第二个折弯顺序,折弯刀根本深不进去。& n+ f2 H1 u0 J$ S
第一个折弯顺序,折弯刀能做到,但工人操作麻烦。( r& X3 h4 D5 H% _
 楼主| 发表于 2016-12-14 16:09:40 | 显示全部楼层 来自: 中国山东临沂
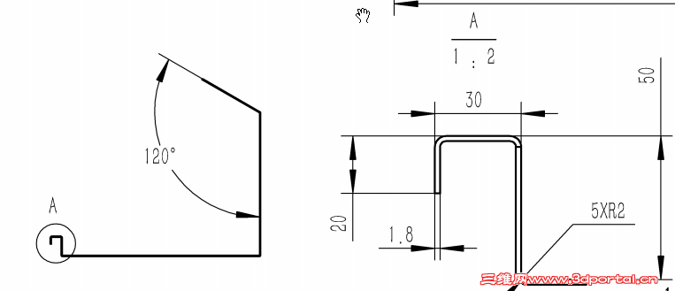
不好意思,问题没说明白,现在把图纸图片上传了
5 B9 P- S$ C$ i+ s1 ~
uuu.png
yy.png
RRR.png
tt.png
发表于 2016-12-14 17:29:05 | 显示全部楼层 来自: 中国上海
这样的结构在折边机上操作比较麻烦,以前我通常是在液压机上使用通用模具压边而成。
& {+ I* O& r3 R6 g, u% i顺序是:折小端20边--折小端30边(折边工具设计成缺口形式变于让边)--折反向边--折120度角--折90度角。
7 X  D/ W# }# _7 E& U9 R通用模具设计时考虑到限位,并可以调整。
发表于 2016-12-14 21:47:47 | 显示全部楼层 来自: 中国江苏苏州
楼主,都说了,如果有非90度的折弯,折弯机要用专用V槽,要不就上P4,我们公司专业做高低压电气柜壳体的。90度不复杂折弯在数控折弯机上加工,可折弯T小于或等于4mmX2500mm板材,有非90度折弯的,上P4加工。
发表于 2016-12-14 21:51:58 | 显示全部楼层 来自: 中国广东佛山
这个零件一般数控折弯机用直刀都能折弯,尺寸足够大,没有任何难度,一般师傅按20、30、52、120°,最后折最大的那个90°的顺序折弯。
发表于 2016-12-15 09:05:28 | 显示全部楼层 来自: 中国四川乐山
我我只想说,外行看热闹,内行看门道!这就一普通钣金加工,整的跟用微积分解小学方程是的
发表回复
您需要登录后才可以回帖 登录 | 注册

本版积分规则


Licensed Copyright © 2016-2020 http://www.3dportal.cn/ All Rights Reserved 京 ICP备13008828号

小黑屋|手机版|Archiver|三维网 ( 京ICP备2023026364号-1 )

快速回复 返回顶部 返回列表