QQ登录

只需一步,快速开始

登录 | 注册 | 找回密码

三维网

 找回密码
 注册

QQ登录

只需一步,快速开始

展开

通知     

全站
10天前
查看: 1985|回复: 2
收起左侧

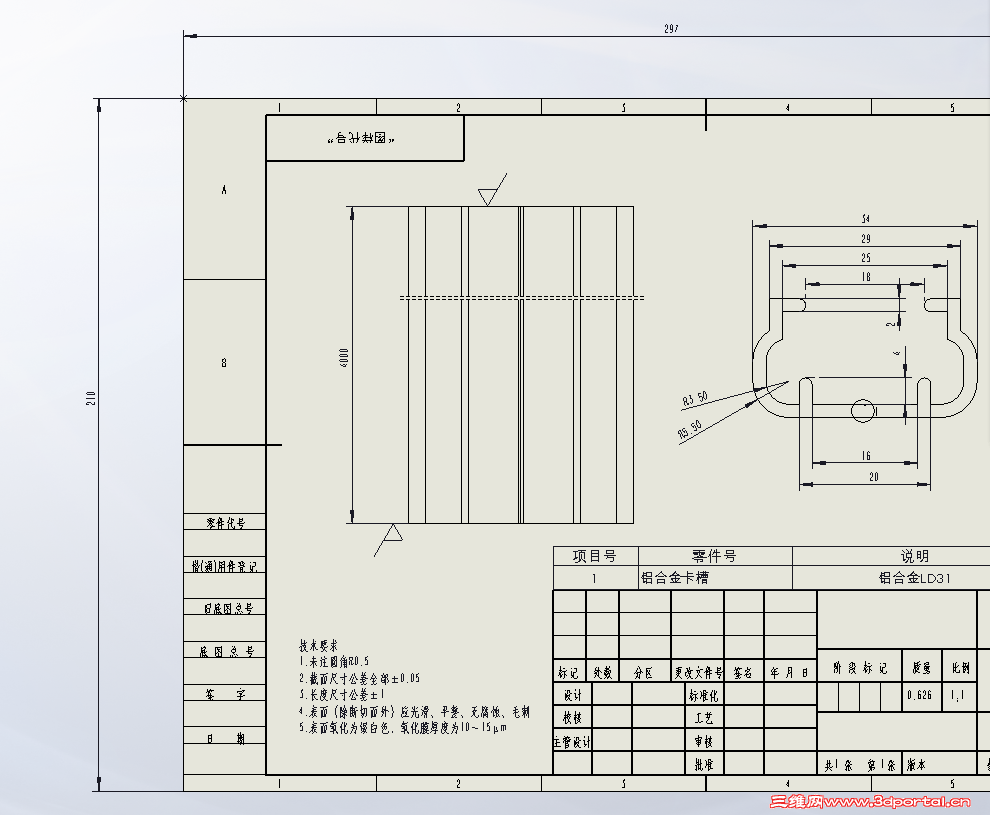
[求助] 在A4图框里放入4M长的零件 ,怎么断裂视图后零件还是不缩小

[复制链接]
发表于 2016-11-29 10:19:38 | 显示全部楼层 |阅读模式 来自: 中国江苏泰州
工程图
主题分类用于问题归类:

马上注册,结识高手,享用更多资源,轻松玩转三维网社区。

您需要 登录 才可以下载或查看,没有帐号?注册

x
$%WMV3T50SGEWBEY[7XV.png C8DE.tmp.png 我怎么弄都没实现左图的效果,求热心人指教下; |; ?& p6 {  V7 T" }6 ?
发表于 2016-11-29 12:39:05 | 显示全部楼层 来自: 中国辽宁营口
拖动上面的断裂线,向上拉;& ^# B' ]- Q/ s( C& n4 \" e
拖动下面的断裂线,向下拉。; c4 j/ P& x8 {& m4 r6 h
拉着拉着,就短了
发表于 2016-11-29 19:41:20 | 显示全部楼层 来自: 中国广东深圳
在已经插入了断裂线的视图中点鼠标右键,在弹出的菜单中选择 显示断裂
发表回复
您需要登录后才可以回帖 登录 | 注册

本版积分规则


Licensed Copyright © 2016-2020 http://www.3dportal.cn/ All Rights Reserved 京 ICP备13008828号

小黑屋|手机版|Archiver|三维网 ( 京ICP备2023026364号-1 )

快速回复 返回顶部 返回列表