QQ登录

只需一步,快速开始

登录 | 注册 | 找回密码

三维网

 找回密码
 注册

QQ登录

只需一步,快速开始

展开

通知     

全站
8天前
查看: 4660|回复: 14
收起左侧

[已解决] 这么大的卷圆怎么翻边

[复制链接]
发表于 2006-10-18 18:26:23 | 显示全部楼层 |阅读模式 来自: 中国上海

马上注册,结识高手,享用更多资源,轻松玩转三维网社区。

您需要 登录 才可以下载或查看,没有帐号?注册

x
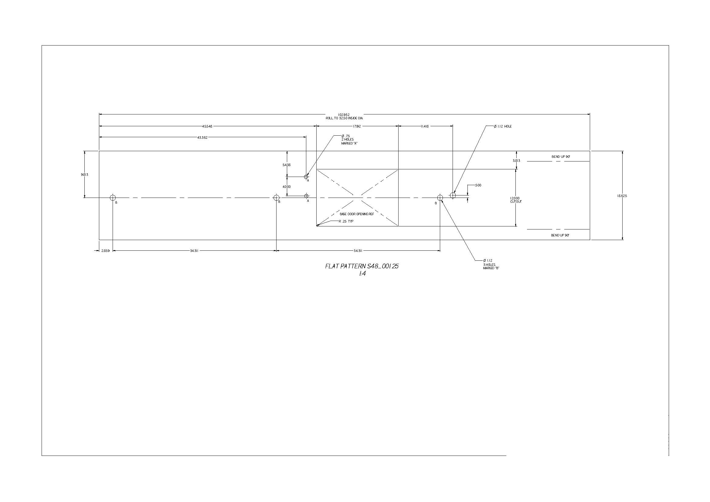
求助高人,知道这个零件是用怎样的模具或设备加工出来的;有谁可以推荐一下上海的厂家?
* Y: l1 y9 {1 K9 K1 E0 I3 d3 Y图纸见附件;注意:这个零件上的法兰是一体的,不允许焊接出来
2 S; U1 T" d% h9 F4 [/ G
% l4 m& t9 D. X% g非常感谢!!

S4800125_CH.pdf

56.87 KB, 下载次数: 40

发表于 2006-12-4 14:06:36 | 显示全部楼层 来自: 中国北京
中间留一条焊缝是否要对接?
发表于 2007-3-19 04:00:49 | 显示全部楼层 来自: 中国辽宁鞍山
用滚压装置就能加工出来.
发表于 2007-3-19 10:21:19 | 显示全部楼层 来自: 中国山西长治
先用板料,冲孔,下料.
& x8 W* X3 A$ c+ a4 i0 |6 U然后再铆钉成筒形.
$ F4 R  W1 u+ v9 ~8 \* x最后再翻边!

评分

参与人数 1三维币 +3 收起 理由
sxw68 + 3 应助

查看全部评分

发表于 2007-5-28 22:45:15 | 显示全部楼层 来自: 中国山东淄博
支持4#楼的说法.good
发表于 2007-6-2 16:31:38 | 显示全部楼层 来自: 中国上海
落料,冲孔,滚轧成形后焊接.
+ ^% d4 L& ~% _  e8 I! b4 \# y& J: l9 h2 {* e
7 Q6 I* S! ]" `! I) o
楼主要求是不能銲接的' t5 g3 S0 F5 u
  h- ^& o+ v% Y% J. H; q7 N
[ 本帖最后由 阿帕奇 于 2007-6-2 16:44 编辑 ]
发表于 2007-6-5 10:19:38 | 显示全部楼层 来自: 中国广东中山
法兰边除了翻边,也可以采用旋压成型的办法& ~5 U/ N: H% g: |! X
: C& ?: H6 U9 Z7 R& Q( Z  M1 f* e
[ 本帖最后由 mr.lee 于 2007-6-5 10:21 编辑 ]
S4800125_CH_页面_1.jpg
S4800125_CH_页面_2.jpg
发表于 2007-6-8 00:23:47 | 显示全部楼层 来自: 中国河北唐山
我的工艺,下料、冲孔、卷圆桶焊接、磨焊口、最后用三滚卷板机安装专用滚轮分两次辊压成型。这样成本不是很高能够搞定!但那个桶壁的大方孔好像还要研究,应该是卷完以后加工,关键是用什么方法去除。还有法兰上的孔也要辊压以后再弄。9 a- X. |2 B3 s8 _

$ ]5 V5 E; Z2 _- M[ 本帖最后由 apollomq 于 2007-6-8 00:38 编辑 ]

评分

参与人数 1三维币 +3 收起 理由
mr.lee + 3 鼓励参与

查看全部评分

发表于 2007-6-13 20:29:50 | 显示全部楼层 来自: 中国河南南阳
下料------拉深(带凸缘)--------冲底孔------------ 卷缘(车床修边及旋压)------成品  绝对不用焊接
8 s% r7 M  }% c$ y8 S' G) g% y1 Q6 G8 [4 @  W% \0 V
[ 本帖最后由 xutaoddd 于 2007-6-13 20:32 编辑 ]

评分

参与人数 1三维币 +3 收起 理由
mr.lee + 3 鼓励参与

查看全部评分

发表于 2007-6-13 20:56:13 | 显示全部楼层 来自: 中国山东潍坊
下料.冲孔,冲切口,卷圆,焊接用自动氩弧焊,磨焊口,液压涨型翻边一次成形,最后钻法兰孔.

评分

参与人数 1三维币 +3 收起 理由
mr.lee + 3 鼓励参与

查看全部评分

发表于 2007-7-8 20:34:15 | 显示全部楼层 来自: 中国江苏扬州
这个我也不知道呀!!
发表于 2009-5-17 07:59:38 | 显示全部楼层 来自: 中国山东潍坊
这好像是薄板钣金件,看不清图纸
发表于 2009-5-17 12:58:18 | 显示全部楼层 来自: 中国浙江宁波
看不懂哦看不懂哦
发表于 2009-7-4 15:40:23 | 显示全部楼层 来自: 中国贵州遵义

回复 9# xutaoddd 的帖子

差不多5MM的板啊,能拉伸??
发表于 2009-7-4 15:45:50 | 显示全部楼层 来自: 中国贵州遵义
这个好象是轴流风机的外壳,工艺如下:开料--冲方孔--卷圆---焊接--辊边--钻孔
发表回复
您需要登录后才可以回帖 登录 | 注册

本版积分规则


Licensed Copyright © 2016-2020 http://www.3dportal.cn/ All Rights Reserved 京 ICP备13008828号

小黑屋|手机版|Archiver|三维网 ( 京ICP备2023026364号-1 )

快速回复 返回顶部 返回列表