QQ登录

只需一步,快速开始

登录 | 注册 | 找回密码

三维网

 找回密码
 注册

QQ登录

只需一步,快速开始

展开

通知     

查看: 1787|回复: 7
收起左侧

[求助] 这个文件怎么出工程图

[复制链接]
发表于 2016-4-23 18:09:14 | 显示全部楼层 |阅读模式 来自: 中国广东佛山
安装
主题分类用于问题归类:

马上注册,结识高手,享用更多资源,轻松玩转三维网社区。

您需要 登录 才可以下载或查看,没有帐号?注册

x
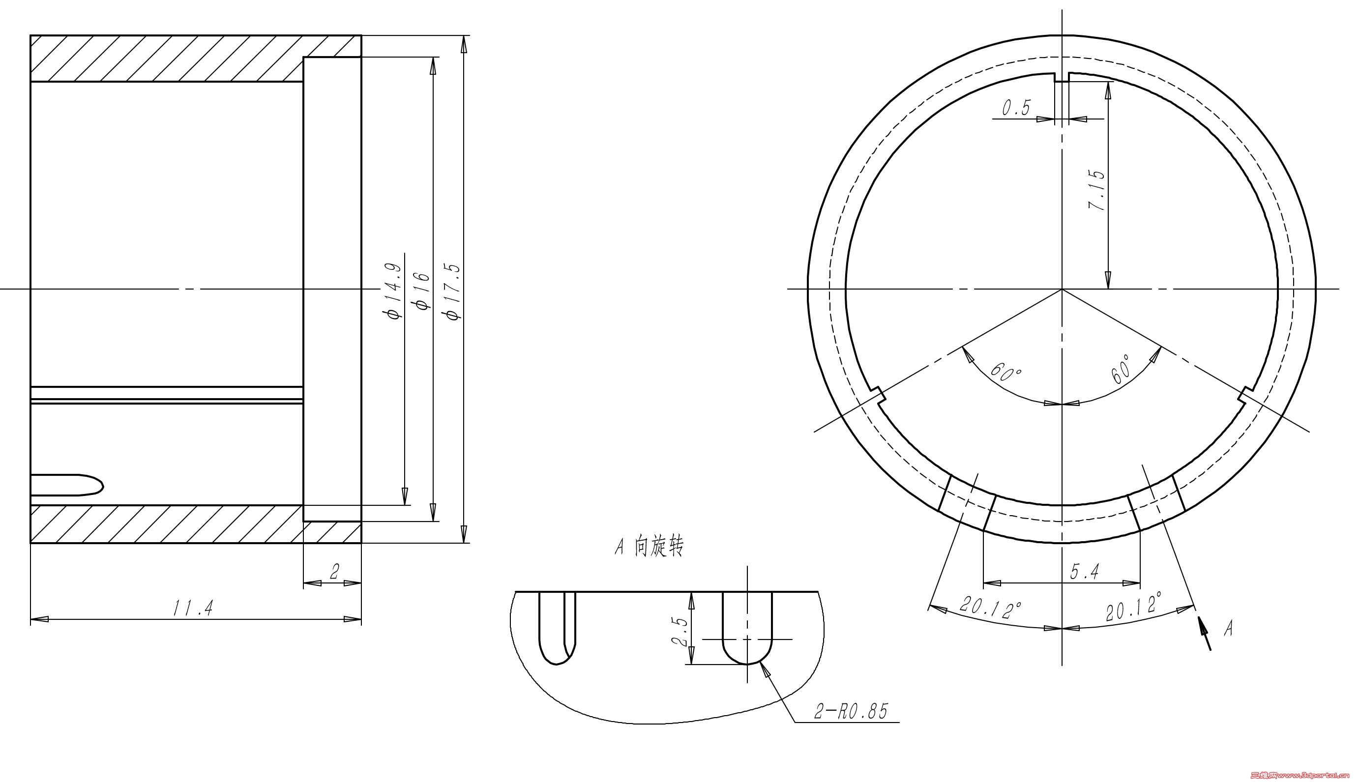
这个文件,我不知道怎么画剖视图,求助各位大神。
- l1 N4 I( A/ [& B) L

11.5防水外壳2.rar

122.6 KB, 下载次数: 29

发表于 2016-4-23 20:26:08 | 显示全部楼层 来自: 中国四川攀枝花
本帖最后由 pzhzshun 于 2016-4-24 00:49 编辑 % d# q- V' G  `: t

2 E2 E( T! q* t楼主看看,这样出可以不?) E* {$ x- Y1 w0 _& P
11.5防水外壳2 - 图纸1.jpg
$ P+ T8 G& X. O
8 d. ]* _8 e2 a: s6 ]
发表于 2016-4-23 20:32:22 | 显示全部楼层 来自: 中国四川攀枝花
本帖最后由 pzhzshun 于 2016-4-24 00:49 编辑
5 \: p- C! I4 _
7 z: j( j/ W+ u6 g9 U" {补上工程图文件。
5 B. b. [2 d: [$ z8 _sw 2016 版文件: 11.5防水外壳2.rar (366.54 KB, 下载次数: 18)
 楼主| 发表于 2016-4-23 23:58:27 | 显示全部楼层 来自: 中国广东佛山
谢谢大神,麻烦问一下你那个A向向视图选的哪条线才生成的?
发表于 2016-4-24 00:14:02 | 显示全部楼层 来自: 中国四川攀枝花
本帖最后由 pzhzshun 于 2016-4-24 00:30 编辑
7 g6 H1 f& K6 Y7 t
zhenghua235 发表于 2016-4-23 23:58
( Y( n" _5 o$ d谢谢大神,麻烦问一下你那个A向向视图选的哪条线才生成的?
% ^* i" V9 A6 X
大神可不敢当。
# }2 j* G8 ^8 a, I( H/ \- N% L$ G7 j5 O$ l
我在『拉伸3』的草图里添加了一根和切除线垂直的辅助线。
9 x- ]3 {% Y8 s! m' r  _工程图里 A 向视图就选的这根线,选好后再把草图隐藏,就看不到了。
5 b, [: k8 W! G  v- _5 `' x+ T 快照1.jpg
- l2 X4 U! J  m" ?7 E$ H8 }" X- J% ~
快照2.jpg
* x" f; ~2 t6 g. A# v
: r1 h+ p) u* \- w( s' O. f8 g% i
发表于 2016-4-24 22:51:59 | 显示全部楼层 来自: 中国安徽蚌埠
本帖最后由 jinqin11 于 2016-4-24 22:54 编辑
- s4 N, ^0 Z5 C0 G+ E$ N) p& {9 ^! G/ K* o8 R! N: H
三视图+旋转剖视
0424.png
发表于 2016-4-24 23:23:02 | 显示全部楼层 来自: 中国四川攀枝花
jinqin11 发表于 2016-4-24 22:51
8 ^) V$ P6 `1 |" W6 d三视图+旋转剖视

9 {% Q" l% _# S1 S+ t& O% O* `7 _楼主零件图中,下面两个槽的中心不过圆心的。
3 _4 ~- F& Y* W7 d0 @7 L你的视图中也没有表达出槽底部的形状。
发表于 2016-4-25 09:22:15 | 显示全部楼层 来自: 中国安徽蚌埠
pzhzshun 发表于 2016-4-24 23:23
, z% |1 q$ k3 ~: t/ K0 S" O楼主零件图中,下面两个槽的中心不过圆心的。1 R5 P# C* `; T9 z
你的视图中也没有表达出槽底部的形状。
, D% J7 m; F1 n" D
不过中心的话,楼主本身标注有问题,还有加上中心的位置
发表回复
您需要登录后才可以回帖 登录 | 注册

本版积分规则


Licensed Copyright © 2016-2020 http://www.3dportal.cn/ All Rights Reserved 京 ICP备13008828号

小黑屋|手机版|Archiver|三维网 ( 京ICP备2023026364号-1 )

快速回复 返回顶部 返回列表