QQ登录

只需一步,快速开始

登录 | 注册 | 找回密码

三维网

 找回密码
 注册

QQ登录

只需一步,快速开始

展开

通知     

查看: 1362|回复: 2
收起左侧

[原创] 文件

[复制链接]
发表于 2016-1-29 13:48:52 | 显示全部楼层 |阅读模式 来自: 中国湖北十堰

马上注册,结识高手,享用更多资源,轻松玩转三维网社区。

您需要 登录 才可以下载或查看,没有帐号?注册

x
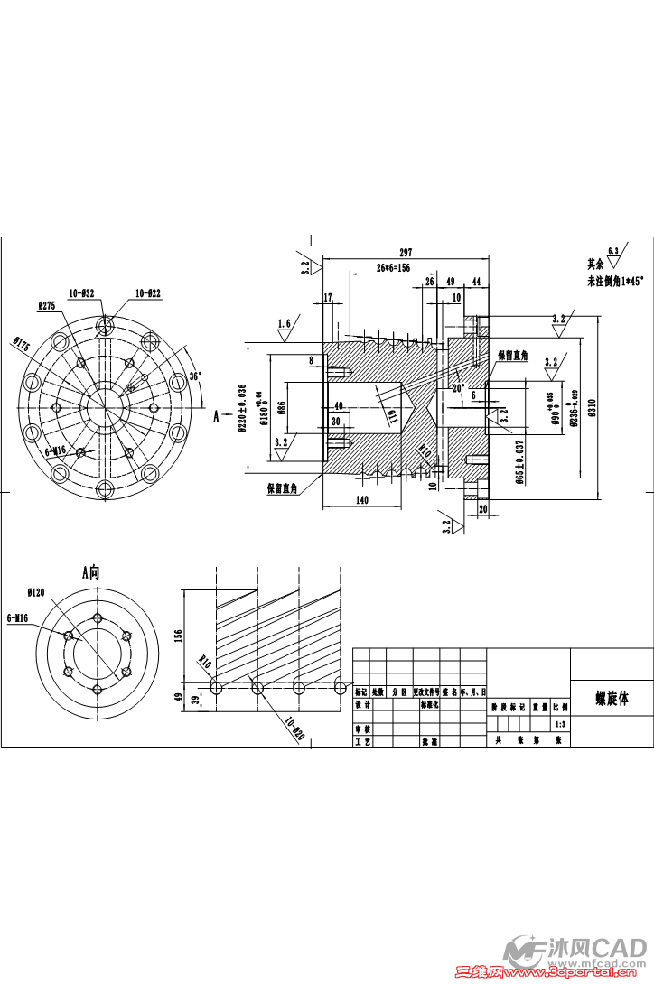
螺旋体用ug画一下" J( ^1 ]' x2 y3 B
1获.PNG

11.pdf

114.25 KB, 下载次数: 14

 楼主| 发表于 2016-1-29 13:49:53 | 显示全部楼层 来自: 中国湖北十堰
$ E6 I, q, b/ F$ |
螺旋体用ug8.5画一下
164505mbbk8utrfk84dtln.png
发表于 2016-2-28 19:17:56 | 显示全部楼层 来自: 中国浙江嘉兴
谢谢楼主分享!
发表回复
您需要登录后才可以回帖 登录 | 注册

本版积分规则


Licensed Copyright © 2016-2020 http://www.3dportal.cn/ All Rights Reserved 京 ICP备13008828号

小黑屋|手机版|Archiver|三维网 ( 京ICP备2023026364号-1 )

快速回复 返回顶部 返回列表