QQ登录

只需一步,快速开始

登录 | 注册 | 找回密码

三维网

 找回密码
 注册

QQ登录

只需一步,快速开始

展开

通知     

查看: 5819|回复: 45
收起左侧

[分享] 一套双缸蒸汽机模型的图纸

[复制链接]
发表于 2016-1-28 14:08:18 | 显示全部楼层 |阅读模式 来自: 中国广东肇庆

马上注册,结识高手,享用更多资源,轻松玩转三维网社区。

您需要 登录 才可以下载或查看,没有帐号?注册

x
本帖最后由 keilei001 于 2019-10-13 23:57 编辑
: P5 d- L2 O* f7 ~7 W
3 p" N4 r5 H9 i# e0 j  n  L图纸是pdf格式,有零件图和装配图,适合用来练习建模和装配。
- e3 A3 U/ T# d+ I) \* D, o5 A
2 }4 s5 l; H& {1 I, V0 w& g! i Snap1.jpg * k# Z; c9 m& B( W- f

5 V5 t' t3 n8 x# t( ] PDF Files.rar (3.54 MB, 下载次数: 325)

评分

参与人数 1三维币 +3 收起 理由
阿帕奇 + 3

查看全部评分

发表于 2016-1-28 14:12:32 | 显示全部楼层 来自: 中国江苏苏州
谢谢 分享,看看从中是否能有收获。。。
发表于 2016-1-28 14:13:53 | 显示全部楼层 来自: 中国台湾
感谢分享, 感谢分享!
发表于 2016-1-28 14:59:13 | 显示全部楼层 来自: 中国浙江嘉兴
謝謝分享
发表于 2016-1-28 15:07:04 | 显示全部楼层 来自: 中国四川乐山
不认识外国文字,幸好认识数字
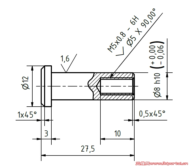
& `; _; S7 b8 f2 t1 V怎么都感觉外国的工艺是牛13,攻丝都能把底孔攻完……
QQ截图20160128150403.jpg
发表于 2016-1-28 15:45:28 | 显示全部楼层 来自: 中国江苏苏州
下载看看谢谢
发表于 2016-1-29 08:32:01 | 显示全部楼层 来自: 中国台湾
感謝樓主的
! V8 ^6 ?# [$ [0 O分享
$ c- \1 D- `' z" R( s9 S' ]& |
发表于 2016-1-29 08:39:10 | 显示全部楼层 来自: 中国北京
谢谢分享。。。。。。。。。。。。
 楼主| 发表于 2016-1-29 10:12:28 | 显示全部楼层 来自: 中国广东肇庆
本帖最后由 keilei001 于 2016-1-29 10:18 编辑 ! _6 F- L5 p2 Q5 h5 O6 |

9 _, Y8 j# `8 v5 F) `给大家看看最简易的Stirling发动机
( R6 R$ T4 u+ A3 A+ U
( Y: k5 H! i" E5 T( y

点评

妖哥这么多好资料,赞!  发表于 2016-2-2 23:00
发表于 2016-1-29 22:33:41 | 显示全部楼层 来自: 中国江苏苏州
有个问题一直困扰着我,如下图所示,相同零件序号是如何排在一起的?请001老师教一下好吗!!!* D' t" N, ]8 b% B7 H' E
捕获.PNG
+ K# |! ]- I7 o. v7 B  b$ ], ~9 J  m; {4 ]5 f1 x6 |; J; u
发表于 2016-2-2 16:55:47 | 显示全部楼层 来自: 中国上海
wenmk123 发表于 2016-1-29 22:33/ A, u0 u7 ?* G9 G& z5 W
有个问题一直困扰着我,如下图所示,相同零件序号是如何排在一起的?请001老师教一下好吗!!!

/ b) y7 @; i7 F  i* g这个简单,在插入/注释/成组的零件号,就可以了

点评

助人为乐,赞!  发表于 2016-2-2 23:01
发表于 2016-2-2 21:14:23 | 显示全部楼层 来自: 中国江苏苏州
susan149728 发表于 2016-2-2 16:552 o% I  k$ V; R
这个简单,在插入/注释/成组的零件号,就可以了
3 v0 S0 V) n6 w/ d
谢谢朋友指点,我试一下!!
发表于 2016-2-2 22:37:49 | 显示全部楼层 来自: 中国陕西西安
啥都没准 发表于 2016-1-28 15:074 X( N, h2 u! n
不认识外国文字,幸好认识数字
' _9 _# o8 R6 ~' |9 Q怎么都感觉外国的工艺是牛13,攻丝都能把底孔攻完……

; x  ^: C1 k9 c8 q老兄看图仔细,这可能是简画出来的,设计者要求的应该是有效螺纹深度为10,底孔深度不明确时应该按标准来。
发表于 2016-2-2 22:44:43 | 显示全部楼层 来自: 中国陕西西安
画图者好象是新手,细节处有问题,如下图,螺钉头部是什么样子?内六角、一字槽?要不然如何把紧螺钉呢。$ D0 p- h9 R/ ]$ Q0 w

. U5 I/ L. k3 ]: b$ w 1.PNG
发表于 2016-2-3 00:07:48 | 显示全部楼层 来自: 中国广东东莞
duxiang 发表于 2016-1-28 15:45- M) j5 D! o) H# b6 x( q8 R1 l
下载看看谢谢

8 V: K" E5 H3 M; o+ ^7 N9 @thanks  a lot!!
发表于 2016-2-3 01:13:14 | 显示全部楼层 来自: 中国广东广州
啥都没准 发表于 2016-1-28 15:07
6 R0 l7 ]& y6 Z9 B, j3 \: C  v不认识外国文字,幸好认识数字
. n5 Q5 @/ G! M2 e. D) u怎么都感觉外国的工艺是牛13,攻丝都能把底孔攻完……

3 V8 X/ Z; ^9 E) X& @" b! \是的,看了此M5螺纹,也是佩服,心里默默为中国制造的未来担心。不过您这截图里,也没有外国字呀。其实这底孔完全可以再画深些。
发表于 2016-2-3 01:19:42 | 显示全部楼层 来自: 中国广东广州
啥都没准 发表于 2016-1-28 15:07
- j' T3 t7 y: I4 R5 ~6 r* w& G* e不认识外国文字,幸好认识数字
3 L4 y  U; K8 M3 ?怎么都感觉外国的工艺是牛13,攻丝都能把底孔攻完……

) R: B  w3 [2 Z7 |) o这个螺纹,就麻烦了。深度18,是牙深,还是孔深?2 }2 h# U2 Y5 V( E1 ]
9 e; c$ K, [  ~6 _- l6 c6 R9 ?) D
2016-02-03_1-16-39.jpg 4 i1 \" I& ~$ I1 X
发表于 2016-2-3 08:28:50 | 显示全部楼层 来自: 中国四川乐山
datafield 发表于 2016-2-3 01:139 i4 W8 ^  @* T7 l/ q4 p9 X
是的,看了此M5螺纹,也是佩服,心里默默为中国制造的未来担心。不过您这截图里,也没有外国字呀。其实这 ...
+ I, I1 ]. r8 @# n
正如楼主所说,图纸要表达的是螺纹深度,也许螺纹简化了吧,呵呵,反正国标没有这么干的
发表于 2016-2-3 08:31:50 | 显示全部楼层 来自: 中国四川乐山
datafield 发表于 2016-2-3 01:19
+ `* n+ h9 ?- A! n/ C' U" y这个螺纹,就麻烦了。深度18,是牙深,还是孔深?
  L$ r/ I# W* ~6 J4 U. @
这个螺纹,以鄙人看来,确实有问题,如果不给定底孔深度,直径7mm的尺寸还是给公差的应该在这个地方有配合,底孔深度掌握不好,7mm孔的深度就是不定值,除非,深度方向没要求,个人意见……
发表于 2016-2-3 15:03:31 | 显示全部楼层 来自: 中国广东广州
啥都没准 发表于 2016-2-3 08:31
% r5 K4 V0 `! b# o' f1 h" w这个螺纹,以鄙人看来,确实有问题,如果不给定底孔深度,直径7mm的尺寸还是给公差的应该在这个地方有配 ...
2 I2 p! Z! l  H8 O4 f
是的,这就是很经典的,设计师,不是工艺师。
发表于 2016-2-4 11:44:58 | 显示全部楼层 来自: 中国浙江衢州
谢谢分享 啦
发表于 2016-2-9 10:58:39 | 显示全部楼层 来自: 中国广东佛山
好东西,有空做一个出来。
发表于 2019-7-21 20:46:57 | 显示全部楼层 来自: 中国新疆乌鲁木齐
谢谢分享
发表于 2019-7-26 15:58:48 | 显示全部楼层 来自: 中国天津
谢谢分享
发表于 2019-7-29 17:55:29 | 显示全部楼层 来自: 中国江苏常州
qqqqqqqqqqqqq
发表回复
您需要登录后才可以回帖 登录 | 注册

本版积分规则


Licensed Copyright © 2016-2020 http://www.3dportal.cn/ All Rights Reserved 京 ICP备13008828号

小黑屋|手机版|Archiver|三维网 ( 京ICP备2023026364号-1 )

快速回复 返回顶部 返回列表