QQ登录

只需一步,快速开始

登录 | 注册 | 找回密码

三维网

 找回密码
 注册

QQ登录

只需一步,快速开始

展开

通知     

全站
9天前
查看: 2647|回复: 5
收起左侧

[求助] 产品做动平衡的方法

[复制链接]
发表于 2015-7-6 13:32:31 | 显示全部楼层 |阅读模式 来自: 中国江苏泰州

马上注册,结识高手,享用更多资源,轻松玩转三维网社区。

您需要 登录 才可以下载或查看,没有帐号?注册

x
各位好:4 J" F" a/ x1 P
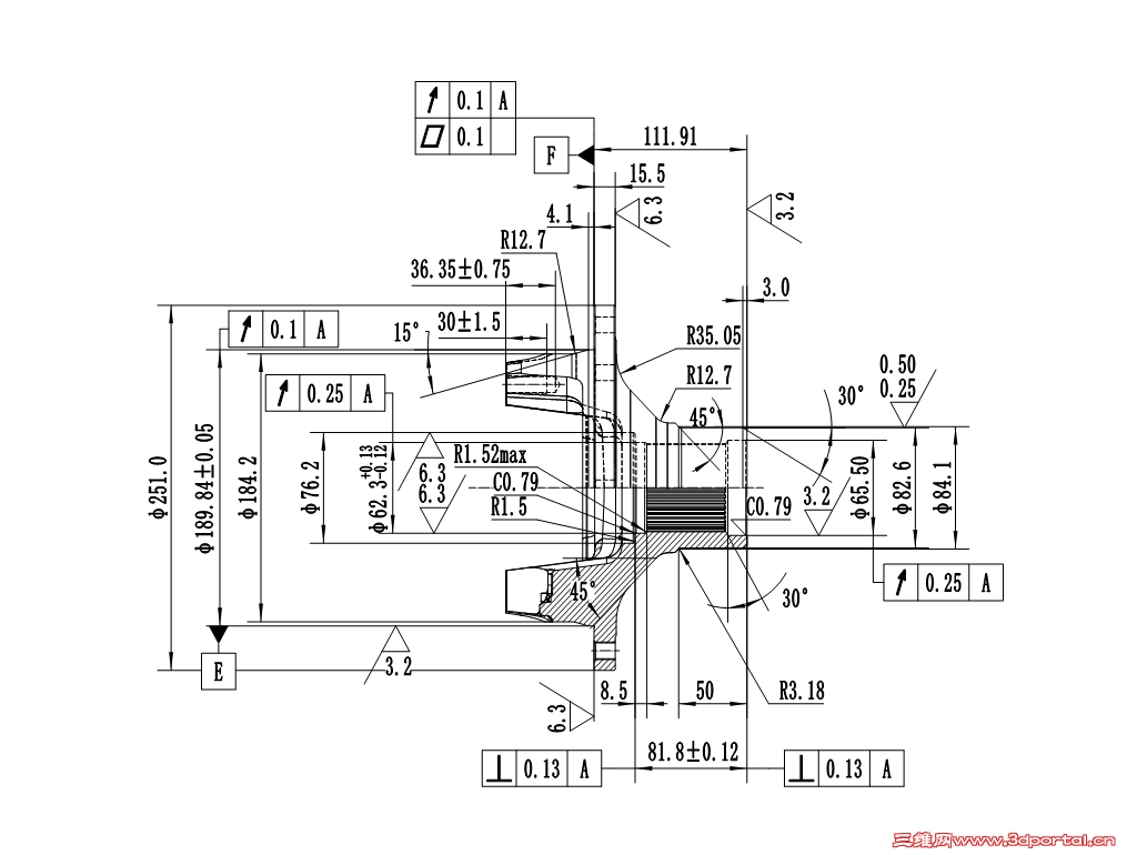
        我们公司现在做一款产品,如图,动平衡要求是8.27mnm。我们虽然有动平衡仪,但是以前没有认真对待过。我想请教大家的是:产品做出来后如何一步一步做动平衡。像我这个产品,我们的想法是:用花键芯棒固定产品然后在车床上转动,用动平衡仪测出具体数值。但是车床的转速,装夹的细节要求我们不清楚,请大家赐教。谢谢
' |3 d# h4 q9 M7 u
32.JPG
发表于 2015-7-6 15:24:13 | 显示全部楼层 来自: 中国重庆
做一U槽型支架,左右各固定一根芯棒,保证平面度,再用芯棒加工件在上面,应该很容易校平很了。
发表于 2015-7-6 15:51:35 | 显示全部楼层 来自: 中国上海
有点不明白,动平衡要求是8.27mnm,这个单位不能理解;1 o+ e. w: J. `; O
另外,不能使用花键芯棒,否则每次的动平衡数据会不一致的,不清楚具体的内径公差,需要做一个锥度芯轴,
 楼主| 发表于 2015-7-8 07:32:47 | 显示全部楼层 来自: 中国江苏泰州
赵元 发表于 2015-7-6 15:51 static/image/common/back.gif
4 |) h0 L$ H/ ]9 B; ^( [有点不明白,动平衡要求是8.27mnm,这个单位不能理解;1 |+ ?4 Z. U( N2 ~' f+ I* ]
另外,不能使用花键芯棒,否则每次的动平衡数据会不一致 ...
; S% z# s9 t: i* e
N.m=1000mnm,我在百度上查的,oz.in=7.056mnm.你的意思是做一个主轴芯棒吧,直接塞到机床主轴内,把产品在装夹到芯棒上,旋转打平衡是不是?
发表于 2015-7-8 08:42:30 | 显示全部楼层 来自: 中国上海
jfqingxuexi 发表于 2015-7-8 07:32 static/image/common/back.gif
9 u+ h+ y5 I6 U$ bN.m=1000mnm,我在百度上查的,oz.in=7.056mnm.你的意思是做一个主轴芯棒吧,直接塞到机床主轴内,把产品在 ...

5 ~% c: F: n* j( W; V6 F动平衡不平衡量的单位通常使用:gcm或gmm.# h) V$ W7 R0 a2 l
注意:由于动平衡是由于物体的重量以及距离得到的数据,所以不能够使用N这个单位,因为N是力的单位.2 N# n7 d" r+ ~" T- F
即使使用N,也应该是Nmm或Ncm,而不是mnm.! m5 F3 K0 ^0 L6 J7 G) F3 ~5 r
对于动平衡,需要动平衡专用设备的.即:动平衡机
 楼主| 发表于 2015-7-8 10:37:38 | 显示全部楼层 来自: 中国江苏泰州
赵元 发表于 2015-7-8 08:42 static/image/common/back.gif
) l! K" `8 L, W) W# q  L动平衡不平衡量的单位通常使用:gcm或gmm.2 a1 x# p8 L+ I* e
注意:由于动平衡是由于物体的重量以及距离得到的数据,所以不能 ...

! Z4 c* g, L3 Y& T1 W5 @好的 谢谢你 我再看一下标准
发表回复
您需要登录后才可以回帖 登录 | 注册

本版积分规则


Licensed Copyright © 2016-2020 http://www.3dportal.cn/ All Rights Reserved 京 ICP备13008828号

小黑屋|手机版|Archiver|三维网 ( 京ICP备2023026364号-1 )

快速回复 返回顶部 返回列表