QQ登录

只需一步,快速开始

登录 | 注册 | 找回密码

三维网

 找回密码
 注册

QQ登录

只需一步,快速开始

展开

通知     

查看: 1255|回复: 5
收起左侧

[求助] 大扭矩液压马达外形3D数模

[复制链接]
发表于 2014-12-25 08:37:35 | 显示全部楼层 |阅读模式 来自: 中国上海

马上注册,结识高手,享用更多资源,轻松玩转三维网社区。

您需要 登录 才可以下载或查看,没有帐号?注册

x
帮忙提供大扭矩液压马达3D外形数模  
发表于 2014-12-25 09:38:12 | 显示全部楼层 来自: 中国广东东莞
回去翻翻液压手册,或者样本再来提问吧,低速大扭矩液压马达涵盖哪些必要的参数,有参数才能确定外形尺寸大小,你提供了液压马达的型号了吗?几何排量?,工作压力?额定力矩?最大工作转速?
 楼主| 发表于 2014-12-25 12:38:33 | 显示全部楼层 来自: 中国上海
只需要大致的外形,无在乎尺寸,小了放大,大了缩小,只是有个看起来像样的就成。网上找一大圈,木有找着,也许是木有找对路  衰
发表于 2015-1-6 09:55:35 | 显示全部楼层 来自: 中国安徽蚌埠
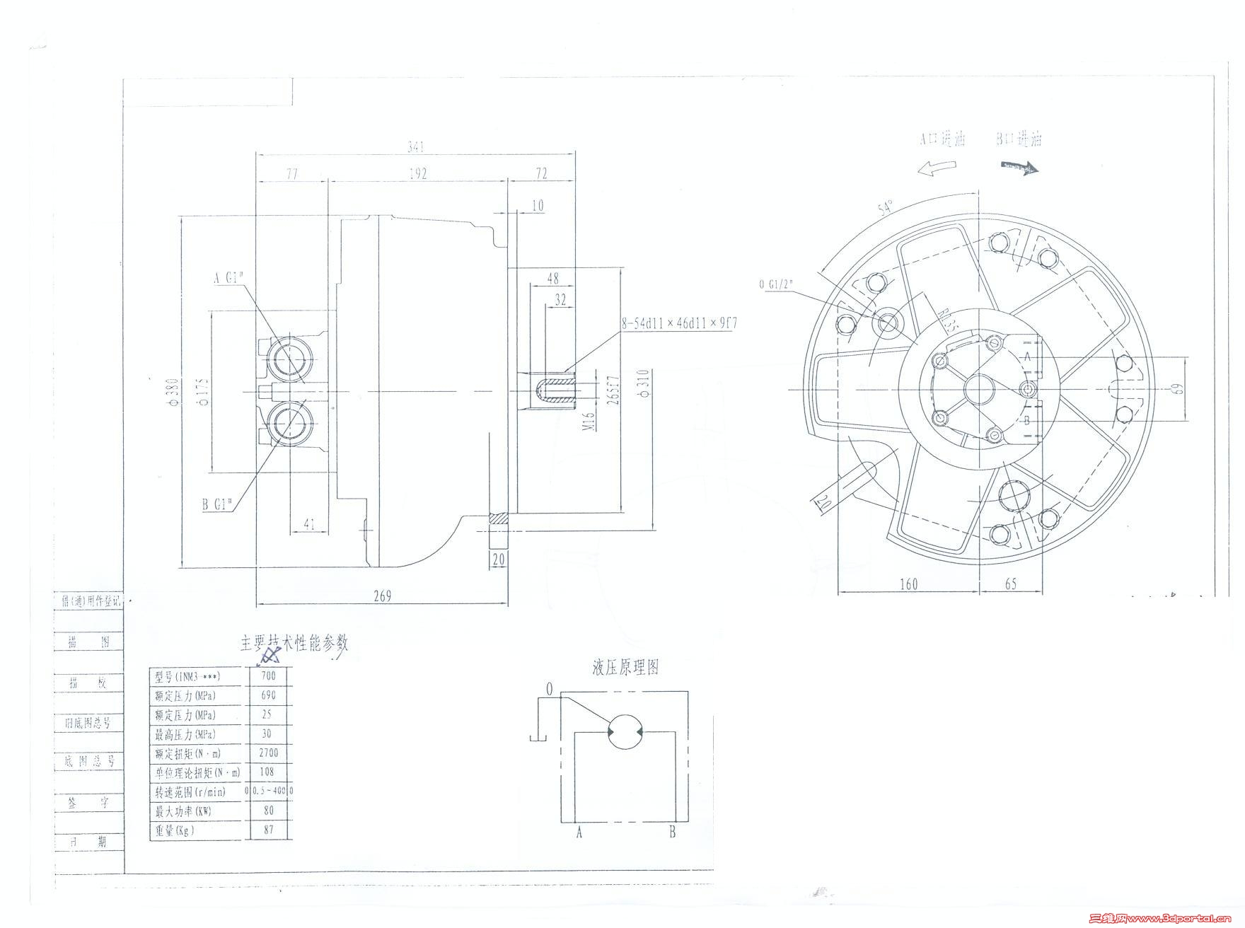
真的是外形图,是不是大扭矩看性能) P% _# D* K8 j0 C* ^: m. I, v
马达INM3-700.JPG
复件 意宁INM3-700马达安装图纸.jpg

马达INM3-700.rar

299.75 KB, 下载次数: 21

发表于 2015-1-6 10:18:22 | 显示全部楼层 来自: 中国上海

" |9 n4 P! e9 L% F( O/ z感谢分享:):):):):)
发表于 2015-1-7 15:04:55 | 显示全部楼层 来自: 中国上海
对我来说感觉是非常的样子啊
发表回复
您需要登录后才可以回帖 登录 | 注册

本版积分规则


Licensed Copyright © 2016-2020 http://www.3dportal.cn/ All Rights Reserved 京 ICP备13008828号

小黑屋|手机版|Archiver|三维网 ( 京ICP备2023026364号-1 )

快速回复 返回顶部 返回列表