QQ登录

只需一步,快速开始

登录 | 注册 | 找回密码

三维网

 找回密码
 注册

QQ登录

只需一步,快速开始

展开

通知     

查看: 2240|回复: 19
收起左侧

[已解决] 这个尺寸怎么看?

[复制链接]
发表于 2014-10-20 19:32:31 | 显示全部楼层 |阅读模式 来自: 中国上海

马上注册,结识高手,享用更多资源,轻松玩转三维网社区。

您需要 登录 才可以下载或查看,没有帐号?注册

x
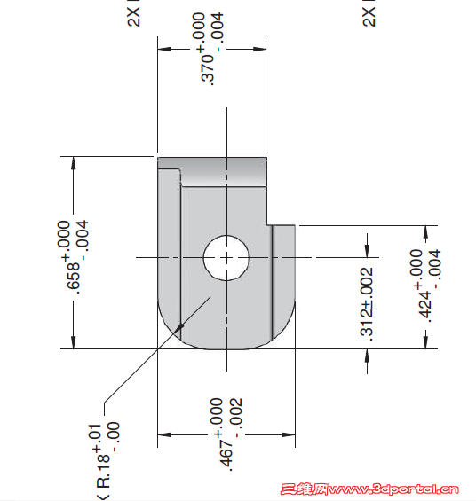
图片上的尺寸标注怎么看啊,和公制尺寸怎么转化,求大神详细指导,小弟在此感谢了!7 b! x3 }6 F! a" f6 l: p

什么标注

什么标注
发表于 2014-10-20 20:14:10 | 显示全部楼层 来自: 中国上海
英制数据*25.4不就是公制吗。百度一下就有的,都懒成这样
 楼主| 发表于 2014-10-20 21:48:01 | 显示全部楼层 来自: 中国上海
zhuyi0829 发表于 2014-10-20 20:14 static/image/common/back.gif
3 L8 r; Q7 ]3 a0 q英制数据*25.4不就是公制吗。百度一下就有的,都懒成这样

9 S. P0 C$ y0 f; ]* I+ A* D* q像如图中有个尺寸为:   .658-.0004  转化为公制单位的尺寸是:.658X2.54=1.67mm,  是不是这样啊?还请董事长耐心指点!
发表于 2014-10-20 22:06:02 | 显示全部楼层 来自: 中国上海
本帖最后由 zhuyi0829 于 2014-10-20 22:12 编辑
( R+ w8 R- ~) N9 L( G
东东啊东东哥 发表于 2014-10-20 21:48 http://www.3dportal.cn/discuz/static/image/common/back.gif
- z+ k. d/ R! l! u" ~像如图中有个尺寸为:   .658-.0004  转化为公制单位的尺寸是:.658X2.54=1.67mm,  是不是这样啊?还请董 ...
5 p; m4 ^# t  ?! s$ K8 L

2 i2 c; U, s! h+ n.658*25.4=16.713这是主要尺寸,后面为公差0.004*25.4=0.01,算数会吗?请问哪来的2.54?

评分

参与人数 1三维币 +3 收起 理由
阿帕奇 + 3

查看全部评分

 楼主| 发表于 2014-10-20 22:29:42 | 显示全部楼层 来自: 中国上海
zhuyi0829 发表于 2014-10-20 22:06 static/image/common/back.gif# c. O+ Z1 v. T% p3 s8 {0 i
.658*25.4=16.713这是主要尺寸,后面为公差0.004*25.4=0.01,算数会吗?请问哪来的2.54?

' M8 T, ~0 V8 t% a: y恩恩  我明白了  谢谢!以后勤加学习定能超越董事长!
发表于 2014-10-20 23:41:02 | 显示全部楼层 来自: 中国陕西西安
系统选项中将英制单位更改为公制单位,软件自动换算。

评分

参与人数 1三维币 +3 收起 理由
阿帕奇 + 3

查看全部评分

发表于 2014-10-21 09:50:04 | 显示全部楼层 来自: 中国辽宁丹东
东东啊东东哥 发表于 2014-10-20 22:29 static/image/common/back.gif5 ~3 ^) i! K4 E$ b" P) W
恩恩  我明白了  谢谢!以后勤加学习定能超越董事长!
6 K: e& l, d/ `  `- ?0 r
重要的是先要超越自己哦
发表于 2014-10-22 07:42:53 | 显示全部楼层 来自: 中国广东揭阳
本帖最后由 machine134 于 2014-10-22 07:44 编辑
) c3 P& k+ ]4 n1 o
东东啊东东哥 发表于 2014-10-20 22:29 static/image/common/back.gif
& \0 o" }1 p" o6 e1 ]恩恩  我明白了  谢谢!以后勤加学习定能超越董事长!
- e$ f9 x9 q7 i) A% P' w( t1 K
这态度能吗?董事长也会同时进步的,不会等你超过的。
 楼主| 发表于 2014-10-22 21:39:33 | 显示全部楼层 来自: 中国上海
machine134 发表于 2014-10-22 07:42 static/image/common/back.gif
; X2 o$ h1 e( l" f2 y+ P* B这态度能吗?董事长也会同时进步的,不会等你超过的。
: [% a' A4 L  m: g7 I6 ~! X
没事  不懂就要问 ,三人行必有我师焉!有问题可能会直接像你求助了!
发表于 2014-10-23 08:44:26 | 显示全部楼层 来自: 中国湖北黄冈
东东啊东东哥 发表于 2014-10-22 21:39 static/image/common/back.gif  S! E+ T2 ^/ x6 i3 S
没事  不懂就要问 ,三人行必有我师焉!有问题可能会直接像你求助了!

6 s0 e7 k& T( P  }英制单位一般将小数点前面的0不写。英、公制的转换系数是25.4,即1英寸=25.4毫米。
$ S" Y# O4 s" d6 y: y  V. M要注意英、美国家的英制图纸有的还用极限尺寸标注,图纸公差范围表的大,但实际产品的公差小多了。
发表于 2014-10-23 10:27:09 | 显示全部楼层 来自: 中国山东烟台
SW工程图标注理由双制式模式,可自动转换
发表于 2014-10-23 10:29:18 | 显示全部楼层 来自: 中国山东烟台
给个图片供参考! g% P1 i/ W* N  c3 ~: i0 s6 v
20141023.png
发表于 2014-10-23 14:44:44 | 显示全部楼层 来自: 中国浙江宁波
zhuyi0829 发表于 2014-10-20 22:06 static/image/common/back.gif
; X5 e# {# K6 F0 m1 @.658*25.4=16.713这是主要尺寸,后面为公差0.004*25.4=0.01,算数会吗?请问哪来的2.54?
2 K! m6 H1 Y5 A; [
公差0.004英寸,怎么会是0.01mm?0.1mm吧。
发表于 2014-10-23 14:53:37 | 显示全部楼层 来自: 中国上海
datafield 发表于 2014-10-23 14:44 http://www.3dportal.cn/discuz/static/image/common/back.gif
. u: [6 Z% m1 W) E" X' C7 P: _5 L  d公差0.004英寸,怎么会是0.01mm?0.1mm吧。

( K9 j; D4 Y1 b) |9 c1 f
3 G( D, q  j3 f9 U- w; e多算个0,反正这不是什么神州几号
发表于 2014-10-24 16:44:44 | 显示全部楼层 来自: 中国广东广州
你是在做M1911-A1,准备造枪吗?
发表于 2014-10-24 16:50:14 | 显示全部楼层 来自: 中国上海
这好像是一款手枪(m-1911)的零件图纸吧!!  慢慢换算,要么就把电脑的尺寸标注改了
 楼主| 发表于 2014-10-24 22:00:16 | 显示全部楼层 来自: 中国上海
壞小子づ不壞 发表于 2014-10-24 16:50 static/image/common/back.gif
+ x, r! [* J! p0 _这好像是一款手枪(m-1911)的零件图纸吧!!  慢慢换算,要么就把电脑的尺寸标注改了
% c$ m$ g' ^+ B# i" s
恩 对的 是m-1911,我不知道电脑标注尺寸怎么改,所以只能慢慢翻译 慢慢换算了  苦逼啊!
 楼主| 发表于 2014-10-24 22:11:58 | 显示全部楼层 来自: 中国上海
zhou-pei@263 发表于 2014-10-24 16:44 static/image/common/back.gif
4 [/ c2 S1 t5 c5 o! a: s3 a你是在做M1911-A1,准备造枪吗?

' j: [% R6 H* W4 X画模型  练习 练习!
发表于 2014-10-24 23:37:43 | 显示全部楼层 来自: 中国台湾
可照著原尺寸畫就好~ 最後再把成品 縮放25.4倍~! D6 i0 X9 h/ l% Y% q. l8 Y

; Q7 `, m" a# @3 V1"=25.4mm
发表于 2014-10-27 13:36:45 | 显示全部楼层 来自: 中国浙江丽水
将单位设置成公制就成了。
发表回复
您需要登录后才可以回帖 登录 | 注册

本版积分规则


Licensed Copyright © 2016-2020 http://www.3dportal.cn/ All Rights Reserved 京 ICP备13008828号

小黑屋|手机版|Archiver|三维网 ( 京ICP备2023026364号-1 )

快速回复 返回顶部 返回列表