QQ登录

只需一步,快速开始

登录 | 注册 | 找回密码

三维网

 找回密码
 注册

QQ登录

只需一步,快速开始

展开

通知     

查看: 1255|回复: 3
收起左侧

[讨论] 草图尺寸引用,看不懂。

[复制链接]
发表于 2014-10-15 19:42:09 | 显示全部楼层 |阅读模式 来自: 中国山东淄博

马上注册,结识高手,享用更多资源,轻松玩转三维网社区。

您需要 登录 才可以下载或查看,没有帐号?注册

x
1.jpg 3 k3 C2 D7 d0 v. I  l7 k
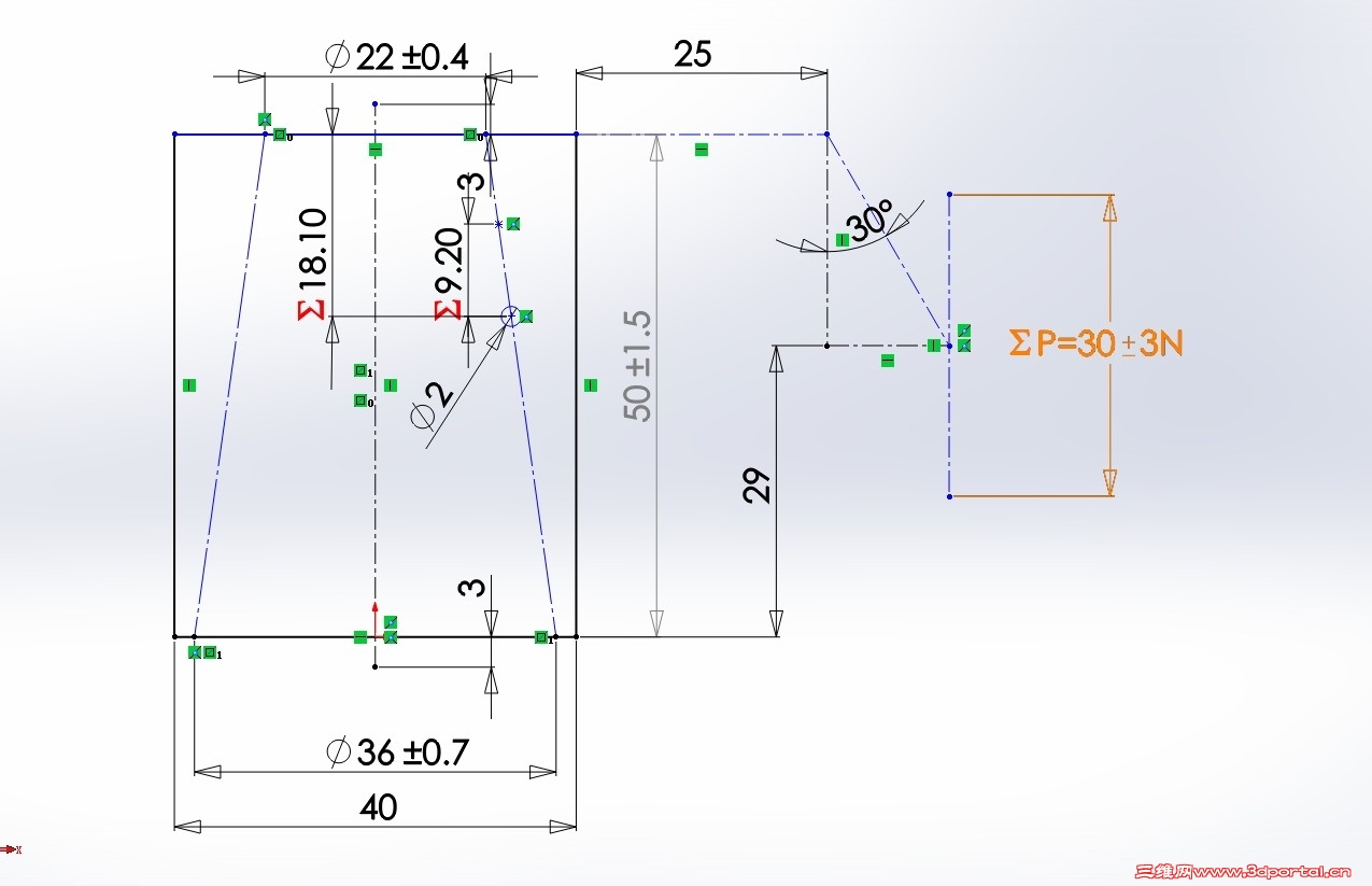
如上图是别人画的锥形弹簧的草图,里面的尺寸关联看到不是很明白,大家说说。
: Z1 b4 ^+ M- q附件是文件8 q' J: w+ C, G+ o  ^
锥形弹簧.zip (64.44 KB, 下载次数: 15)
发表于 2014-10-15 20:57:21 | 显示全部楼层 来自: 中国浙江嘉兴
需傳  零件圖(非工程圖)
 楼主| 发表于 2014-10-15 21:02:27 | 显示全部楼层 来自: 中国山东淄博
锥形弹簧.zip (671.55 KB, 下载次数: 41)
发表于 2014-11-25 16:05:07 | 显示全部楼层 来自: 中国安徽蚌埠
发现都是多余尺寸,除了高度50和宽度40
发表回复
您需要登录后才可以回帖 登录 | 注册

本版积分规则


Licensed Copyright © 2016-2020 http://www.3dportal.cn/ All Rights Reserved 京 ICP备13008828号

小黑屋|手机版|Archiver|三维网 ( 京ICP备2023026364号-1 )

快速回复 返回顶部 返回列表