QQ登录

只需一步,快速开始

登录 | 注册 | 找回密码

三维网

 找回密码
 注册

QQ登录

只需一步,快速开始

展开

通知     

查看: 2814|回复: 20
收起左侧

[求助] 这种零件的加工工艺

[复制链接]
发表于 2014-9-26 08:38:32 | 显示全部楼层 |阅读模式 来自: 中国浙江绍兴

马上注册,结识高手,享用更多资源,轻松玩转三维网社区。

您需要 登录 才可以下载或查看,没有帐号?注册

x
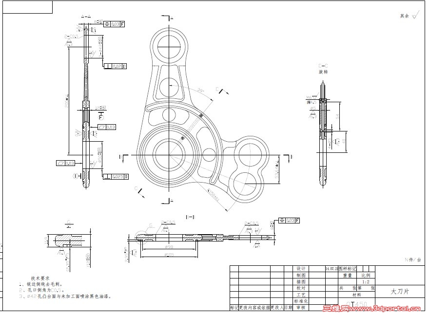
此零件为材料为球墨铸铁,上次做了一批试样,合格率太低了,上次试样的加工工艺是这样的,先将毛坯整形到平面度30丝内,(因为加工余量只有50丝)然后上磨床,磨到12尺寸。上立加,加工50、42的孔,并孔口倒角,并把两个5的孔也加工出来,并加工8毫米厚的地方,(毛坯为9毫米,但两边都有工艺凸台,已经磨到12)装夹方式为压板。这边加工好后,反过来,以加工好的50、42孔为定位,压住,铣8毫米厚的地方,并将孔口倒角。完成后,拿到钻床上钻5个的长孔,并攻丝。5 }( \4 y& o; r9 B# B
从第一批试样中厚度8毫米那里总是超差了。这应该是装夹的问题,用压板可能7 [; y' h1 ^  w* O
大刀片0701-Model.pdf (107.86 KB, 下载次数: 19)
发表于 2014-9-26 08:40:16 | 显示全部楼层 来自: 中国安徽宿州
上图!!!!
发表于 2014-9-26 08:54:58 | 显示全部楼层 来自: 中国山西太原
求助内容?
 楼主| 发表于 2014-9-26 09:27:04 | 显示全部楼层 来自: 中国浙江绍兴
watership11 发表于 2014-9-26 08:40 static/image/common/back.gif
( w/ X# y/ T2 N% ]: y+ w上图!!!!
3 x+ U; Y" V* ^+ @! g
附件就是图纸
 楼主| 发表于 2014-9-26 09:28:22 | 显示全部楼层 来自: 中国浙江绍兴
watership11 发表于 2014-9-26 08:40 static/image/common/back.gif
( o/ W8 U& }9 t上图!!!!
( N, G6 W8 k+ j* Y
用什么方式装夹来保证8毫米的对称度和尺寸公差
发表于 2014-9-26 09:55:31 | 显示全部楼层 来自: 中国湖北黄冈
帮楼主贴张图。
大刀片.jpg
发表于 2014-9-26 12:54:19 | 显示全部楼层 来自: 加拿大
可能第二次加工时的刚性不足,下面能否加工艺垫板
 楼主| 发表于 2014-9-26 15:28:32 | 显示全部楼层 来自: 中国浙江绍兴
daji 发表于 2014-9-26 12:54 static/image/common/back.gif" d  }( W/ G  s3 D
可能第二次加工时的刚性不足,下面能否加工艺垫板
" o- m7 ?1 X0 o3 Z% I9 K
下面有等高垫块的
发表于 2014-9-28 14:13:13 | 显示全部楼层 来自: 中国山东烟台
太薄了,真的很难,没有什么好方法,能否看看你的夹具图片,还有你的厚度尺寸是怎么个超差法,平行度怎么样?
 楼主| 发表于 2014-9-28 14:35:54 | 显示全部楼层 来自: 中国浙江绍兴
mengfansheng 发表于 2014-9-28 14:13 static/image/common/back.gif3 ~# J9 _& P+ y# H8 w
太薄了,真的很难,没有什么好方法,能否看看你的夹具图片,还有你的厚度尺寸是怎么个超差法,平行度怎么样 ...

0 q& |+ m& \& J4 N/ L4 O5 w0 R, ~8毫米厚度是公差是-0.05到-0.10.有一个与12的对称度要求0.03
发表于 2014-9-28 19:25:43 | 显示全部楼层 来自: 中国陕西西安
立加后上磨床,不要用压板压,底下垫平后磁吸。

评分

参与人数 1三维币 +2 收起 理由
渔樵 + 2 应助

查看全部评分

 楼主| 发表于 2014-9-29 07:51:35 | 显示全部楼层 来自: 中国浙江绍兴
我爱用acad 发表于 2014-9-28 19:25 static/image/common/back.gif5 L* E9 _; J7 p
立加后上磨床,不要用压板压,底下垫平后磁吸。
% V3 |+ N/ u+ |  ^$ {
后来也想到这个工艺了,还有一种方法是,以孔内用涨套方法定位,加工8毫米的两个面
发表于 2014-9-29 08:18:26 | 显示全部楼层 来自: 中国陕西西安
以孔内用涨套方法定位后,还是需要底下垫平磁吸,不能用压板压,否则变形会很大。
发表于 2014-9-30 22:07:28 | 显示全部楼层 来自: 中国浙江宁波
因为工件太薄,最好安排时效处理,以减小变形,或者能否加大加工余量
发表于 2014-9-30 23:46:59 | 显示全部楼层 来自: 中国陕西西安
对称度要求比较高,切削加工应力还是难以削除的。
发表于 2014-10-3 23:02:31 | 显示全部楼层 来自: 中国山东济宁
txh007 发表于 2014-9-26 09:28 static/image/common/back.gif
7 r7 z6 b* c) g& s" m用什么方式装夹来保证8毫米的对称度和尺寸公差

2 c, v1 c; r& i* F) z1 }9 X加工8毫米尺寸时,改变加工方式,试一试
发表于 2014-10-3 23:16:05 | 显示全部楼层 来自: 中国陕西西安
kaola20067 发表于 2014-10-3 23:02 static/image/common/back.gif% |3 L1 L  R  B
加工8毫米尺寸时,改变加工方式,试一试

# \6 z# s+ Q2 I' z5 D; u+ p我就觉得还是上磨床比较靠谱
发表于 2014-10-3 23:27:55 | 显示全部楼层 来自: 中国山东济宁
铣削很难能达到要求。
发表于 2014-10-3 23:31:20 | 显示全部楼层 来自: 中国陕西西安
kaola20067 发表于 2014-10-3 23:27 static/image/common/back.gif+ L% `- A6 ]& m7 Z- i  L
铣削很难能达到要求。

& v, t1 g! n/ D7 a( ?7 s铣削的对称度和粗糙度都不好保证。
发表于 2014-10-6 08:20:41 | 显示全部楼层 来自: 中国山东烟台
txh007 发表于 2014-9-28 14:35 static/image/common/back.gif
2 `2 b7 M% v' A& m& m8 |9 }8毫米厚度是公差是-0.05到-0.10.有一个与12的对称度要求0.03

8 \! ~1 G& o9 ?6 r# K, V. ^1 o" j8 i我说的是加工后的情况
发表于 2014-10-6 08:38:27 | 显示全部楼层 来自: 中国陕西西安
mengfansheng 发表于 2014-10-6 08:20 static/image/common/back.gif
2 ~. q# \) Q$ n5 x9 G$ K我说的是加工后的情况

+ c. Z$ q2 m7 a6 a, n我想盛版的意思是问楼主试样加工超差的情况,楼主回复的确是产品的公差要求
发表回复
您需要登录后才可以回帖 登录 | 注册

本版积分规则


Licensed Copyright © 2016-2020 http://www.3dportal.cn/ All Rights Reserved 京 ICP备13008828号

小黑屋|手机版|Archiver|三维网 ( 京ICP备2023026364号-1 )

快速回复 返回顶部 返回列表