QQ登录

只需一步,快速开始

登录 | 注册 | 找回密码

三维网

 找回密码
 注册

QQ登录

只需一步,快速开始

展开

通知     

查看: 1050|回复: 2
收起左侧

[求助] 剖视图的显示

[复制链接]
发表于 2014-9-20 10:00:50 | 显示全部楼层 |阅读模式 来自: 中国江苏泰州

马上注册,结识高手,享用更多资源,轻松玩转三维网社区。

您需要 登录 才可以下载或查看,没有帐号?注册

x
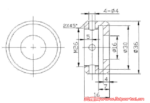
在工程图中,如何只显示单独的剖视图(如下图右图),而不必要再通过插入、剖面视图来得到呢?我记得ProE中可以做的。+ b) D, f6 v1 b) k
http://file:///C:/DOCUME~1/ADMINI~1/LOCALS~1/Temp/msohtmlclip1/01/clip_image001.jpg
) i% k$ |5 z; t# D
22.png
发表于 2014-9-20 10:40:56 | 显示全部楼层 来自: 中国广东东莞
可以的,点用断开的剖面视图,输入剖切厚度
发表于 2014-9-20 11:33:15 | 显示全部楼层 来自: 中国陕西西安
在模型中作出剖视图,并正视之,生成工程图,选当前视图。
发表回复
您需要登录后才可以回帖 登录 | 注册

本版积分规则


Licensed Copyright © 2016-2020 http://www.3dportal.cn/ All Rights Reserved 京 ICP备13008828号

小黑屋|手机版|Archiver|三维网 ( 京ICP备2023026364号-1 )

快速回复 返回顶部 返回列表