QQ登录

只需一步,快速开始

登录 | 注册 | 找回密码

三维网

 找回密码
 注册

QQ登录

只需一步,快速开始

展开

通知     

查看: 843|回复: 2
收起左侧

[求助] 求助:曲面槽画法

[复制链接]
发表于 2014-4-2 17:09:18 | 显示全部楼层 |阅读模式 来自: 中国陕西西安

马上注册,结识高手,享用更多资源,轻松玩转三维网社区。

您需要 登录 才可以下载或查看,没有帐号?注册

x
本帖最后由 快乐小天使 于 2014-4-3 11:21 编辑
% `1 }+ b9 m# Z
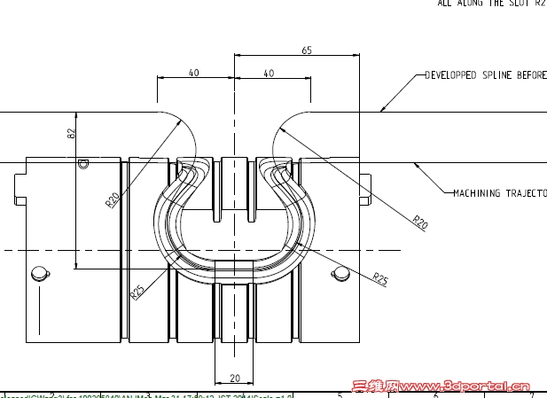
- C: s) X% k2 K. q5 e. N# s2 t请问,哪位高手能指点下,这个圆柱面上的曲面槽怎么画
[QI(EF8$~BDZ%6W_@0PR7{4.jpg

100295840D_AN_100295840d.pdf

250.28 KB, 下载次数: 1

发表于 2014-4-2 18:29:30 | 显示全部楼层 来自: 中国河北保定
扫描切除,关键是扫描路径1 s2 b7 O( M# Y# P
可以考虑投影曲线,或者曲面的交叉曲线,分割曲线等命令实现
 楼主| 发表于 2014-4-3 09:38:03 | 显示全部楼层 来自: 中国陕西西安
谢谢,但是能不能具体点呢?怎样将这个轨迹线按照图纸中的位置准确的在三维图中绘制出来
发表回复
您需要登录后才可以回帖 登录 | 注册

本版积分规则


Licensed Copyright © 2016-2020 http://www.3dportal.cn/ All Rights Reserved 京 ICP备13008828号

小黑屋|手机版|Archiver|三维网 ( 京ICP备2023026364号-1 )

快速回复 返回顶部 返回列表