QQ登录

只需一步,快速开始

登录 | 注册 | 找回密码

三维网

 找回密码
 注册

QQ登录

只需一步,快速开始

展开

通知     

查看: 884|回复: 0
收起左侧

[求助] 求解

[复制链接]
发表于 2014-3-6 21:05:41 | 显示全部楼层 |阅读模式 来自: 中国陕西西安

马上注册,结识高手,享用更多资源,轻松玩转三维网社区。

您需要 登录 才可以下载或查看,没有帐号?注册

x
本帖最后由 gajite 于 2014-3-6 22:25 编辑
9 v4 p. E2 F; Q; B. y0 @8 F
( e! @& I. Y5 r: l QQ截图20140306205030.png ) u+ Y# ]  D) a4 p+ Y" l+ ]
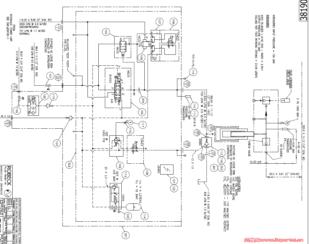
水压机动态补压液压系统,系统偶尔会出现打不上压。判断伺服比例阀104有问题,可是换过之后还是会出现同样的问题。就高手解救?
发表回复
您需要登录后才可以回帖 登录 | 注册

本版积分规则


Licensed Copyright © 2016-2020 http://www.3dportal.cn/ All Rights Reserved 京 ICP备13008828号

小黑屋|手机版|Archiver|三维网 ( 京ICP备2023026364号-1 )

快速回复 返回顶部 返回列表