QQ登录

只需一步,快速开始

登录 | 注册 | 找回密码

三维网

 找回密码
 注册

QQ登录

只需一步,快速开始

展开

通知     

goto3d 说: 在线网校重磅上线MC2022&Inventor2022全新课程,虞为民老师、大表哥同事精彩讲解,快去围观!
2021-06-25
查看: 3180|回复: 23
收起左侧

[求助] 做了3天也没有做出来,难死了,求教高人!

[复制链接]
发表于 2014-1-15 21:25:59 | 显示全部楼层 |阅读模式 来自: 中国广东深圳

马上注册,结识高手,享用更多资源,轻松玩转三维网社区。

您需要 登录 才可以下载或查看,没有帐号?注册

x
本帖最后由 szzhaoj 于 2014-1-16 09:59 编辑 * s' Q7 U) k1 [. D4 C4 W
* W1 [* R. v' N; j- v& @% v
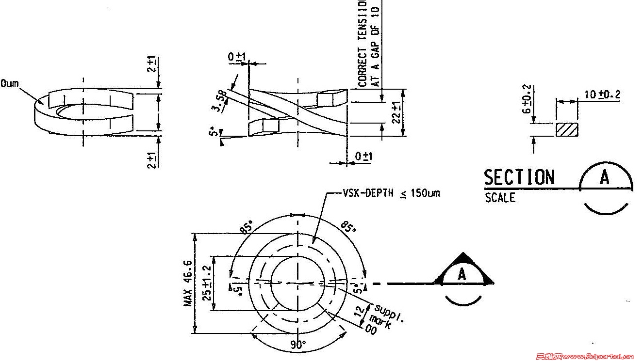
http://www.3dportal.cn/discuz/forum.php?mod=image&aid=2203746&size=300x300&key=21a2dadd0751f6aa&nocache=yes&type=fixnone- r) b* R$ B; o! b  V* m, `
这么一个小弹簧,我做了3天也做不出来,丢死人了,帮帮我,谢谢!3 v1 E8 j; a& F6 c- `* K2 i6 d
910.jpg
发表于 2014-1-15 21:59:11 | 显示全部楼层 来自: 中国湖北黄冈
什么样的弹簧?楼主贴张图片给别人看看。
发表于 2014-1-16 09:40:25 | 显示全部楼层 来自: 中国北京
没有图啊?如果是在proe中的话,没必要画的太准确,一般的弹簧厂,你相应的参数给到,他们就可以帮你做出来' e( v- ~! z0 @8 M, Y8 [. c: O
6 Y1 F4 ~% V$ }3 z, o! Y$ H
楼主可以去找找一款弹簧设计软件叫“Spring Calculator Professional”  ,很好用的。
发表于 2014-1-16 11:29:27 | 显示全部楼层 来自: 中国江苏苏州
坐等高人指点
发表于 2014-1-16 12:14:15 | 显示全部楼层 来自: 中国湖北黄冈
几个问题:
5 m! r% V1 W8 x# X 1. 主视图左下方的5度与放大的剖面图(是矩形)不符,( U, ^4 W# y% X; M9 j5 P% j
2. 主视图左上方的3.58是什么?上端箭头下的三角形区域是那个面?此处截面与右边的不等高(窄一些)。有没有左视图?
发表于 2014-1-16 19:46:11 | 显示全部楼层 来自: 中国浙江宁波
CREO2.0做了一个,用到了大部份尺寸,25那个尺寸好像不对。
5 T* r: Y: W5 h$ ~: o 3.JPG
+ @: ^1 m. M% U( Y 无标题.jpg
发表于 2014-1-16 19:49:26 | 显示全部楼层 来自: 中国浙江宁波
主要是这图看不太懂,所以花了我两小时左右。
发表于 2014-1-16 19:54:18 | 显示全部楼层 来自: 中国安徽芜湖
tangcarlos3d 发表于 2014-1-16 12:14 static/image/common/back.gif
& |( V3 M; S% E, @4 N2 i& \几个问题:
( v8 h: B) O( ]/ \& A& Z 1. 主视图左下方的5度与放大的剖面图(是矩形)不符,
' }2 |: j5 o/ K/ Y 2. 主视图左上方的3.58是什么?上端箭 ...
& Q" H9 P# ^, c( x
3.58应该是间隙。
发表于 2014-1-16 20:40:33 | 显示全部楼层 来自: 中国浙江宁波
3.58像这个尺寸,惭愧技术有限我只做到2.95。同时也希望高手做一个对的来,我也学习学习。4 [8 P5 p. d4 n0 `' W9 g. n) I& @7 z
4.JPG
 楼主| 发表于 2014-1-16 21:20:11 | 显示全部楼层 来自: 中国广东深圳
我也终于做出来了,笨死!1 K7 f( @9 D/ c; Z$ z
untitled.3.jpg
' d( _! r7 H% [8 q5 y pactice.prt.rar (287.2 KB, 下载次数: 26)
发表于 2014-1-16 22:15:33 | 显示全部楼层 来自: 中国湖北黄冈
本帖最后由 tangcarlos3d 于 2014-1-16 22:30 编辑 2 p8 j' H9 J6 h) e( u  j
Wesley 发表于 2014-1-16 19:46 static/image/common/back.gif
0 A6 K* x6 L. C& C9 k+ MCREO2.0做了一个,用到了大部份尺寸,25那个尺寸好像不对。

; Y  K; k: u) z/ S# e7 ^
6 j" P. g5 c/ C7 x7 y要注意:虽然画出来了,但主视图与一楼的图不是一样的!1. 中心线左边上方只有一条线,内有看到面。2. 同理中心线右下方一楼也只有一条线,不是一个面。3. 主视图中心线处的截面高度比两边上、下的高度要高(用画螺旋弹簧则三处高度相等)。也就是说不能用画普通螺旋线画出来,要用正弦、余弦函数曲线组合画出来。
发表于 2014-1-16 22:28:36 | 显示全部楼层 来自: 中国湖北黄冈
szzhaoj 发表于 2014-1-16 21:20 static/image/common/back.gif* ^" Y6 J6 u! y: k; ?: G* E
我也终于做出来了,笨死!
! ?! _& ]* U+ @) W* J0 b
你画的是右旋方向,1楼是左旋方向。另外你的图中模型树里的”曲线标识40“应该是正弦、余弦函数曲线组合,而不应该是普通螺旋线。
% u0 V+ [4 a, E, Q2 x其他的差别可参见我上一楼的帖子。
发表于 2014-1-16 22:40:11 | 显示全部楼层 来自: 中国广东深圳
学习了,
发表于 2014-1-17 07:40:13 | 显示全部楼层 来自: 中国浙江宁波
tangcarlos3d 发表于 2014-1-16 22:15 static/image/common/back.gif
0 i# K. E# _# r3 k8 }要注意:虽然画出来了,但主视图与一楼的图不是一样的!1. 中心线左边上方只有一条线,内有看到面。2.  ...

7 h; n5 z/ `/ H7 q: y你说的有道理,我也很虚心的学习。希望做一个正确的3D来,也好让大家学习。另外问下,你在我那模型树里有看到螺旋造型吗?
发表于 2014-1-17 08:48:40 | 显示全部楼层 来自: 中国湖北黄冈
Wesley 发表于 2014-1-17 07:40 static/image/common/back.gif* l3 _6 l3 L) @0 k5 u  t
你说的有道理,我也很虚心的学习。希望做一个正确的3D来,也好让大家学习。另外问下,你在我那模型树里有 ...
2 d  l0 T) s& Y6 `0 r7 t$ F
没看你的模型,因为你没有上传。, @1 P- y) R  Z& I6 _3 T
而是在10的附件里看到有螺旋曲线。但从你的图片上可以推测出你在前半部分的斜边上应该有也螺旋曲线(半个圆圈。因为我也试着用螺旋线画过这半边,但与你1楼的图不同,所以我推测要用正弦、余弦曲线组合)。% G0 E! Y/ d7 C: e4 \( `( e
, e7 B. _3 [: N: K; q
如果画出最后的模型,不要忘记上传大家一起学习。
发表于 2014-1-17 13:33:20 | 显示全部楼层 来自: 中国浙江宁波
模型在家电脑里,晚上上传。
 楼主| 发表于 2014-1-17 15:57:22 | 显示全部楼层 来自: 中国广东深圳
这个弹簧用在这里,终于做出来了放上去了。谢谢高手8 D5 E  L7 L9 X9 F' g4 g
BPs.jpg
  C4 T1 l3 m2 u' S8 [' H# u BPs-1.jpg
发表于 2014-1-17 16:15:01 | 显示全部楼层 来自: 中国浙江宁波
这里用的画一个弹簧,两头切平就好了,用得着这么麻烦吗?
 楼主| 发表于 2014-1-17 17:25:36 | 显示全部楼层 来自: 中国广东深圳
楼上,你说的对,随便画一个弹簧,放上去差不多就行了,又不是用这个弹簧模型去上机床加工,对吧?可我们追求的是知难而进,没有画不出的图形!说白了就是没事找事给自己填堵,这个坛子里一定有N多人像我这样的,当然,如你这类的高人也是乌央乌央的。你大可用鄙视的眼睛看我们,就像我们看你那样。
发表于 2014-1-18 08:09:03 | 显示全部楼层 来自: 中国浙江宁波
一我没有鄙视任何人
$ A( E$ k( y/ J8 m/ c3 u二本人水平也一般般,算不上高人,论坛高人多了去。
发表于 2014-1-18 12:08:34 | 显示全部楼层 来自: 中国浙江宁波
学习了,
发表于 2014-1-20 08:21:16 | 显示全部楼层 来自: 中国山东烟台
可以用旋转混合作
发表于 2014-1-20 17:59:45 | 显示全部楼层 来自: 中国山东烟台
图片已经传上去了. S" i4 w" f: q6 U. R$ A
2014-01-20 10.47.12.jpg
发表于 2014-1-20 18:02:53 | 显示全部楼层 来自: 中国山东烟台
这个附件的图是用旋转混合做的。3 c: K$ f1 x; G- p% t

prt0001.prt.rar

117.12 KB, 下载次数: 15

发表回复
您需要登录后才可以回帖 登录 | 注册

本版积分规则


Licensed Copyright © 2016-2020 http://www.3dportal.cn/ All Rights Reserved 京 ICP备13008828号

小黑屋|手机版|Archiver|三维网 ( 京ICP备2023026364号-1 )

快速回复 返回顶部 返回列表