QQ登录

只需一步,快速开始

登录 | 注册 | 找回密码

三维网

 找回密码
 注册

QQ登录

只需一步,快速开始

展开

通知     

查看: 1836|回复: 5
收起左侧

[已解决] 这个凸轮槽如何画出来?

[复制链接]
发表于 2013-12-13 15:16:49 | 显示全部楼层 |阅读模式 来自: 中国湖北襄阳

马上注册,结识高手,享用更多资源,轻松玩转三维网社区。

您需要 登录 才可以下载或查看,没有帐号?注册

x
本帖最后由 xftqb 于 2013-12-13 15:25 编辑
4 @9 I! F  T0 E6 K' O$ m( ?
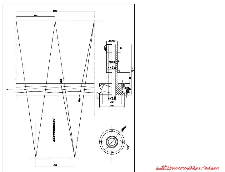
9 y1 I( X  n9 O% @: Y! y; Usw的曲面一直不会搞,下图的凸轮槽如何画?有人能帮我画一下吗?我用的是sw2010版本。
* K& ~& G+ k# N1 o邮箱 xftqb@163.com
; l% v, q# n5 q% h5 U  I
1.JPG
2.JPG

凸轮槽.pdf

37 KB, 下载次数: 17

发表于 2013-12-13 15:48:46 | 显示全部楼层 来自: 中国四川乐山
本帖最后由 啥都没准 于 2013-12-13 16:35 编辑 , f# {' f+ m4 y. |
1 v1 h2 z- }6 y( s5 M3 w+ v
给你画了一个,不过公司电脑加密了,给你上张图……9 l6 C$ {  m7 P( r
用特征-包覆……
QQ截图20131213163936.jpg

评分

参与人数 1三维币 +3 收起 理由
阿帕奇 + 3

查看全部评分

 楼主| 发表于 2013-12-14 09:26:15 | 显示全部楼层 来自: 中国湖北襄阳
啥都没准 发表于 2013-12-13 15:48 static/image/common/back.gif
/ O7 _$ z& X# x6 A6 F给你画了一个,不过公司电脑加密了,给你上张图……5 V2 s1 S! o6 `! u* a
用特征-包覆……

; h/ B4 p9 m' c& }谢了!能讲的详细点吗
发表于 2013-12-14 09:40:43 | 显示全部楼层 来自: 中国四川乐山
xftqb 发表于 2013-12-14 09:26 static/image/common/back.gif7 @& R, m4 }6 X; G" N, a" U+ X5 X
谢了!能讲的详细点吗
& {7 k# ]: I' F5 Y! s; r( B
把展开图画好(注意尺寸的链接),用特征-包覆就可以了,很简单的
 楼主| 发表于 2013-12-21 20:15:52 | 显示全部楼层 来自: 中国广东
会了,谢了!
发表于 2013-12-22 17:06:14 | 显示全部楼层 来自: 中国河北廊坊
用实体切出简单。
发表回复
您需要登录后才可以回帖 登录 | 注册

本版积分规则


Licensed Copyright © 2016-2020 http://www.3dportal.cn/ All Rights Reserved 京 ICP备13008828号

小黑屋|手机版|Archiver|三维网 ( 京ICP备2023026364号-1 )

快速回复 返回顶部 返回列表