QQ登录

只需一步,快速开始

登录 | 注册 | 找回密码

三维网

 找回密码
 注册

QQ登录

只需一步,快速开始

展开

通知     

查看: 2043|回复: 24
收起左侧

[分享] 渦旋階柱環狀陣列

[复制链接]
发表于 2013-12-10 12:01:10 | 显示全部楼层 |阅读模式 来自: 中国浙江嘉兴

马上注册,结识高手,享用更多资源,轻松玩转三维网社区。

您需要 登录 才可以下载或查看,没有帐号?注册

x
本帖最后由 ryouss 于 2013-12-10 17:12 编辑
9 H4 v- s8 x: J0 U) B$ e2 d( q* y) A' R# n& x: k: l, s( s
提供練習
* _+ i$ ?( P5 N  Y+ U5 x6 \ capture-1.gif
; k+ E$ y2 Z" u3 P6 r capture_12102013_171618.jpg & a8 a8 M: N- A% x9 v1 o" u
capture_12102013_133617.jpg 3 ~/ e2 d( A2 }8 \9 a) H. C

. `/ A1 d& O( \( h  V6 k; e

评分

参与人数 1三维币 +3 收起 理由
阿帕奇 + 3 请过段时间补上源文件

查看全部评分

发表于 2013-12-10 16:25:13 | 显示全部楼层 来自: 中国台湾
再支持一下~~) g/ ~3 R6 N7 P1 V9 Y8 R7 @7 E

4 B3 u0 ^6 J4 H( ?/ u; e/ Y8 c 1.png
* P4 ^0 l; N/ \4 D
+ L, Y4 }( k: a 2.png

评分

参与人数 1三维币 +1 收起 理由
阿帕奇 + 1 如可以,请分享源文件

查看全部评分

 楼主| 发表于 2013-12-10 16:34:16 | 显示全部楼层 来自: 中国浙江嘉兴
gt.adan 发表于 2013-12-10 16:25 static/image/common/back.gif/ D7 S7 K) V. N
再支持一下~~
! l) g9 x0 T' Y) }( c6 z
謝謝丹大支持
发表于 2013-12-10 19:16:30 | 显示全部楼层 来自: 中国江苏苏州
3大高手云集啊,膜拜。随行阵列工作中一直都还没用到
 楼主| 发表于 2013-12-11 09:02:32 | 显示全部楼层 来自: 中国浙江嘉兴
作參考
3 L) R+ w/ ?( ^ capture_12112013_090435.jpg

评分

参与人数 1三维币 +1 收起 理由
阿帕奇 + 1 如可以,请分享源文件

查看全部评分

发表于 2013-12-13 10:58:17 | 显示全部楼层 来自: 中国台湾
梁兄在5樓的貼圖,因為有拔模所以不用控制拉伸高度,2D草圖就可以完成,這相對來說是比較簡單的。
9 D) n: N  y9 q( }2 y: c; j& \然而2013版本以後的隨形陣列,由於有了副本尺寸的可控性,大大的降低了此模型的難易度。
1 S6 I: ]: ^" J應阿版要求簡單做個檔案給大家參考,識者勿噴啊…2 X5 M. [8 U) S$ \8 }6 M
Part2.rar (68.83 KB, 下载次数: 23)
发表于 2013-12-13 13:59:12 | 显示全部楼层 来自: 中国辽宁大连
本帖最后由 zhoucongda 于 2013-12-13 14:00 编辑 8 N0 {" M' T6 H% C  }6 T+ f4 m- ~
4 H6 O8 k7 P9 D6 Y; A! ], P5 r
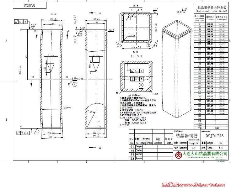
丹大侠,请问这个图纸用随型阵列是否可以实现呢?说明主要是右侧的表中的尺寸,到上口距离是沿铅垂线方向,法相尺寸是R10000的法向,13版可以实现随型阵列的幅尺寸的更改,这个图纸内腔尺寸是否可以一步完成

DSJD1743.PDF

211.84 KB, 下载次数: 8

发表于 2013-12-13 14:01:30 | 显示全部楼层 来自: 中国辽宁大连
DSJD1743.PDF (211.84 KB, 下载次数: 5)
发表于 2013-12-13 14:04:14 | 显示全部楼层 来自: 中国辽宁大连
截个图吧!!
未命名.JPG
发表于 2013-12-13 19:08:00 | 显示全部楼层 来自: 中国广东汕头
多谢梁大和阿丹。9 ?0 y! k7 p( T9 D& M
螺旋、阵列、扫描和放样这几样在SW中是比较难的。
 楼主| 发表于 2013-12-13 20:38:34 | 显示全部楼层 来自: 中国浙江嘉兴
本帖最后由 ryouss 于 2013-12-13 20:42 编辑 5 i: S) J2 R9 D1 E; d2 k
gt.adan 发表于 2013-12-13 10:58 static/image/common/back.gif: }+ f9 o* Z3 R* l! V6 P$ C
梁兄在5樓的貼圖,因為有拔模所以不用控制拉伸高度,2D草圖就可以完成,這相對來說是比較簡單的。5 h' I. S9 C0 x8 {; B0 ~
然而201 ...

2 ]/ I3 C$ N8 r1 A* f% ]: K抗議,版次太高無福享受! @. `8 j# i& ?8 F0 h7 \/ J
(另請教一下,一台筆電可以安裝兩個版本嗎)
发表于 2013-12-13 23:58:45 | 显示全部楼层 来自: 中国台湾
ryouss 发表于 2013-12-13 20:38 static/image/common/back.gif  O/ J2 N! h6 |) V
抗議,版次太高無福享受
: \( f' i/ M2 i# W1 n" t(另請教一下,一台筆電可以安裝兩個版本嗎)
3 A# T; z/ A. c" P7 P
呵呵,梁兄請勿調侃阿丹啊,這您早就知悉的東西,晚輩是借您的帖子做個參考文件而已。
- T: P3 @/ i  z/ t% p6 _我自己的筆電裝了2010與2012兩個版本,大致上沒啥問題,桌上pc更是裝了四個版本。$ k  z" y! T1 h" F5 ]
(有這麼多版本純粹是為了幫助大家解答各版本不同的疑問而已)
! c, g, i$ K! V+ S/ M( b3 x如果梁兄不確定筆電多版本的安裝情況,或許可以求助於幾何天子版大~
发表于 2013-12-14 00:02:51 | 显示全部楼层 来自: 中国台湾
keilei001 发表于 2013-12-13 19:08 static/image/common/back.gif1 F8 @0 B* h6 s, D
多谢梁大和阿丹。
( }& g7 q/ {, \( B. h  X$ l螺旋、阵列、扫描和放样这几样在SW中是比较难的。

, ^4 i6 R# \4 F& A前輩過謙~
& q& l( a( |2 E  S- S" F; M8 O這幾個特徵說到底除了高階工程之外,一般產業說實在甚少用到(個人經驗)。
. I8 y8 c7 b$ @/ t說比較難,不如說SW的前輩玩家們把它們昇華了吧~. e4 `* c- A# P0 u
歷年來的題目,讓吾等後輩學習到許許多多知識、思維以外的建模方式與技巧。
发表于 2013-12-14 08:07:37 | 显示全部楼层 来自: 中国河北唐山
源文件啊源文件啊
 楼主| 发表于 2013-12-14 08:23:46 | 显示全部楼层 来自: 中国浙江嘉兴
小旸仔 发表于 2013-12-14 08:07 static/image/common/back.gif
) H, U2 i+ i  u" c2 p5 I源文件啊源文件啊
. f8 S( o* n  `
沒辦法跟不上時代,放P可以理解,打包語意是很抽象
6 s) _9 ]4 G( C& x: M) D$ m附原始檔2012版 (方程式作圖)
6 `* @* d, n! b+ N6 f# }) \
渦線階柱環狀陣列.zip (155.19 KB, 下载次数: 29)
发表于 2013-12-14 08:29:03 | 显示全部楼层 来自: 中国辽宁大连
我知道proe有个阵列功能,能把阵列的对象的所有尺寸列成一个表格,然后可以修改表格进行尺寸驱动,是每个阵列的对象有差异。
+ W7 g" i/ a/ a/ d# |就是不知道solidworks如何实现。
发表于 2013-12-18 09:02:02 | 显示全部楼层 来自: 中国台湾
zhoucongda 发表于 2013-12-13 13:59 static/image/common/back.gif
+ u7 ^" s: z5 b7 e) `丹大侠,请问这个图纸用随型阵列是否可以实现呢?说明主要是右侧的表中的尺寸,到上口距离是沿铅垂线方向, ...
5 ]% r: x8 g3 D% I7 I7 D
抱歉晚了些回覆。朋友這圖紙看不出來有哪一部份是需要"陣列"的呢?
发表于 2013-12-18 11:26:06 | 显示全部楼层 来自: 中国河北唐山
ryouss 发表于 2013-12-14 08:23 static/image/common/back.gif! s) V2 K! r/ F- w$ R5 E* K: v
沒辦法跟不上時代,放P可以理解,打包語意是很抽象1 B+ q0 Z3 z) j% ]: g: s
附原始檔2012版 (方程式作圖)
( l. K. `' A1 c3 Q: }
谢谢啊
发表于 2013-12-18 12:13:35 | 显示全部楼层 来自: 中国浙江宁波
9 H" O& _: Q) M" [* z
3大高手云集啊,膜拜
发表于 2013-12-19 10:22:29 | 显示全部楼层 来自: 中国辽宁大连
本帖最后由 zhoucongda 于 2013-12-19 10:24 编辑 - B  ~/ D# l/ }5 h2 k. @  g
gt.adan 发表于 2013-12-18 09:02 http://www.3dportal.cn/discuz/static/image/common/back.gif
# f: l  @; Y) n抱歉晚了些回覆。朋友這圖紙看不出來有哪一部份是需要"陣列"的呢?

, z" Y5 m9 X/ ~" x, a% h# s1 ]7 S+ ~; {5 U' S' ^
内腔尺寸需要阵列,可以看右面的表,右面的表第一列表示从工件上平面的距离,每隔25mm一段,第二列,弧面尺寸,表示的是沿R10000,的法向尺寸,第三列,表示直面表示直面水平方向的尺寸,正常做的话,要在沿R10000法线方向,做基准面(沿竖直方向每隔25mm做一个),然后在每一个基准平面上建立草图,把对应的表中对应的尺寸输入到草绘中,最后用放样切除。
0 _. L7 ~5 ^2 m4 |" V, G如果用proe就可以只做一个草图,然后将草图沿R10000方向阵列,采用表控制的方法,对每一个截面的尺寸进行修改(此过程均在表中进行很方便)。2 ?0 @1 O; D8 W! T  C! l
听丹大说,阵列的元素特征可以修改,我想能不能实现对草图阵列,然后对每一个阵列元素进行修改呢,那样用solidworks也会比原来方法方便不少。
发表于 2013-12-20 10:51:47 | 显示全部楼层 来自: 中国辽宁大连
ryouss 发表于 2013-12-14 08:23 static/image/common/back.gif
! y7 W4 n9 {/ t( J2 U, Y0 m  |) u沒辦法跟不上時代,放P可以理解,打包語意是很抽象
  O' c2 w5 c/ h6 t& e! Y附原始檔2012版 (方程式作圖)

" `6 q1 k' H1 }/ j) G楼主,我下载了你的源文件,可不可以告诉我是怎么做的,我怎么看不懂呢?好奇怪啊!谢谢!
发表于 2013-12-20 11:16:32 | 显示全部楼层 来自: 中国辽宁大连
请问大侠,源文件中的方程式显示菜单中的全局变量D5~D9是干什么用的,我删除之后对模型没有什么影响啊!
发表于 2013-12-20 12:07:56 | 显示全部楼层 来自: 中国福建福州
高手云集
 楼主| 发表于 2013-12-20 14:40:30 | 显示全部楼层 来自: 中国浙江嘉兴
zhoucongda 发表于 2013-12-20 11:16 static/image/common/back.gif
2 G5 {& Q$ |% k! Y3 m9 s, V请问大侠,源文件中的方程式显示菜单中的全局变量D5~D9是干什么用的,我删除之后对模型没有什么影响啊!

9 `  R  R) o- J! Y0 l沒關係的
发表于 2013-12-21 21:34:49 | 显示全部楼层 来自: 中国广东东莞
谢谢,又学习好技巧。
发表回复
您需要登录后才可以回帖 登录 | 注册

本版积分规则


Licensed Copyright © 2016-2020 http://www.3dportal.cn/ All Rights Reserved 京 ICP备13008828号

小黑屋|手机版|Archiver|三维网 ( 京ICP备2023026364号-1 )

快速回复 返回顶部 返回列表