QQ登录

只需一步,快速开始

登录 | 注册 | 找回密码

三维网

 找回密码
 注册

QQ登录

只需一步,快速开始

展开

通知     

查看: 1392|回复: 1
收起左侧

[求助] 求异型冲怎样加工

[复制链接]
发表于 2013-11-18 16:05:45 | 显示全部楼层 |阅读模式 来自: 中国重庆

马上注册,结识高手,享用更多资源,轻松玩转三维网社区。

您需要 登录 才可以下载或查看,没有帐号?注册

x
本帖最后由 happlymin 于 2013-11-18 16:06 编辑
( k, R; b; @2 ^# m0 T5 c9 q  D' j7 C1 X
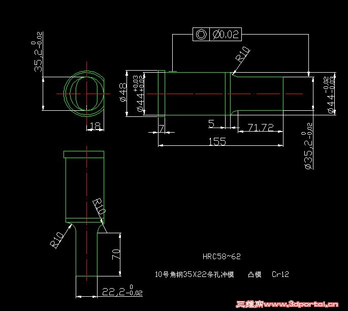
求异型冲  条形部位 怎样加工    现在不考虑CNC和电火花. 有其他加工手段吗??7 N& V: V7 l5 L$ ~2 Y
1.jpg
发表于 2014-3-9 17:04:03 | 显示全部楼层 来自: 中国广东深圳
万能冲子成形器
发表回复
您需要登录后才可以回帖 登录 | 注册

本版积分规则


Licensed Copyright © 2016-2020 http://www.3dportal.cn/ All Rights Reserved 京 ICP备13008828号

小黑屋|手机版|Archiver|三维网 ( 京ICP备2023026364号-1 )

快速回复 返回顶部 返回列表