QQ登录

只需一步,快速开始

登录 | 注册 | 找回密码

三维网

 找回密码
 注册

QQ登录

只需一步,快速开始

展开

通知     

查看: 1920|回复: 15
收起左侧

[讨论] 怎么画水表壳

[复制链接]
发表于 2013-11-1 12:48:20 | 显示全部楼层 |阅读模式 来自: 中国浙江宁波

马上注册,结识高手,享用更多资源,轻松玩转三维网社区。

您需要 登录 才可以下载或查看,没有帐号?注册

x
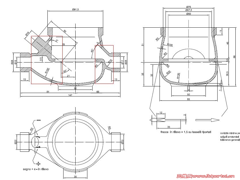
请高手帮忙看一下,左右两边的扫描怎么做。
: a- u5 p2 \5 b1 s3 b谢谢
1 u" ]" K$ ^; E
捕获407.JPG
捕获408.JPG
发表于 2013-11-1 15:27:46 | 显示全部楼层 来自: 中国天津

RE: 怎么画水表壳

回去帮你,我是手机上的论坛,亲
 楼主| 发表于 2013-11-1 16:18:42 | 显示全部楼层 来自: 中国浙江宁波
激动的,无限感动
 楼主| 发表于 2013-11-1 16:20:50 | 显示全部楼层 来自: 中国浙江宁波
附件是做好中间旋转的sdprt

body1.rar

166.62 KB, 下载次数: 28

评分

参与人数 1三维币 +3 收起 理由
阿帕奇 + 3

查看全部评分

发表于 2013-11-2 12:41:31 | 显示全部楼层 来自: 中国江苏苏州
这个水平连接的地方,我也不会画。请路过的指点
发表于 2013-11-2 12:49:11 来自手机 | 显示全部楼层 来自: 中国天津
Goldenburg 发表于 2013-11-1 16:18, ]0 _. C( D9 i; ~
激动的,无限感动

. V  D& {, a5 t能不能把这个图发到我的qq上,434389141
 楼主| 发表于 2013-11-2 13:58:45 | 显示全部楼层 来自: 中国浙江杭州
平面图已经发到你QQ邮箱,请查收
  q! r6 ~" K$ P8 A7 g& i谢谢
 楼主| 发表于 2013-11-2 14:04:45 | 显示全部楼层 来自: 中国浙江杭州
附件是我画的一个水表接头的装配图,供大家分享,这是有实际生产的,完全由我菜鸟制作,也请高手指正。# y' |2 C- l! h% x( h3 _
谢谢

TailpieceNNut.rar

734.88 KB, 下载次数: 44

评分

参与人数 1三维币 +3 收起 理由
阿帕奇 + 3

查看全部评分

发表于 2013-11-2 17:20:05 | 显示全部楼层 来自: 中国福建泉州
:lol::lol::lol::lol::lol::lol::lol::lol:
发表于 2013-11-6 10:24:42 | 显示全部楼层 来自: 中国江苏泰州
本帖最后由 jsjy-wgz 于 2013-11-6 10:27 编辑
% k! |; Y/ @5 b" d
& n, j7 z) S0 I/ Q7 H: c5 [还是有一定难度的。现贴上图两张图片。
水表底壳.jpg
水表底轴侧图.jpg
水表底1.jpg
发表于 2013-11-6 11:55:24 | 显示全部楼层 来自: 中国浙江杭州
我原来也在HL水表做过……顶一个!
 楼主| 发表于 2013-11-6 14:25:42 | 显示全部楼层 来自: 中国浙江宁波
请给详细三维步骤图啊
 楼主| 发表于 2013-11-6 16:25:28 | 显示全部楼层 来自: 中国浙江宁波
谢谢阿帕奇,竟然所有上传的都仔细看过,太令人感动,敬佩
发表于 2013-11-8 09:05:56 | 显示全部楼层 来自: 中国天津

RE: 怎么画水表壳

我画了个赝品。哈哈
235.JPG
发表于 2013-11-8 09:34:04 | 显示全部楼层 来自: 中国江苏盐城
渲染的不错,不过上面有些斑点
发表于 2013-11-8 10:33:17 | 显示全部楼层 来自: 中国天津

RE: 怎么画水表壳

君无极 发表于 2013-11-8 09:34 static/image/common/back.gif
, k7 ~0 v7 r; ~9 c2 ~3 P渲染的不错,不过上面有些斑点

" ~0 Y$ Q/ e+ l7 K7 R; E8 i" e! y那个背景不好,所以能看到黑点子。哈哈
发表回复
您需要登录后才可以回帖 登录 | 注册

本版积分规则


Licensed Copyright © 2016-2020 http://www.3dportal.cn/ All Rights Reserved 京 ICP备13008828号

小黑屋|手机版|Archiver|三维网 ( 京ICP备2023026364号-1 )

快速回复 返回顶部 返回列表