QQ登录

只需一步,快速开始

登录 | 注册 | 找回密码

三维网

 找回密码
 注册

QQ登录

只需一步,快速开始

展开

通知     

查看: 2536|回复: 10
收起左侧

[已解决] 角钢(40*40*4)冲孔问题

[复制链接]
发表于 2013-10-28 08:27:13 | 显示全部楼层 |阅读模式 来自: 中国广东惠州

马上注册,结识高手,享用更多资源,轻松玩转三维网社区。

您需要 登录 才可以下载或查看,没有帐号?注册

x
本帖最后由 jiang.jh 于 2013-12-10 17:07 编辑
. E- p" z' w  h  @9 L) ]- n
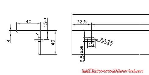
* y$ y) Y# @. m* ^图示:角钢(40*40*4)冲孔,孔尺寸(6.5*13),24孔/件,孔距125,模具方面有哪些注意点?谢!
5 H" K" J" C6 F, i1 @
. T- H3 N& t7 F# W 01.jpg
; P4 L. T3 h' O8 |: G; H& h/ w2 \+ d5 o  a* o! {3 f% O; _: V
发表于 2013-10-28 09:33:17 | 显示全部楼层 来自: 中国重庆
把凹模做成镶件结构.一模做两孔 注意定位.

评分

参与人数 1三维币 +2 收起 理由
开亮 + 2

查看全部评分

 楼主| 发表于 2013-10-28 10:46:51 | 显示全部楼层 来自: 中国广东惠州
happlymin 发表于 2013-10-28 09:33 static/image/common/back.gif7 ?0 z6 X4 s* B- {
把凹模做成镶件结构.一模做两孔 注意定位.

/ c) R. I5 g& U4 c4 _* }谢谢回复!5 i- D1 A: P" n7 ^6 b
以下问题请教:7 ^9 N7 ]0 J. m  u) u) a4 G
A、孔到边距离15(0,+1),此为型材冲孔,上模退料怎么解决?' U# }, J8 [$ o, p
B、 孔尺寸才6.5*13,料厚4mm, 冲针易断,一次冲两孔更加麻烦?
发表于 2013-10-28 11:16:53 | 显示全部楼层 来自: 中国江苏苏州
lfjliu008 发表于 2013-10-28 10:46 static/image/common/back.gif) f+ _% f' b. x% q: Z7 V& n% @
谢谢回复!
) ?0 \( Y8 H( u8 @  _. q+ v以下问题请教:
: l0 e1 Z5 P1 @5 j% BA、孔到边距离15(0,+1),此为型材冲孔,上模退料怎么解决?
0 z5 v: b  p+ t+ F9 }5 L: J
上模退料你肯定要有卸料版的。
0 w2 F' r1 Q6 _$ f  \# @冲针选用高速钢或者Gr12MoV。一般不会断的。

评分

参与人数 1三维币 +2 收起 理由
开亮 + 2

查看全部评分

发表于 2013-10-28 12:44:30 | 显示全部楼层 来自: 中国湖北黄冈
孔的宽度大于深度的1.5倍、搞好导向应该没问题。

评分

参与人数 1三维币 +2 收起 理由
开亮 + 2

查看全部评分

 楼主| 发表于 2013-10-28 13:15:23 | 显示全部楼层 来自: 中国广东惠州
sha074534 发表于 2013-10-28 11:16 static/image/common/back.gif
# x6 `' r+ b$ Y$ h4 ?上模退料你肯定要有卸料版的。( c" ~; j8 [* T, K
冲针选用高速钢或者Gr12MoV。一般不会断的。
' |2 m; Q0 p3 O  S. _" K, `
此角铁件,孔到边距离只有15(0,+1),且含一个板厚4mm, 因孔边距太近故角铁边朝下冲孔难以实现。! w* f' Q8 M8 |$ b5 o
所以只能边朝上冲孔,请问上模怎么带退料板?
 楼主| 发表于 2013-10-28 13:18:22 | 显示全部楼层 来自: 中国广东惠州
本帖最后由 lfjliu008 于 2013-10-28 17:16 编辑
% w1 F. Z1 j3 \( }1 {1 e% a
tangcarlos3d 发表于 2013-10-28 12:44 http://www.3dportal.cn/discuz/static/image/common/back.gif# E$ Y- O  t' y  x% v  V
孔的宽度大于深度的1.5倍、搞好导向应该没问题。
* F, S; F9 t: ?% U+ V

) a7 \+ t; J: p/ }2 f如上述6楼回复,因孔到边距离问题,角铁件只能边朝上冲孔,上模退料实现困难,容易挤冲针,造成断孔,请问上模退料问题有什么好办法?
发表于 2013-10-29 08:44:52 | 显示全部楼层 来自: 中国重庆
happlymin 发表于 2013-10-28 09:33 static/image/common/back.gif# J$ [# j' s2 z; T  X; X
把凹模做成镶件结构.一模做两孔 注意定位.

) ]* [- n, O3 t, U9 i+ d1 ?2 P你自己想的太难了.我们以前做个这个.直接就冲孔模结构.角钢没有好硬.那有你考虑的那么多哦.

评分

参与人数 1三维币 +2 收起 理由
开亮 + 2

查看全部评分

发表于 2013-12-8 10:53:44 | 显示全部楼层 来自: 中国广东佛山
你自己想的太难了
发表于 2013-12-9 10:35:59 | 显示全部楼层 来自: 中国江苏常州
我冲6mm角钢都没问题,怕冲针断,就做成台阶式,增加冲头强度,卸料的话也很容易,不要想的太复杂,你在凸凹模上略微倒点角,那样还能减少模具崩口
 楼主| 发表于 2013-12-10 15:44:02 | 显示全部楼层 来自: 中国广东惠州
谢谢楼上各位的热心答复1 ]/ P" G2 a9 E" X# P$ _
此问题已解决,已批量生产,请版主将“求助”修改为“已解决”。
发表回复
您需要登录后才可以回帖 登录 | 注册

本版积分规则


Licensed Copyright © 2016-2020 http://www.3dportal.cn/ All Rights Reserved 京 ICP备13008828号

小黑屋|手机版|Archiver|三维网 ( 京ICP备2023026364号-1 )

快速回复 返回顶部 返回列表