QQ登录

只需一步,快速开始

登录 | 注册 | 找回密码

三维网

 找回密码
 注册

QQ登录

只需一步,快速开始

展开

通知     

全站
6天前
查看: 2851|回复: 8
收起左侧

[求助] 凸轮分析

[复制链接]
发表于 2013-10-19 11:45:46 | 显示全部楼层 |阅读模式 来自: 中国江苏苏州

马上注册,结识高手,享用更多资源,轻松玩转三维网社区。

您需要 登录 才可以下载或查看,没有帐号?注册

x
本帖最后由 jingfei 于 2013-10-19 11:50 编辑 $ D$ ?) P# p5 Q, ^4 L0 w; Z( n
8 M3 y" ]$ w# n8 k3 c

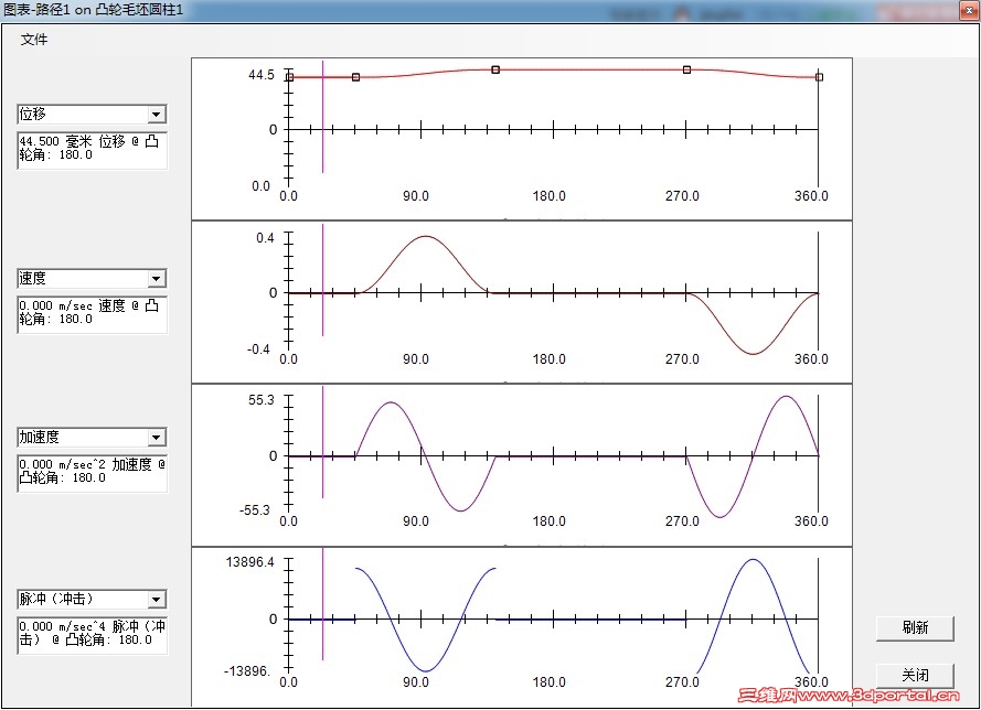
图片A

图片A

2 G6 B$ v: B  U9 Y8 w有专业学过凸轮的可以解释下凸轮附表内:速度、加速度、压力角、扭矩、法向力、曲率半径、应力接触、脉冲的含义吗?
: c8 d- l6 H* T' h3 x1 I0 Q- D/ G b.jpg
! b+ N5 k' B& b, J! } c.jpg % S. [& ?. S9 Z' g3 p+ a$ M3 U
d.jpg
  k% y, `" \- J4 o4 ], v. X$ {, { e.jpg 5 a# z) C6 e, R
f.jpg
6 ?0 h0 m2 X+ i! m$ ]* W g.jpg
) \: ?+ J; P& N5 U$ D
发表于 2013-10-19 19:56:03 | 显示全部楼层 来自: 中国湖南株洲
什么软件模拟的?
 楼主| 发表于 2013-10-22 15:10:49 | 显示全部楼层 来自: 中国江苏苏州
liusha1010 发表于 2013-10-19 19:56 static/image/common/back.gif
+ K0 M% C" \' @什么软件模拟的?
* h/ e  L* ~1 Q: q- G" T. Z5 K
CamTrax64.EXE
发表于 2013-10-25 17:37:56 | 显示全部楼层 来自: 中国天津
jingfei 发表于 2013-10-22 15:10 static/image/common/back.gif) k$ A" j( ]9 X: _( ?* t
CamTrax64.EXE

& a# c( p- x/ m2 J0 |你想问的是什么?
发表于 2013-10-28 10:17:28 | 显示全部楼层 来自: 中国辽宁盘锦
弱弱的问一句,你对凸轮有过了解吗?
发表于 2013-10-29 09:51:24 | 显示全部楼层 来自: 中国天津
了解一下,关注中
发表于 2013-11-13 16:24:01 | 显示全部楼层 来自: 中国浙江杭州
试用了一下,不错!值得拥有, y! T. B1 R3 Y+ i" [5 }, Q2 {- m
 楼主| 发表于 2013-11-15 09:42:05 | 显示全部楼层 来自: 中国江苏苏州
阿帕奇 发表于 2013-10-28 10:17 static/image/common/back.gif0 f& g1 ?- {/ u& h' X' T$ y
弱弱的问一句,你对凸轮有过了解吗?

6 G5 D9 K: Z% C3 e$ _- u2 K4 o- d& R尊敬的版主:; ^- l2 s3 P- G: r
                 对凸轮的了解来自于一些大学公开课的演讲,听的只是些基础,具体的内容实在是不了解,为了能了解具体,特发帖求助!
发表于 2013-11-15 10:29:53 | 显示全部楼层 来自: 中国辽宁盘锦
jingfei 发表于 2013-11-15 09:42 static/image/common/back.gif
! i5 R7 I7 _  J5 I3 ~0 ^( {- k尊敬的版主:
' u* G: }  l% F7 u! n8 Q                 对凸轮的了解来自于一些大学公开课的演讲,听的只是些基础,具体的内容实 ...
0 v) G  Q& c' q3 K+ ^" ?! G
怪不得,对那些曲线那么陌生: C0 U" K0 V6 q& b
建议看一些基本的资料,你就可以弄懂了,尤其是软件本身的帮助
发表回复
您需要登录后才可以回帖 登录 | 注册

本版积分规则


Licensed Copyright © 2016-2020 http://www.3dportal.cn/ All Rights Reserved 京 ICP备13008828号

小黑屋|手机版|Archiver|三维网 ( 京ICP备2023026364号-1 )

快速回复 返回顶部 返回列表