QQ登录

只需一步,快速开始

登录 | 注册 | 找回密码

三维网

 找回密码
 注册

QQ登录

只需一步,快速开始

展开

通知     

查看: 1925|回复: 17
收起左侧

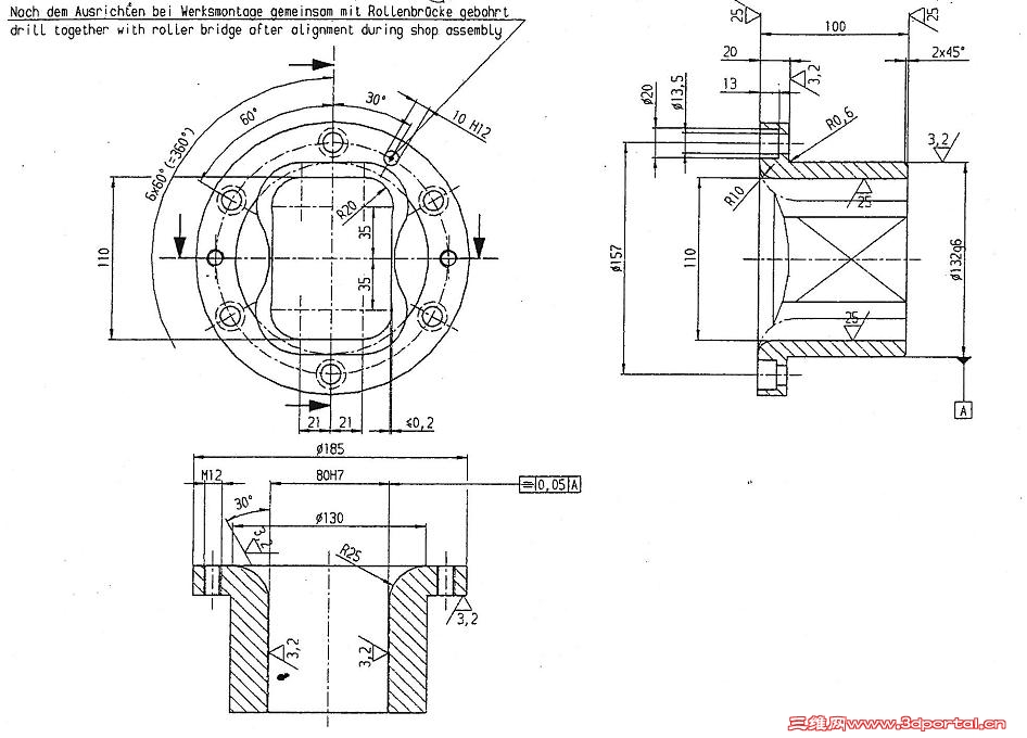
[求助] 帮忙建模

[复制链接]
发表于 2013-9-27 10:57:25 | 显示全部楼层 |阅读模式 来自: 中国内蒙古包头

马上注册,结识高手,享用更多资源,轻松玩转三维网社区。

您需要 登录 才可以下载或查看,没有帐号?注册

x
麻烦哪位朋友能将图片中图形键个模,非常感谢!$ K+ v( Z* r6 {1 N+ o$ B3 ?

图纸是否正确?

图纸是否正确?
发表于 2013-9-27 11:04:38 | 显示全部楼层 来自: 中国广东珠海
本帖最后由 Bobo丶 于 2013-9-27 12:54 编辑 5 D0 v9 i- u1 a3 M0 z6 ^

7 a" r: p" z7 x3 A" Y; X: w* c! S, H: z很简单的图,草图你应该懂画- h$ ^& z- h$ E: T3 H% h
你只要学习几个特征命令完全可以自己画出来
& X" q. b4 X" n  N用到的特征有:拉伸凸台、拉伸切除、异型孔
$ g& V) M8 l1 S$ O& |只有3个命令,最多用半天的时间
' i1 C; a! t: W/ W( ?0 R自己动手丰衣足食,伸手党不太受欢迎
 楼主| 发表于 2013-9-27 13:29:07 | 显示全部楼层 来自: 中国内蒙古包头
我画出来投影不对啊,要对我也不会来请教大家,你可以画出来弄个图片我看一下就行了!我不要源文件。哎.....
发表于 2013-9-27 13:31:59 | 显示全部楼层 来自: 中国四川攀枝花
我也画了一个,好像是有些不对
* P* \0 H9 W/ B/ q* Y9 F1 W 快照4.png
4 O! C: i" t, s0 {3 f! E. M8 ^ 零件1.rar (358.89 KB, 下载次数: 22)
 楼主| 发表于 2013-9-27 14:08:26 | 显示全部楼层 来自: 中国内蒙古包头
谢谢4楼,这是我画的!投影不对,是不原图有误?
{29D0B303-AE86-411D-80E3-85606BD7ED3C}.jpg
发表于 2013-9-27 14:13:25 | 显示全部楼层 来自: 中国黑龙江大庆
本帖最后由 tntk 于 2013-9-27 14:15 编辑
; ?5 b2 E9 J' j1 I1 K0 }9 ~; h1 }, b( U* k9 }
这个图真是没看懂,很可能图纸出问题了。3 h0 x$ d5 s: ?# Q7 X# A5 q
或者国外的图纸,标准和咱们不一样,线型啥的,尺寸冗余漏标之类的。
# e, F; h8 q$ v3 T# c" V1 r! O& Q5 w6 O9 f  K# a1 N# a! H+ F
8 I7 g; ^; \3 h
楼上的图纸和原图差异太大了。
发表于 2013-9-27 18:50:33 | 显示全部楼层 来自: 中国青海海西蒙古族藏族自治州
下面这个图是不是问题所在?
7 o) _- ?+ V! E6 ^  a( w3 Y. L. |! g. Z% ]  d8 e) [* y$ _5 B
wt.gif
发表于 2013-9-27 20:56:36 | 显示全部楼层 来自: 中国江苏苏州
这个图真是匪夷所思
发表于 2013-9-27 20:59:16 | 显示全部楼层 来自: 日本
gongwen0519 发表于 2013-9-27 18:50 static/image/common/back.gif
2 U5 y0 S' X+ c1 t2 G- b' \0 Z下面这个图是不是问题所在?
0 f; m: \5 `: z! Q% `
问题1
+ {9 G( r! R/ X& N& \3 k
9 r( ^3 f6 s0 Q' Q+ a, h, Y" H4 ] 捕获.PNG
发表于 2013-9-27 21:07:45 | 显示全部楼层 来自: 中国青海海西蒙古族藏族自治州
本帖最后由 gongwen0519 于 2013-9-27 21:09 编辑 8 `$ w! f. G& y- L& R1 [" n1 c
hongwei_1987jp 发表于 2013-9-27 20:59 http://www.3dportal.cn/discuz/static/image/common/back.gif
! |: U* h, w1 ~$ _. {/ u# Z. ]: S问题1

, l  T2 v$ h0 k4 w1 p
% D- k$ H' h( s2 M6 `3 b呵呵,问题一解读正确,谢谢。。
发表于 2013-9-27 21:51:29 | 显示全部楼层 来自: 中国北京
顶七楼 一样
发表于 2013-9-28 11:48:18 | 显示全部楼层 来自: 中国河南郑州
发表于 2013-9-28 14:55:43 | 显示全部楼层 来自: 日本
应该是这个样子吧? 尺寸上好像是有问题。2 I/ W# G. [: |( k
5 V5 M8 B) h  a7 \+ V
& e( s! X5 t) P( E) t
捕获.JPG
; F  m8 o5 E( n7 `! i
, x. I. N  y% Q( u$ d" z
发表于 2013-9-28 20:05:50 | 显示全部楼层 来自: 中国福建泉州
:doubt::doubt:
发表于 2013-10-8 15:31:04 | 显示全部楼层 来自: 中国黑龙江大庆
105704tenmsz0l6l64c0kc.jpg
发表于 2013-12-2 22:00:04 | 显示全部楼层 来自: 中国山东泰安
高手如云   
发表于 2013-12-2 22:52:34 | 显示全部楼层 来自: 中国湖南株洲
确实很难理解?
发表于 2013-12-4 13:00:18 | 显示全部楼层 来自: 中国山东烟台
看看是不是这个样子
帮忙建模.JPG

帮忙建模.zip

269.02 KB, 下载次数: 2

发表回复
您需要登录后才可以回帖 登录 | 注册

本版积分规则


Licensed Copyright © 2016-2020 http://www.3dportal.cn/ All Rights Reserved 京 ICP备13008828号

小黑屋|手机版|Archiver|三维网 ( 京ICP备2023026364号-1 )

快速回复 返回顶部 返回列表