QQ登录

只需一步,快速开始

登录 | 注册 | 找回密码

三维网

 找回密码
 注册

QQ登录

只需一步,快速开始

展开

通知     

查看: 2515|回复: 8
收起左侧

[求助] 绘制M6螺钉牙型轮廓中的等边三角形边长该怎么确定?

[复制链接]
发表于 2013-8-3 22:29:29 | 显示全部楼层 |阅读模式 来自: 中国江苏扬州

马上注册,结识高手,享用更多资源,轻松玩转三维网社区。

您需要 登录 才可以下载或查看,没有帐号?注册

x
绘制M6螺钉,牙型轮廓中的等边三角形边长该怎么确定?下图边长为0.9是怎么来的
GL2U2[BHG$A6VV$OP4Y@7VR.jpg
发表于 2013-8-3 23:46:38 | 显示全部楼层 来自: 中国浙江嘉兴
本帖最后由 ryouss 于 2013-8-4 00:17 编辑
' M5 r) }9 K+ Y2 _9 ^
0 B8 o2 j3 d4 \M6粗螺紋牙距為1,所以正三角形的邊長須稍小於1,
8 `4 W- s$ S0 T" o+ |( ]但若是作螺紋切削除料,只要控制切削深度,正三角形的邊長也可大於1.% ]9 t4 \6 z- D7 G
順便提醒一下,當個機械技師基本螺紋牙距應該把常用標準粗螺紋牙距記牢,4 `3 `2 P. x) b1 ]! N4 t
如M6=1,M8=1.25,M10=1.5,M12=1.75,M16=2 其實是很好記的,不知有沒有發現,M6~M16牙距是累加0.25,( f4 r9 V- @. h+ W: P. E# ^
所以記住M6=1,其他算一下就知道了(M7,M9,M11,M13,M14,M15 不常用跳掉就是).2 O* X. y) h9 d8 [; M

1 o9 t" e9 S8 \
 楼主| 发表于 2013-8-4 20:29:25 | 显示全部楼层 来自: 中国江苏南京
M27标准牙距是3,但是我有个实例上把边长绘制成1.4。这个对不对啊?
发表于 2013-8-4 22:41:22 | 显示全部楼层 来自: 中国天津
爱上下午茶 发表于 2013-8-4 20:29 static/image/common/back.gif2 k7 e" u: }9 M) ]
M27标准牙距是3,但是我有个实例上把边长绘制成1.4。这个对不对啊?

2 g3 P1 z; y/ q' e螺距的问题根本不需要花很多时间和精力去研究,标准的东西套用即可;2 y2 [7 d3 R, C
' J, O( V0 w8 v
类似的问题应自己去查手册和标准,你问了半天,还是什么都不知道。
发表于 2013-8-5 07:22:24 | 显示全部楼层 来自: 中国江苏常州
首楼的画法只是个近似图而已。' o3 b  g) @4 o8 F8 G9 }! N/ h
普通三角螺纹的牙形,在螺纹标准中有规定。而这个标准,在任何机械手册里都会有。只要找一本机械设计手册读一读就可以知道。
8 o# ~4 g' F# d- ~, T* C5 v9 C3 n. z$ P5 A! t机械工程师不读机械设计手册,有点不可思议。/ ?! X6 R, W4 y, u* D, W- ^9 l$ b
发表于 2013-8-5 07:28:03 | 显示全部楼层 来自: 中国江苏常州
本帖最后由 pyhcz 于 2013-8-5 07:46 编辑
/ j  ]5 c6 }3 w% v: [) l! H: y6 w+ n
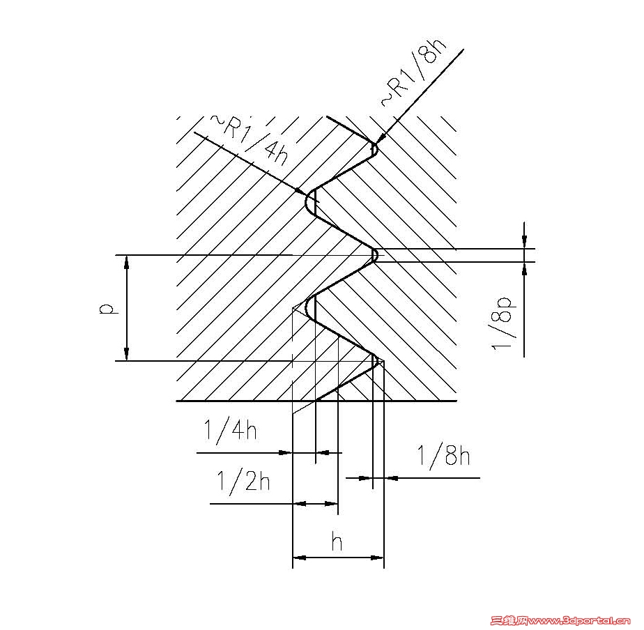
首先要清楚,所谓三角螺纹的牙形截面并不是完整的三角形,其实它和梯形螺纹一样也是等腰梯形,只不过这梯形的上边很小而已。6 `( L% t. _* b4 z$ E3 |" D
一个旋合的普通螺纹螺杆螺母的截面如下:" P% p7 V8 D& g& b! o
2013080501.jpg $ l7 I3 E/ @% x4 _$ d8 q2 X
图中h=0.866p。
* q3 r7 c: q" d. O( f4 h首楼的螺距为1,这样,其图形上标注为0.9的长度就应为0.875,并且其底部锐角也应该有个不大于0.17的R才好。
发表于 2013-8-5 07:49:34 | 显示全部楼层 来自: 中国江苏常州
对于这些机械基本常识,赞成4楼lht 的意见:3 ]- H- y  ?: h3 p% H9 J
“类似的问题应自己去查手册和标准”。
* B+ R$ p0 Z( _' `不然,“你问了半天,还是什么都不知道”。
 楼主| 发表于 2013-8-5 11:39:18 | 显示全部楼层 来自: 中国天津
不是这样的,我只是在绘制齿轮泵时要绘制M27的牙时查过手册牙距是3,而我的实例当中把等边绘制成1.4。总之我之前的意思是想了解的是上图等边三角形的边长是否绘制成牙距?即可  对于标准件我想大家都知道在TOOLBOX设置调用即可。
 楼主| 发表于 2013-8-5 11:42:02 | 显示全部楼层 来自: 中国天津
但是我还是很愿意的接受大家的批评,毕竟大家共同学习吗
发表回复
您需要登录后才可以回帖 登录 | 注册

本版积分规则


Licensed Copyright © 2016-2020 http://www.3dportal.cn/ All Rights Reserved 京 ICP备13008828号

小黑屋|手机版|Archiver|三维网 ( 京ICP备2023026364号-1 )

快速回复 返回顶部 返回列表