QQ登录

只需一步,快速开始

登录 | 注册 | 找回密码

三维网

 找回密码
 注册

QQ登录

只需一步,快速开始

展开

通知     

查看: 1758|回复: 11
收起左侧

[求助] 请教这根针怎么做?

[复制链接]
发表于 2013-8-2 08:36:02 | 显示全部楼层 |阅读模式 来自: 中国广东肇庆

马上注册,结识高手,享用更多资源,轻松玩转三维网社区。

您需要 登录 才可以下载或查看,没有帐号?注册

x
本帖最后由 依风飘 于 2013-8-3 20:11 编辑 / l  P% }9 G. `6 |1 j

/ L  m; B( ~+ M& x2 w+ O5 K; A 12-65.JPG
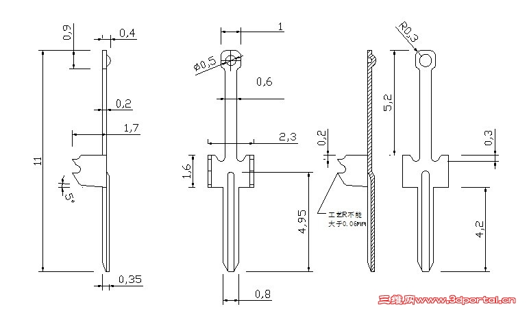
& D1 g8 U& w2 _, w1 J" i针要插进盖子的孔里面的,盖子已经做好,请问各位高手针用什么思路做出来?
1 m1 D0 J* n9 Z" ] QQ图片20130802083503.jpg + N( p  L. j3 y  ?6 g
做到这一步,不知道下面怎么做了,请大神不吝赐教哇* `; F' j6 {2 L3 X6 q% d8 n0 C
导针.JPG
发表于 2013-8-2 08:44:10 | 显示全部楼层 来自: 中国湖北黄冈
什么材料?多厚?用级进模冲出来。
发表于 2013-8-2 08:47:10 | 显示全部楼层 来自: 中国广东深圳
是問如何制造出來,還是問如何畫3D圖?
发表于 2013-8-2 08:53:24 | 显示全部楼层 来自: 中国广东东莞
一定是金屬,冲压模出.導电用
 楼主| 发表于 2013-8-2 09:01:49 | 显示全部楼层 来自: 中国广东肇庆
磷青铜镀锡,冲压出来的,是想画3D图,刚接触这个软件,谢谢
 楼主| 发表于 2013-8-3 20:15:33 | 显示全部楼层 来自: 中国广东肇庆
请各位高手帮帮忙,多谢啦
发表于 2013-8-4 14:51:01 | 显示全部楼层 来自: 中国浙江台州
先将他转化为钣金,在做两条折弯线,折弯
发表于 2013-8-4 15:40:00 | 显示全部楼层 来自: 中国陕西西安
纽扣电池座
发表于 2013-8-4 15:44:21 | 显示全部楼层 来自: 中国河南郑州
应该用钣金,两边的折弯很容易做,就是冲压成形的部分不好做。sw有个成形工具,可以自定义,有点难度,没怎么玩过,你可以找找这方面的教材学习一下。
发表于 2013-8-4 18:24:51 | 显示全部楼层 来自: 中国浙江嘉兴
用曲面或是钣金都可以。主要是那条长筯
发表于 2013-8-5 12:13:41 | 显示全部楼层 来自: 中国北京
有DXF 图吗  发给我   这个图是用钣金做的
. N5 H) e9 q6 f, `
# x! H1 N& V* O$ U$ G
 楼主| 发表于 2013-8-10 15:31:32 | 显示全部楼层 来自: 中国广东肇庆
用尽各种笨方法,终于做出来了,哈哈
QQ图片20130810152704.jpg
发表回复
您需要登录后才可以回帖 登录 | 注册

本版积分规则


Licensed Copyright © 2016-2020 http://www.3dportal.cn/ All Rights Reserved 京 ICP备13008828号

小黑屋|手机版|Archiver|三维网 ( 京ICP备2023026364号-1 )

快速回复 返回顶部 返回列表