QQ登录

只需一步,快速开始

登录 | 注册 | 找回密码

三维网

 找回密码
 注册

QQ登录

只需一步,快速开始

展开

通知     

查看: 2685|回复: 17
收起左侧

[已解决] 这种形状用SW应该怎么画?

[复制链接]
发表于 2013-7-31 11:59:45 | 显示全部楼层 |阅读模式 来自: 中国广东深圳

马上注册,结识高手,享用更多资源,轻松玩转三维网社区。

您需要 登录 才可以下载或查看,没有帐号?注册

x
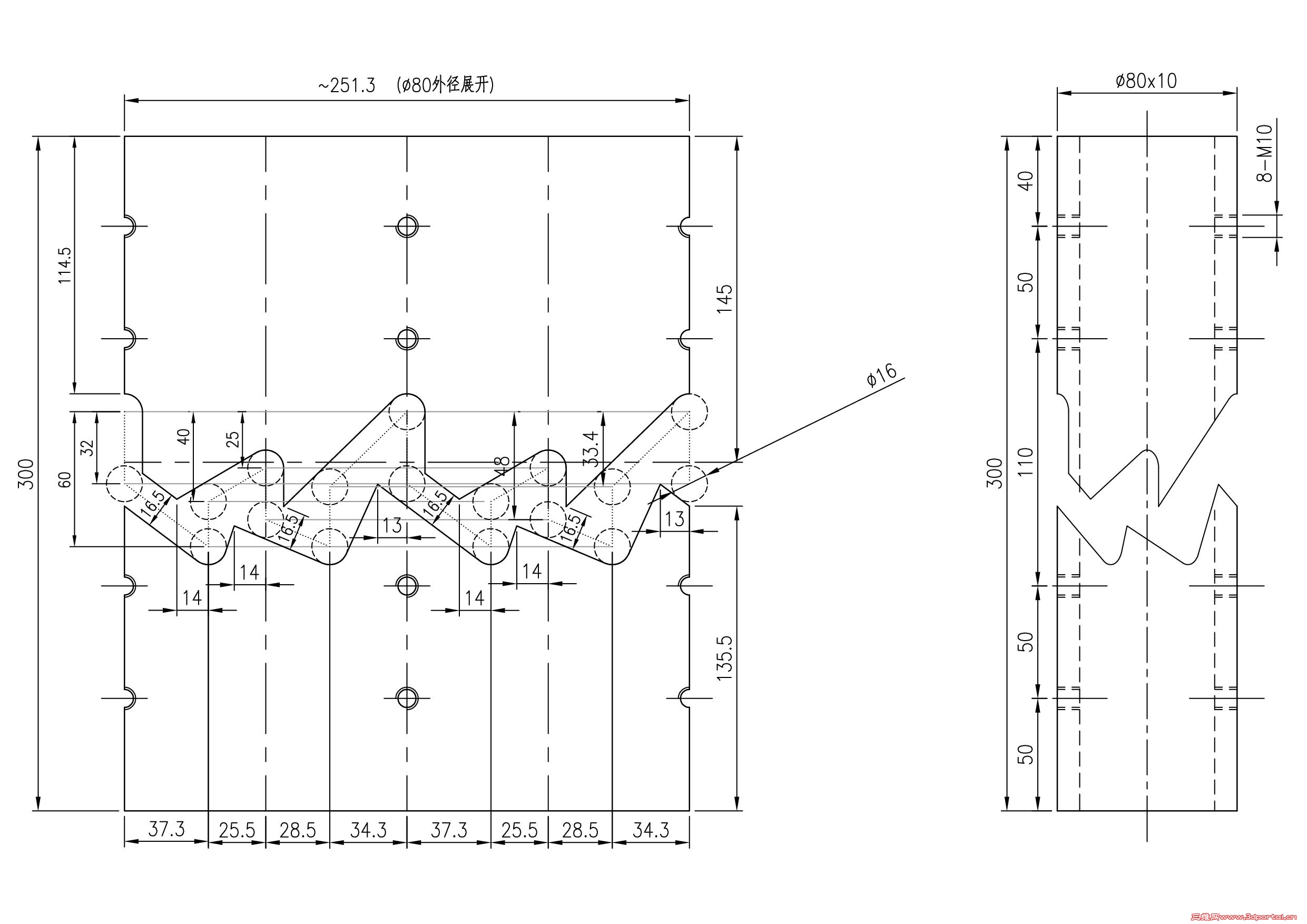
Loop Units.jpg
+ p8 Q* y' K8 a, l: ^- _
7 \9 j) Z' O! J# w+ L7 p如上图,好比是:将一张厚度10mm的纸,按左图那样裁剪,然后卷成圆筒。$ t2 l* U$ O0 f

8 H. B( f9 B& l' Q6 ~3 m* N0 F IMG_20130731_115625.jpg   w& |( v; ?, e* h# B* C, v' F

5 N" q2 O4 l( j7 _# S7 v5 t# U; E3 I0 @  J
发表于 2013-7-31 13:15:00 | 显示全部楼层 来自: 中国四川攀枝花
用包覆命令5 C# n* s/ u' D3 E
参考这一帖) g7 ~2 _1 Y- J0 k* E5 V: ]
http://www.3dportal.cn/discuz/fo ... wthread&tid=1279909
" @" m" _; Y4 e# q! S: E$ l* P# `' L3 {$ u

  v# Y( J9 e% W* T; w) G7 h或者用钣金
发表于 2013-8-1 00:38:08 | 显示全部楼层 来自: 中国四川攀枝花
刚好有空,帮楼主画了一个,看看是否符合楼主要求8 c. P) ~/ T* o; ~# _: \9 b: f
快照12.png 1 R% W3 S9 o7 f8 s+ j
快照13.png
9 b2 }" \1 M) X2012版零件: yt.rar (201.6 KB, 下载次数: 55)

评分

参与人数 1三维币 +3 收起 理由
阿帕奇 + 3

查看全部评分

发表于 2013-8-1 10:43:48 | 显示全部楼层 来自: 中国广东广州
本帖最后由 neptune0311 于 2013-8-1 10:45 编辑
! y, ^5 C4 P5 Z  ]4 |8 D, Q
pzhzs 发表于 2013-8-1 00:38 static/image/common/back.gif! n- ]3 z$ h( V( U$ `6 T! L+ n' U
刚好有空,帮楼主画了一个,看看是否符合楼主要求
( \/ F) _6 a0 Q& L5 Y5 S
请问包覆草图宽度是和零件外圆的周长数值一样呢?我设置成一样怎么切不完整.....有一点是连着的。。
发表于 2013-8-1 11:39:13 | 显示全部楼层 来自: 中国四川攀枝花
neptune0311 发表于 2013-8-1 10:43 static/image/common/back.gif
5 n2 M7 R% S' i2 q" y9 d& I& d请问包覆草图宽度是和零件外圆的周长数值一样呢?我设置成一样怎么切不完整.....有一点是连着的。。
7 V+ W9 Y# j: l/ F0 N5 w
用方程式或者直接输入80*pi4 g/ l6 ~) v+ j' u, `) f5 G
快照1.png
9 I- J* {; F  F& V, \* j

评分

参与人数 1三维币 +3 收起 理由
阿帕奇 + 3

查看全部评分

发表于 2013-8-1 12:38:36 | 显示全部楼层 来自: 中国浙江金华
强大:good:good
 楼主| 发表于 2013-8-1 16:21:19 | 显示全部楼层 来自: 中国广东深圳
pzhzs 发表于 2013-8-1 11:39 static/image/common/back.gif# Q3 [6 W+ S+ E2 j. A+ a
用方程式或者直接输入80*pi
4 |9 A; n* ]2 u1 o- Z- B$ s- I
大赞!!!' _; J- u# e# p6 Z5 @

8 {- y+ C3 v; K& K8 J我就是卡在这个周长上,导致有点小BUG。
发表于 2013-8-1 16:43:39 | 显示全部楼层 来自: 中国浙江温州
厉害下,标记下,回家慢慢看,。。。
发表于 2013-8-1 17:57:45 | 显示全部楼层 来自: 中国广东佛山
那个压缩的附件打不开哦
发表于 2013-8-1 19:23:23 | 显示全部楼层 来自: 中国四川攀枝花
灬花落丶莫相离 发表于 2013-8-1 17:57 static/image/common/back.gif; z5 R: C' x6 N. Q
那个压缩的附件打不开哦

" ^+ V! o/ c1 p! @1 J& W9 }那是2012版的,低于2012版的sw是打不开的
 楼主| 发表于 2013-8-1 21:33:35 | 显示全部楼层 来自: 中国广东深圳
本帖最后由 cdf2001 于 2013-8-1 22:16 编辑
1 g& G( ?5 w3 g3 a, Q
pzhzs 发表于 2013-8-1 00:38 static/image/common/back.gif
; r" V2 A; ]. g刚好有空,帮楼主画了一个,看看是否符合楼主要求

* i, C1 ~3 R" ]5 e4 [) D
- v/ l2 ?% Y3 I) p如果用包覆》蚀刻的命令,按理是一次性完成的?为什么会有个拉伸切除操作?
  W/ w. K% y& B% t/ I3 L5 ^8 C/ t! n' U' t; u; l. V
(不知道是不是软件BUG,我第一次成形后的外径,是100,不是80。后面通过加厚圆管到80x20,再切除成10mm厚,就是80x10了)
 楼主| 发表于 2013-8-1 21:54:58 | 显示全部楼层 来自: 中国广东深圳
pzhzs 发表于 2013-8-1 19:23 static/image/common/back.gif0 R% ]' F5 M# g0 ]9 O
那是2012版的,低于2012版的sw是打不开的
2 T, O% a  t- {5 |0 ~
003748ukqkbum0mbebs4b0.jpg 8 l5 c% r$ V- g3 x% P+ f% J5 H. @

. _" Y3 O+ u8 a/ }% ^. A8 W请问,如果我想这样呢:从该方向的视图看,轮廓需是红色部分,因为使用的时候,是有根D16的圆钢横在中间的。
' y  N7 @- M, y5 v: @) x4 A而左图的轮廓是“压扁了的” 半圆。9 p! ~( O" C* j2 d  L- g* R9 t
' {: u0 S) L6 a, w$ j1 ~
至此,你应该大致能明白这个零件的作用了,就是一根横向圆钢绕圆管中轴线的运行轨迹,在转动的同时会上下移动,形成一个自动的循环。
发表于 2013-8-1 23:36:53 | 显示全部楼层 来自: 中国四川攀枝花
cdf2001 发表于 2013-8-1 21:54 static/image/common/back.gif3 x2 m. o- ]" T" B
请问,如果我想这样呢:从该方向的视图看,轮廓需是红色部分,因为使用的时候,是有根D16的圆钢横在中 ...

! s4 v5 @! F! B% k包覆命令生成的这个槽型的边线都是过圆心的,与你的要求不符。$ c& }+ `3 _3 [/ J+ k
快照15.png 6 I9 i! X: K* A* q) W0 u- J
要达到楼主的要求就只有用其它办法了。
发表于 2013-8-2 16:32:03 | 显示全部楼层 来自: 中国广东佛山
我也学会了,上图
8 O' B! G- ~- D9 u- ~& p! C
2.jpg
1.jpg

评分

参与人数 1三维币 +1 收起 理由
阿帕奇 + 1 鼓励一下

查看全部评分

 楼主| 发表于 2013-8-2 20:20:22 | 显示全部楼层 来自: 中国广东东莞
灬花落丶莫相离 发表于 2013-8-2 16:32 static/image/common/back.gif
" |# T3 n! i/ y; n我也学会了,上图
! {. j, M3 r3 L4 t
请看12楼                            .
发表于 2013-8-3 14:06:16 | 显示全部楼层 来自: 中国甘肃兰州
学习一下  长见识了
发表于 2013-8-5 18:45:52 | 显示全部楼层 来自: 中国广东江门
比较有意思
 楼主| 发表于 2013-8-9 15:44:34 | 显示全部楼层 来自: 中国广东深圳
UP- ?) [+ `6 N  X' e& X
; v* ?* i2 f* z! D( X5 q
12楼描述的,有人试下吗?
发表回复
您需要登录后才可以回帖 登录 | 注册

本版积分规则


Licensed Copyright © 2016-2020 http://www.3dportal.cn/ All Rights Reserved 京 ICP备13008828号

小黑屋|手机版|Archiver|三维网 ( 京ICP备2023026364号-1 )

快速回复 返回顶部 返回列表