QQ登录

只需一步,快速开始

登录 | 注册 | 找回密码

三维网

 找回密码
 注册

QQ登录

只需一步,快速开始

展开

通知     

查看: 2575|回复: 21
收起左侧

[求助] 油缸降不到底

[复制链接]
发表于 2013-7-30 08:46:29 | 显示全部楼层 |阅读模式 来自: 中国湖北咸宁

马上注册,结识高手,享用更多资源,轻松玩转三维网社区。

您需要 登录 才可以下载或查看,没有帐号?注册

x
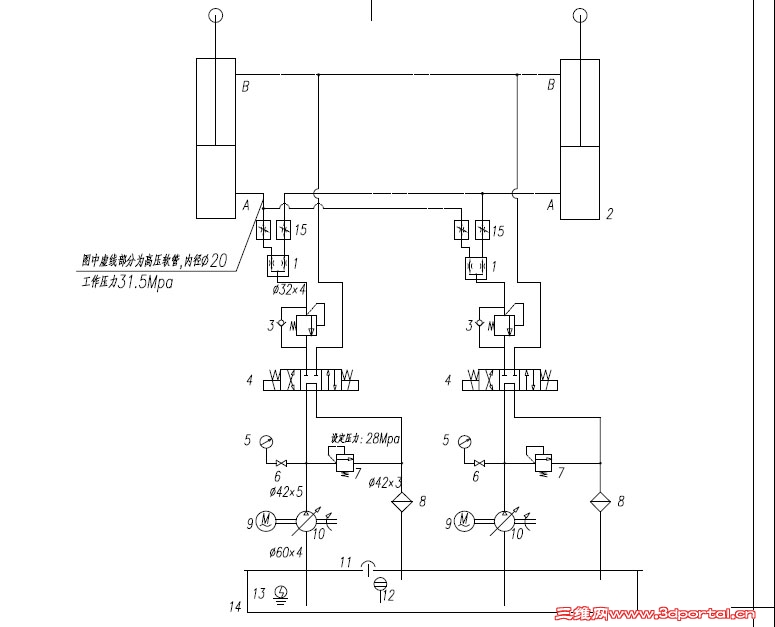
高手们,我这边有两只油缸,500/390-3700,工况是顶升负载,max为500T/单只。
1 L. ^+ F: d& @! H顶升到顶点,设时20分钟。6 g+ C+ Q2 c" \; z9 C
安装好,调试时,发现一个问题,一只油缸落到底,另一只油缸还有100多,就停在那个位置,怎么也落不下来。松开油缸进油口接头,油缸则能继续落到底。# J/ _# O( \6 b
若拆开图中同步伐,也能落到底,但是两只油缸先后时间差较大。8 a$ W  ^" P# G7 `7 B
检查同步伐两个阀芯,均未发生异常。图中的4个手动节流阀是防止同步伐不同步时,好调整。- ]) d, r% i2 l# ^2 t: Q% S. h4 d# M
请教各位,帮忙分析,什么原因导致呢?/ q/ Z1 K2 |3 K: c

油缸泵站原理图 Model (1).pdf

46.71 KB, 下载次数: 8

发表于 2013-7-30 09:43:45 | 显示全部楼层 来自: 中国辽宁大连
贴一下,建议以后这样的都贴出来5 z- M: U" \# P0 u1 v) v
一来省得大家还要下载
; n- I: ~/ J* x二来也方便大家讨论。。。
capture.jpg
capture1.jpg

评分

参与人数 1三维币 +2 收起 理由
9619 + 2 辛苦

查看全部评分

发表于 2013-7-30 10:02:02 | 显示全部楼层 来自: 中国辽宁大连
1.两套动力系统,是不是有一套是备用的?还是两个泵同时供油?
7 k# y* }. b& A- X; A. x2 I2.在油缸退回时,4#电磁阀动作的条件是什么?是一个缸退回时立即动作还是两个缸都退回时再动作?9 ^" U9 n8 j. }  I( Q% H: D

评分

参与人数 1三维币 +1 收起 理由
9619 + 1 技术讨论

查看全部评分

 楼主| 发表于 2013-7-30 10:11:08 | 显示全部楼层 来自: 中国湖北咸宁
本帖最后由 北堂 于 2013-7-30 10:13 编辑   V0 [5 P6 i, F- p( E* P

( e& l! d7 Z5 M0 f4 U  x1.两套互为备用;9 \' D. r* D) d% q. y+ j
2.油缸的退回,是操纵其中一个电液阀开关,才进行的工作;
发表于 2013-7-30 10:28:35 | 显示全部楼层 来自: 中国四川成都
油缸的行程不短。当两油缸或节流阀的性能稍有不同时,都会造成这种情况。先交换两缸的油管试试,看看是油缸还是阀的问题?

评分

参与人数 1三维币 +2 收起 理由
9619 + 2 技术讨论

查看全部评分

发表于 2013-7-30 10:29:58 | 显示全部楼层 来自: 中国辽宁大连
1.建议保持空载状态- `) ~5 P( H8 Z3 Q$ a
2.关闭一个手动节流阀,让一个缸进行往复运动,正常后退回底部并关闭其回路对应的节流阀: h" H; w6 a1 u1 Z0 H( T
3.打开另一路手动节流阀,重复2的的动作直到油缸动作正常后退回底部
! y: y9 f( L2 [0 V4.保持两个手动节流阀全开,对两个油缸进行同步调节' C7 }; {+ f7 F5 x9 ~8 B
以上,供参考

评分

参与人数 1三维币 +2 收起 理由
9619 + 2 技术讨论

查看全部评分

发表于 2013-7-30 11:54:06 | 显示全部楼层 来自: 中国广东深圳
进来学习的   看看
发表于 2013-7-30 16:37:22 | 显示全部楼层 来自: 中国山东烟台
1套系统供油(可以2台泵并联供油,互为备份),1个换向阀,1个同步阀。
发表于 2013-7-30 20:36:57 | 显示全部楼层 来自: 中国山东青岛
楼主,同步阀是精度差的,一般是2-4%左右,所以3700的行程有100毫米左右的偏差是正常的,而且在使用中要注意速度太小,负载偏差太大也会严重影响分流精度,另外节流阀的调节比较难调负载的不同调定也不同。

评分

参与人数 1三维币 +2 收起 理由
9619 + 2 技术讨论

查看全部评分

 楼主| 发表于 2013-7-31 14:13:14 | 显示全部楼层 来自: 中国湖北咸宁
感谢楼上的解答,确实是同步阀本身的误差,3%。最后100mm是正常的。:thankfulness:
发表于 2013-7-31 18:59:44 | 显示全部楼层 来自: 中国浙江杭州
分流集流阀只适用于速度同步回路,你要求的是位置同步,不能完全达到要求
发表于 2013-8-3 16:42:59 | 显示全部楼层 来自: 中国山东滨州
建议楼主取消节流阀后在调试试试。
发表于 2013-8-18 16:49:57 | 显示全部楼层 来自: 中国安徽安庆
这种情况是由于同步阀精度造成的,一根油缸落不到底,应该是同步阀选型不对。
发表于 2013-8-19 12:19:31 | 显示全部楼层 来自: 中国上海
我觉得一般在进出油口,油缸上都有一个节流调整螺钉,通过调节可以调整阻尼效果。
! x8 {2 w( v3 l* W$ A8 z% |1、速度快慢可以调节调速阀,即节流阀。但是一个油缸到不了底,就与油缸有关。
7 A) d: k0 v  x  f2同步的问题,可以一一单独调试,然后联合调整、减少误差。
0 l9 z4 n9 b7 q' K9 ~5 `$ v8 \( J( S. s/ I5 ^. j0 o' E
发表于 2013-8-19 22:20:40 | 显示全部楼层 来自: 中国河北保定
油缸能动,而且不发生爬行现象,那油缸不会有问题,应该还是阀的问题,建议只调整一个节流阀试试,另一个节流阀全打开。
发表于 2013-8-31 22:30:52 | 显示全部楼层 来自: 中国河南安阳
一般是同步阀的精度造成的。
发表于 2013-8-31 22:31:42 | 显示全部楼层 来自: 中国河南安阳
节流阀的位置好像不合适。
发表于 2013-9-12 00:50:49 | 显示全部楼层 来自: 中国广东佛山
同步阀选型也对,压差越大同步精度越高。但是有同步阀有%2-%4同步误差,这是正常的。楼主在使用设备时要两根油缸要强制运动到头或者运动到底,要保证两根油缸的起始位置是相同的,保证消除位置误差,否则位置误差会累积,造成更大的位置误差。
发表于 2013-9-13 10:13:13 | 显示全部楼层 来自: 中国广东江门
建议在分流集流阀出口加个阻尼。
发表于 2013-9-15 07:31:22 | 显示全部楼层 来自: 中国广东深圳
cdxwg 发表于 2013-7-30 10:28 static/image/common/back.gif" @' }1 U, ]  V0 N
油缸的行程不短。当两油缸或节流阀的性能稍有不同时,都会造成这种情况。先交换两缸的油管试试,看看是油缸 ...
# H9 u" }. G* t# I& ?
有道理,先排查下油缸和调速阀。
发表于 2013-9-15 19:50:29 | 显示全部楼层 来自: 中国湖南长沙
复杂点处理话,在同步阀和油缸间加溢流阀和补油单向阀。
发表于 2013-9-28 12:58:17 | 显示全部楼层 来自: 中国天津
问题肯定出在 下降的油路上  5 s: t0 T* Q* N
应该是 顺序阀的问题 吧  下降的慢 就说明回油慢
/ g& g+ I! ?/ ^. o, E看看系统图 既然分流阀 节流阀没有问题  也只有顺序阀了
发表回复
您需要登录后才可以回帖 登录 | 注册

本版积分规则


Licensed Copyright © 2016-2020 http://www.3dportal.cn/ All Rights Reserved 京 ICP备13008828号

小黑屋|手机版|Archiver|三维网 ( 京ICP备2023026364号-1 )

快速回复 返回顶部 返回列表