QQ登录

只需一步,快速开始

登录 | 注册 | 找回密码

三维网

 找回密码
 注册

QQ登录

只需一步,快速开始

展开

通知     

查看: 1348|回复: 6
收起左侧

[求助] 麻烦大家看下这个图展不开

[复制链接]
发表于 2013-7-10 22:36:22 | 显示全部楼层 |阅读模式 来自: 中国四川宜宾

马上注册,结识高手,享用更多资源,轻松玩转三维网社区。

您需要 登录 才可以下载或查看,没有帐号?注册

x
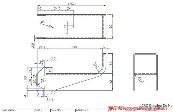
我是才学SW的,画这个图的模型展不开,用了拉伸,抽壳命令,最后展不开,啥原因。请大家帮个忙帮我解惑[img]file:///C:/Users/Administrator/AppData/Roaming/Tencent/Users/823005627/QQ/WinTemp/RichOle/8HV_H%7BIK%7DPVY6Z$ZE)2G[PT.jpg[/img]http://file:///C:/Users/Administrator/AppData/Roaming/Tencent/Users/823005627/QQ/WinTemp/RichOle/N8MFCLGR7~E$IDCV%25)UG]%60H.jpg
0 g+ x- p8 v9 X+ [2 R0 t  m  n, U+ s
 楼主| 发表于 2013-7-10 22:43:35 | 显示全部楼层 来自: 中国四川宜宾

RE: 麻烦大家看下这个图展不开

本帖最后由 末班车的爱情 于 2013-7-11 16:48 编辑
  C' C' ~; C1 N' S+ u0 M5 }) z# p3 f1 c

' N4 A" d6 q9 H  S. s* XCALACALACALA
 楼主| 发表于 2013-7-10 22:45:55 | 显示全部楼层 来自: 中国四川宜宾
本帖最后由 末班车的爱情 于 2013-7-10 22:51 编辑 ! F1 C8 b0 G' q3 @
末班车的爱情 发表于 2013-7-10 22:43 static/image/common/back.gif
$ T* t2 K, A. a: l  z
[img]file:///C:/Users/Administrator/AppData/Roaming/Tencent/Users/823005627/QQ/WinTemp/RichOle/L%25)Q7FJ800W50V)B8C5L4@5.jpg[/img]
, N+ D  U, m) `3 ~0 l4 j* y
16.jpg
17.jpg
发表于 2013-7-13 15:22:52 | 显示全部楼层 来自: 中国广东深圳
不是钣金文件展开不了
发表于 2013-7-13 15:34:58 | 显示全部楼层 来自: 中国江苏常州
楼上说的很对!
发表于 2013-7-13 16:44:04 | 显示全部楼层 来自: 中国河北廊坊
可以展开 但你这个要开槽  你发过来我转好给你5 N+ @+ x# g! A* c+ B
呵呵
 楼主| 发表于 2013-7-16 22:57:03 | 显示全部楼层 来自: 中国四川宜宾
本帖最后由 末班车的爱情 于 2013-7-16 22:58 编辑
  N. v/ P% b+ x' [; k' V9 E7 _, B: S6 K- O" Z  V$ K) C/ ~/ O# @
[img]file:///C:/Users/Administrator/AppData/Roaming/Tencent/Users/823005627/QQ/WinTemp/RichOle/URV4QVVSCL%60[60%605)@MK45B.jpg[/img] 这是原图纸
# z  C* {/ u$ ?; E1 d5 p: `9 n1 x
20.jpg
发表回复
您需要登录后才可以回帖 登录 | 注册

本版积分规则


Licensed Copyright © 2016-2020 http://www.3dportal.cn/ All Rights Reserved 京 ICP备13008828号

小黑屋|手机版|Archiver|三维网 ( 京ICP备2023026364号-1 )

快速回复 返回顶部 返回列表