QQ登录

只需一步,快速开始

登录 | 注册 | 找回密码

三维网

 找回密码
 注册

QQ登录

只需一步,快速开始

展开

通知     

查看: 2051|回复: 6
收起左侧

[已答复] 如何选联轴器

[复制链接]
发表于 2013-6-29 21:03:55 | 显示全部楼层 |阅读模式 来自: 中国江苏苏州

马上注册,结识高手,享用更多资源,轻松玩转三维网社区。

您需要 登录 才可以下载或查看,没有帐号?注册

x
本帖最后由 李成亿 于 2013-6-29 22:21 编辑
4 B, D8 s8 R6 P7 P
; q7 `' H7 `/ \1 o6 T" c- B, X QQ截图20130629204535.png 又来麻烦大家帮我解答了在此说声谢谢论坛的坛友们。% u, p! U5 L& H' R  j
蜗杆输出轴直径38MM转速每分钟20转输出扭矩在600N.M。现在两轴距离有86MM间隙平缓启动请问要用什么连接器比较合适?
发表于 2013-6-29 21:43:24 | 显示全部楼层 来自: 中国湖南岳阳
如果要求不高,可以用滚子链联轴器。简单、廉价。
0.jpg
1.jpg

评分

参与人数 1三维币 +5 收起 理由
虎强 + 5 技术讨论

查看全部评分

 楼主| 发表于 2013-6-29 22:17:40 | 显示全部楼层 来自: 中国江苏苏州
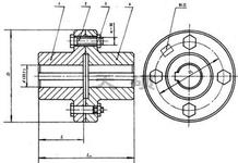
u=588966427,2661161797&fm=21&gp=0.jpg 要求不高,可不可以用法兰式用螺栓连接?
发表于 2013-6-30 12:03:05 | 显示全部楼层 来自: 中国湖南岳阳
李成亿 发表于 2013-6-29 22:17 static/image/common/back.gif
) o; \) \: r$ v6 W+ ~' E! j要求不高,可不可以用法兰式用螺栓连接?

8 p" |5 S; p* i/ a' H. p可以,但这种联轴器是刚性连接,对安装对中要求高。如果安装不好,就会引起震动、发热等现象。

评分

参与人数 1三维币 +3 收起 理由
虎强 + 3 技术讨论

查看全部评分

 楼主| 发表于 2013-6-30 13:41:48 来自手机 | 显示全部楼层 来自: 中国江苏苏州
谢谢就是想简便点,谢谢给的意见和提示
发表于 2013-7-1 07:11:35 | 显示全部楼层 来自: 中国天津
用滚子链联轴器
发表于 2013-8-22 15:15:22 | 显示全部楼层 来自: 中国河南新乡
可以考虑三爪联轴器

评分

参与人数 1三维币 +2 收起 理由
虎强 + 2 欢迎参与

查看全部评分

发表回复
您需要登录后才可以回帖 登录 | 注册

本版积分规则


Licensed Copyright © 2016-2020 http://www.3dportal.cn/ All Rights Reserved 京 ICP备13008828号

小黑屋|手机版|Archiver|三维网 ( 京ICP备2023026364号-1 )

快速回复 返回顶部 返回列表