QQ登录

只需一步,快速开始

登录 | 注册 | 找回密码

三维网

 找回密码
 注册

QQ登录

只需一步,快速开始

展开

通知     

查看: 2720|回复: 13
收起左侧

[求助] 怎么查出 被“覆盖数值”的尺寸

[复制链接]
发表于 2013-6-14 10:26:42 | 显示全部楼层 |阅读模式 来自: 中国广东东莞

马上注册,结识高手,享用更多资源,轻松玩转三维网社区。

您需要 登录 才可以下载或查看,没有帐号?注册

x

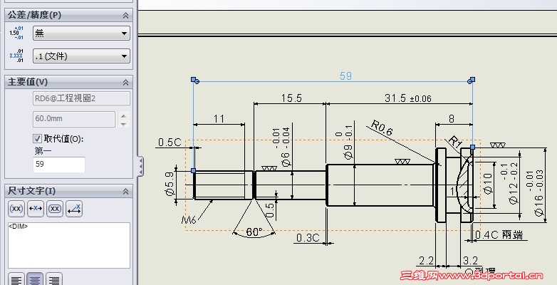
  Y# e; G9 ^. d! R9 f 02.png & g( p- ~9 U( s3 F. z9 g
, y* X1 P7 g& F1 L# }6 ]
怎么查出 被“覆盖数值”的尺寸,  用于以下情景:
# F3 A0 B$ Y7 b+ k7 x$ m- {+ Y( u- D( J6 n
一: 有时候图纸要的急, 就用覆盖数值 在原基础上修改了....(知道这是错误的做法),打算回头改
& q) I- _+ I* D9 A# p
' s: V  B; R$ p; I二:从别人那接收的图纸,有发现 “覆盖数值”的尺寸的情况 (查了好久)
发表于 2013-6-14 11:01:06 | 显示全部楼层 来自: 中国山东威海
期待答案!我也经常这样操作,当时比较懒,但是过后可能又忘记了,比较烦。, O9 i* r2 U) g
期待SW开发该功能
发表于 2013-6-14 11:28:36 | 显示全部楼层 来自: 中国辽宁盘锦
把那个勾取消了不就行了吗
发表于 2013-6-14 11:34:02 | 显示全部楼层 来自: 中国广东深圳
阿帕奇 发表于 2013-6-14 11:28 static/image/common/back.gif
9 a! u; P2 d: ^% @+ n0 ?把那个勾取消了不就行了吗
& q6 P/ ^0 a  h" O* d5 @7 j
问题有这么多数值,他不知道哪个是覆盖数值
发表于 2013-6-14 11:57:55 | 显示全部楼层 来自: 中国辽宁盘锦
tkaycn 发表于 2013-6-14 11:34 static/image/common/back.gif# v( C- g/ |; }, ]$ F; X( c
问题有这么多数值,他不知道哪个是覆盖数值
, F# m- W* Q8 ?" Q& x. R8 j
点中一个,左侧不是有显示的吗?
4 r  M0 |" g5 K* `+ X4 g是覆盖了,覆盖前面打钩状态
, ]1 Z) a( ^) Z1 Y  V不是就没打勾,而且覆盖值那个框里的数值也是灰色的
 楼主| 发表于 2013-6-14 13:06:27 | 显示全部楼层 来自: 中国江苏常州
阿帕奇 发表于 2013-6-14 11:57 static/image/common/back.gif
# |! ]+ |% Z$ Y2 ~3 y/ L1 \9 u点中一个,左侧不是有显示的吗?& z. q; n  d& T7 q# v' o" k
是覆盖了,覆盖前面打钩状态4 j5 j: ~- g9 @7 j
不是就没打勾,而且覆盖值那个框里的数值 ...

8 m7 l6 Q: t6 [; L0 p老大  图片只是我截图说明覆盖数值是怎么回事的....   
* O! a& W7 {% O' u! e ; B( W0 i- \) \1 z
就是说尺寸多,不知哪个被覆盖的话,怎么快速找出来   6 R' ~% y# y& F
$ h7 W' _* B2 \3 H' o; V; j% F! x
% p8 @# k4 s7 r) w* h6 k
   
9 O2 d) }- [1 M: [& E   " q+ I. j2 @, _) W
发表于 2013-6-14 13:15:01 | 显示全部楼层 来自: 中国辽宁盘锦
杀苏 发表于 2013-6-14 13:06 static/image/common/back.gif- e, \: Q- |. z7 C' o
老大  图片只是我截图说明覆盖数值是怎么回事的....   9 s; w% G' }5 j  f& c5 j( R2 H

6 ~9 J: ~  p, E: Z1 q% m1 d! n$ m就是说尺寸多,不知哪个被覆盖的话,怎么快速 ...

1 d6 b) R0 W$ e* l& a9 ~/ n8 r唉!我无良策啊! t, ?! o: x% R1 V5 v7 p/ O
只有最初按部就班,循规蹈矩
发表于 2013-6-14 16:25:03 | 显示全部楼层 来自: 中国浙江嘉兴
杀苏 发表于 2013-6-14 13:06 static/image/common/back.gif
% u) E) k- d9 p3 `$ [老大  图片只是我截图说明覆盖数值是怎么回事的....   % y( f& X! G; e/ H9 ?

3 Q3 T  ?* ^' Q& o就是说尺寸多,不知哪个被覆盖的话,怎么快速 ...

, V) j1 }) j2 \5 J6 S如附图,建議"取代"值建立图層,用图層顏色就很快可以區分了.& z. a4 Y  I( o$ ~% d+ M' T
Clipboard01.jpg
7 O0 d$ r# D. \/ ? Clipboard02.jpg
 楼主| 发表于 2013-6-14 16:31:34 | 显示全部楼层 来自: 中国江苏常州
ryouss 发表于 2013-6-14 16:25 static/image/common/back.gif
, R# G& [- X8 ~; J+ q( M0 W" G5 A如附图,建議"取代"值建立图層,用图層顏色就很快可以區分了.

7 G% f, y* `' _5 R0 }嗯  这个可以解决第一种情况,
, W' E! R( i3 E7 u- G; T% J! W' l
' P; c: r) S' x  ]! Z$ S第二种有什么好办法么
发表于 2013-6-14 16:36:00 | 显示全部楼层 来自: 中国浙江嘉兴
杀苏 发表于 2013-6-14 16:31 static/image/common/back.gif
: P8 g0 H! ~+ F) Q嗯  这个可以解决第一种情况,+ j. \# V5 Q5 ]/ D8 o" O* r* y3 u, t
/ F) f" h$ q. T4 |, C" g
第二种有什么好办法么

+ k6 i( i- m7 x; O第二种,我看也只能辛苦的一個個尺寸去查了!
发表于 2013-6-14 17:07:14 | 显示全部楼层 来自: 中国广东揭阳
本帖最后由 asencwx 于 2013-6-14 17:37 编辑
3 f! S( J# r1 N- ~
* P5 B7 b3 q# H& r" Y3 y0 d) a可以用检查来找到那些覆盖的尺寸$ g7 u: h  t( F% i' s7 P
111.jpg
; V- L3 V* p+ G7 b" H4 W' E8 J' S8 X 112.jpg 0 c* W; V; C* B& L+ b
113.jpg 7 T% `) `3 Q! `- C3 k9 B
114.jpg
% {5 E7 w0 T3 c" n 115.jpg
4 g7 _, F% K: z, _) R2 S 116.jpg

评分

参与人数 1三维币 +3 收起 理由
阿帕奇 + 3

查看全部评分

发表于 2013-6-14 17:56:46 | 显示全部楼层 来自: 中国安徽合肥
本帖最后由 zll3310737 于 2013-6-14 17:58 编辑
7 U2 _1 k8 M* Y; t) y: n, U# L7 b6 k2 [! a2 i; l
小可琢磨一方法,不太好用大概能满足楼主要求。运用检查功能。1.工具,Design Checker,编制检查,生成新标准文件,如图1;2.选择尺寸检查下的覆盖尺寸,改为至关紧要如图2;3.保存到某位置(我是在桌面),如图3;4.工具,Design Checker,检查活动文档,添加标准(绿色十字),找到刚保存的标准文件,把其他不需要的标准取消掉。图4;点击检查文档,如图5所示。大家明白了么?有不对的地方还请指正....
QQ截图20130614175511.jpg
QQ截图20130614175221.jpg
QQ截图20130614174942.jpg
QQ截图20130614174929.jpg
QQ截图20130614175548.jpg

评分

参与人数 1三维币 +3 收起 理由
阿帕奇 + 3 不删,一样奖

查看全部评分

发表于 2013-6-14 17:59:08 | 显示全部楼层 来自: 中国安徽合肥
呵呵,不知道11楼做了,我的帖子麻烦版主删了.....
 楼主| 发表于 2013-6-14 18:35:18 | 显示全部楼层 来自: 中国浙江温州
zll3310737 发表于 2013-6-14 17:56 static/image/common/back.gif
. L) {9 @5 n  v1 E* T; E小可琢磨一方法,不太好用大概能满足楼主要求。运用检查功能。1.工具,Design Checker,编制检查,生成新标 ...

, n& p' Q( r, ~4 [1 B3 O6 A/ j! d谢谢  你和 11楼
发表回复
您需要登录后才可以回帖 登录 | 注册

本版积分规则


Licensed Copyright © 2016-2020 http://www.3dportal.cn/ All Rights Reserved 京 ICP备13008828号

小黑屋|手机版|Archiver|三维网 ( 京ICP备2023026364号-1 )

快速回复 返回顶部 返回列表