QQ登录

只需一步,快速开始

登录 | 注册 | 找回密码

三维网

 找回密码
 注册

QQ登录

只需一步,快速开始

展开

通知     

全站
8天前
查看: 3535|回复: 1
收起左侧

[讨论] 2013年莱芜市技能大赛数控加工项目试题

[复制链接]
发表于 2013-5-31 10:06:44 | 显示全部楼层 |阅读模式 来自: 中国山东莱芜

马上注册,结识高手,享用更多资源,轻松玩转三维网社区。

您需要 登录 才可以下载或查看,没有帐号?注册

x

+ z) ^% N! M0 {' g& e. [
& R9 b2 V  N9 ~9 [# k
<!--[if !supportLists]-->     2013年莱芜市技能大赛数控项目加工试题
! K% g% V" F7 ~( ~
一、   
# }2 o: q7 r$ ?9 ~% A, y
<!--[endif]-->竞赛任务

8 a) f) U4 r7 i0 j/ p2 |, M& F1 J9 D6 e& ^
根据产品装配图和部分零件图,完成以下工作任务:
0 @/ P: Y# U1 Z2 {9 \) X6 J
, R2 `& m$ _5 s7 f- @8 j3 Y# V5 e& \
1.根据产品装配图和与之配合的零件图纸,完成零件5的详细结构设计,并确定合理的几何尺寸和尺寸公差,生成零件5的二维工程图,并完成零件5的简要设计说明书。
) {; h! w! P' r1 i1 e) k4 O: k) t' _, o! U8 l

7 x7 f6 \" n) j. f, P6 V$ d# u
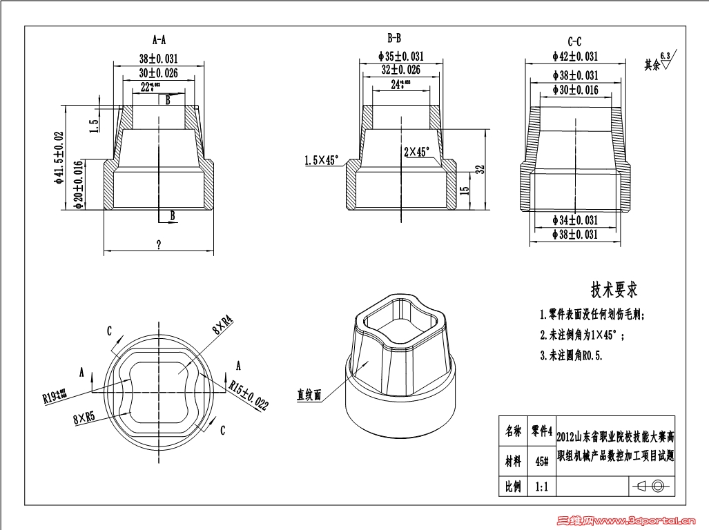
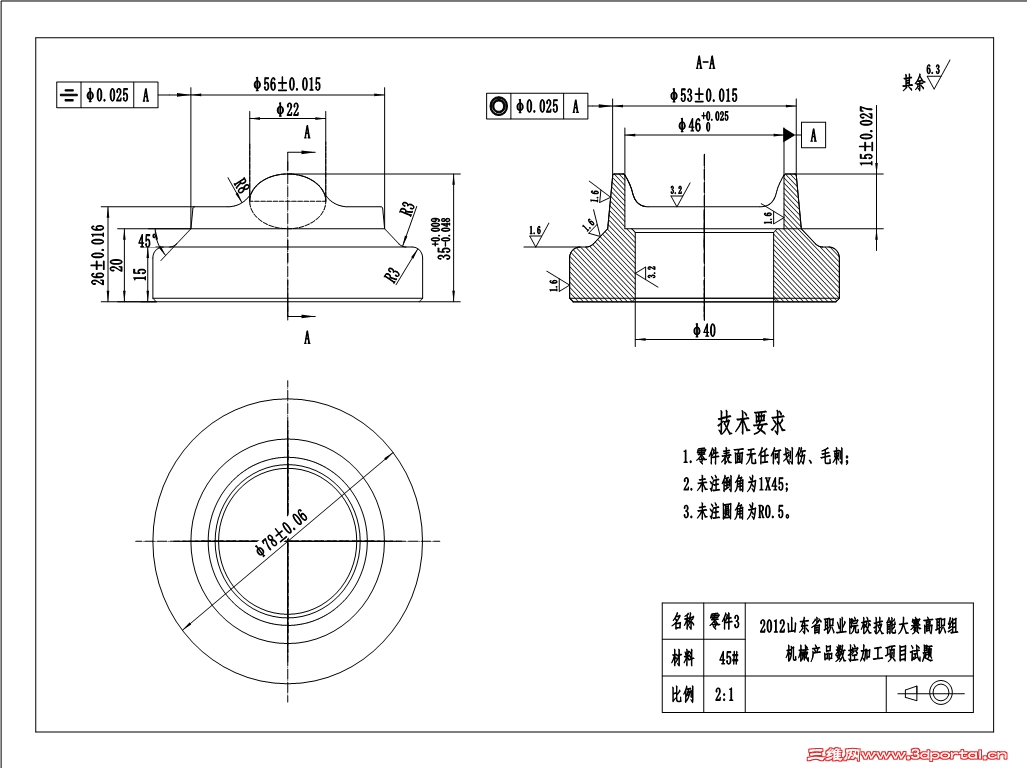
2.根据产品装配图的技术要求,合理确定零件4与零件3的配合公差,并根据零件4的图纸要求,确定零件3的尺寸公差,生成零件3的二维工程图。
) U# X1 s4 M* ~( B( P0 T9 p- P0 t. b4 V7 _
) A& K# p* {, Y% N
3.利用CAD/CAM软件完成各零件造型、产品三维装配模型和二维装配图。
! D% H$ M% `& G. z
1 ^( v5 ^. o* P( _& E  S
, |: d/ K( ?) _& g' ~4 \3 G0 K
4.利用CAD/CAM软件、数控车床、数控铣床(或加工中心)和其它辅助工具,完成各零件的加工和装配。
9 f/ Y0 v# K1 `7 L$ C) v$ w: K( ~/ S. V: e2 i! r
6 N" m; v/ m( U
二、零部件工程图要求
, L6 v7 D6 P" V* Q! G, V* {' B% A2 U8 k7 B$ B7 m
4 ?. V" Y3 I) J  x& n
1.零部件工程图要符合国家标准要求;- `7 H9 p2 i) N, {6 m, V' J

+ m9 L* d% A5 j, q
. r/ E) Q! t# B; O
2.零部件工程图要与所提供图纸表达内容一致。
6 K! }; T( e$ T, B, c$ Q; T" N' o. q) ^6 V& E6 u+ Y% j* m

; v: ^  ]0 A/ G) t5 C' m
三、竞赛结果提交
* F( _0 Z! X- \& V7 f# Y" Q% {6 T% A( S2 A! p9 e, o) K

9 P0 |6 a3 b% `* x( R
1.任务1、2、3以电子文档形式刻录光盘上交。电子文档按照规定路径进行存放,不按存放路径存放,竞赛结果视为无效。光盘刻录由组委会指定人员进行,参赛选手签字确认后上交。
$ k5 }% b+ j6 m. u
0 V, K8 R& B) f, |% g8 `2 R" Z: F* G8 L. ?
2.任务4以实物形式上交,参赛选手在工件打标(场次号+机位号)后,签字确认上交。
- e- T5 w, m, c, ~# [: P
% X; U2 }8 _  n; A' k; t3 Y3 T7 c) `% ]0 H/ w/ Y: n& I) ?
组装图.jpg
零件1.jpg
零件2.jpg
零件3.jpg
零件4.jpg
 楼主| 发表于 2013-5-31 10:07:11 | 显示全部楼层 来自: 中国山东莱芜
自己做的,有点问题还没改
发表回复
您需要登录后才可以回帖 登录 | 注册

本版积分规则


Licensed Copyright © 2016-2020 http://www.3dportal.cn/ All Rights Reserved 京 ICP备13008828号

小黑屋|手机版|Archiver|三维网 ( 京ICP备2023026364号-1 )

快速回复 返回顶部 返回列表