QQ登录

只需一步,快速开始

登录 | 注册 | 找回密码

三维网

 找回密码
 注册

QQ登录

只需一步,快速开始

展开

通知     

查看: 1111|回复: 0
收起左侧

[求助] 求助--日本小型收割机链轮挂钩用SW怎么分模?

[复制链接]
发表于 2013-4-18 08:50:03 | 显示全部楼层 |阅读模式 来自: 中国江苏南京

马上注册,结识高手,享用更多资源,轻松玩转三维网社区。

您需要 登录 才可以下载或查看,没有帐号?注册

x
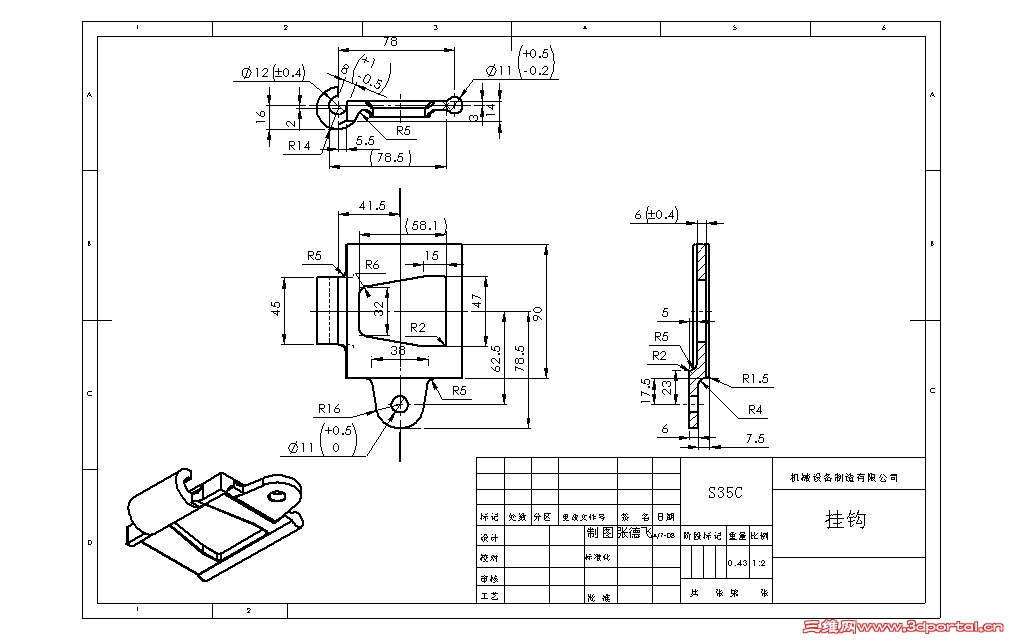
此款是一个日本客户在中国生产的产品,用于收割机上的链条,我对用SW分模不是太行,请有兴趣的朋友看看能否解决。注:钩头弯曲部分可以先预弯。
挂钩平面图.JPG
挂钩.JPG

挂钩.rar

379.85 KB, 下载次数: 4

发表回复
您需要登录后才可以回帖 登录 | 注册

本版积分规则


Licensed Copyright © 2016-2020 http://www.3dportal.cn/ All Rights Reserved 京 ICP备13008828号

小黑屋|手机版|Archiver|三维网 ( 京ICP备2023026364号-1 )

快速回复 返回顶部 返回列表