QQ登录

只需一步,快速开始

登录 | 注册 | 找回密码

三维网

 找回密码
 注册

QQ登录

只需一步,快速开始

展开

通知     

查看: 1767|回复: 2
收起左侧

[求助] 求助如下设计

[复制链接]
发表于 2013-3-25 16:24:04 | 显示全部楼层 |阅读模式 来自: 中国湖北黄石

马上注册,结识高手,享用更多资源,轻松玩转三维网社区。

您需要 登录 才可以下载或查看,没有帐号?注册

x
本帖最后由 kzh168 于 2013-3-26 09:44 编辑
  N6 y3 T" k/ z' \7 k- D" E+ q( g0 h; a, c
因为咱是搞机械设计的真晕,不懂建筑设计,在这里还请教广大设计工程师好友,先谢谢你们了!7 x+ G% H# V2 H6 k1 X
亲戚家里房子要倒掉了,位置在省道旁边,属于省道边的街区,拆掉房子做新的
& `2 T/ {' B; a, u( Q申报的占地面积是:宽度19米,深度 13米* N) |1 s6 p2 s: w8 L
房屋右侧和后面是邻居家,前面是公路,左侧是后面几家的公用路
, h: A0 K& i  G! e. |! S4 x4 ^想房屋前后升1.8米阳台,左右升1.5米阳台+ B: N  s) \) N) ]" ]
全楼总共7层
% y1 R" u; `0 q! f7 F一层高度5米
6 s. u1 y/ y" u/ Z# Z3 b二层高度4.2米
0 b7 F. t( o8 H: F三层高度3.5米) ^0 C1 s2 d# U2 S6 c4 R
四层以上每层高度为3米1 E3 n+ ^) \. Q3 F; n1 A2 n
全框架结构
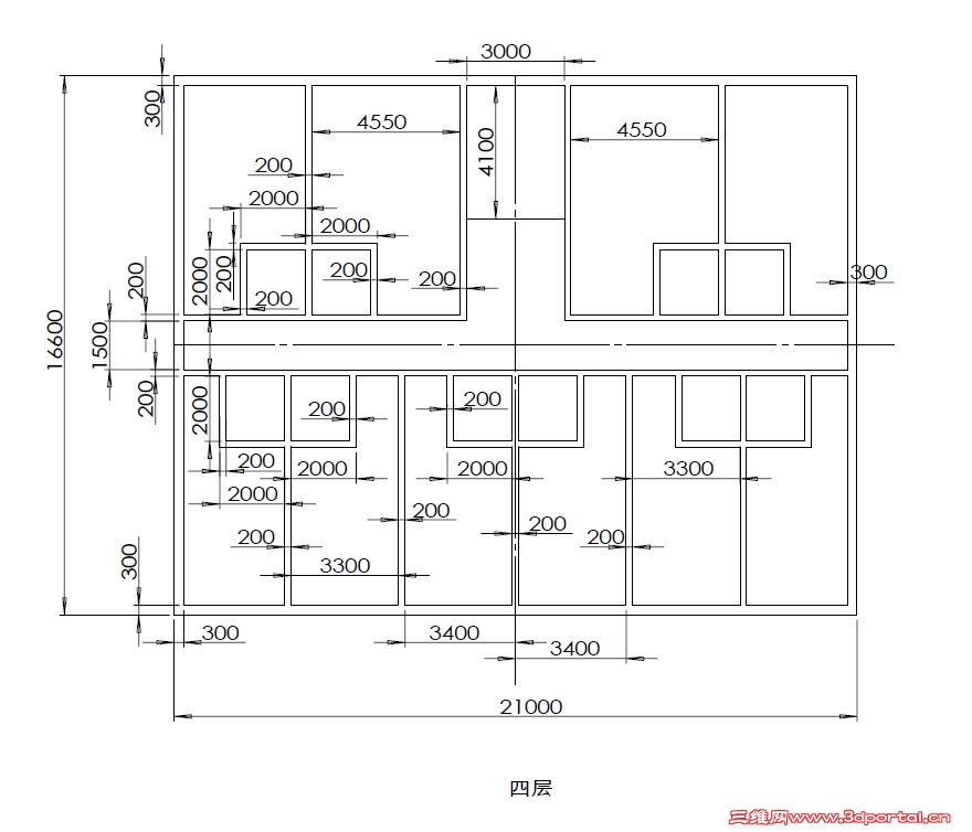
1 c' M5 ?+ Y# ?5 T/ ~1 s% d% ]0 n想按下面的方法来规划房屋内部,(上图) 0 x$ D6 M) P% d
我的问题有如下几个:(我可以上传规格的模型)2 a0 m3 F* n2 s! e, l
1、 帮忙做个重力测试,看这样的规划房屋的受力情况
- h7 R4 }) i) }+ {( I, @! g2、 如何架设立柱和横梁
2 |* R) \7 t! _( F  A- f. \3 E3、 使用的各类钢筋的规格- {; y0 y( @2 ]/ m# j/ K0 K- v- q
4、 房屋的成本预算( P) K: z9 z. T$ Y: `" T
这里先再次谢谢了,
7 j% Z& a0 p. V  Y) @/ y& m9 d

% G% j+ Y& R: { a1.jpg * B  |! g2 d) h+ I& W
a2.jpg
9 N, Z! L! }$ r% x. ~1 w8 F a3.jpg
( Q7 f: q! e+ @. a: t a4.jpg
+ \/ S  j- e) V- H' R a5.jpg
' @% b* _1 \5 x# t* E8 R$ b. n  b) X a6.jpg ' X* P/ @7 K6 B% }& {& S9 |2 A
a7.jpg
0 ~; `7 j  h2 Z7 O- p- r" t1 A7 L
没办法,做房子借了好多债,是路边的房子只有做着做商业用途了
1 C; {: m! ]7 u0 `/ t+ y2 r想着是这样的,一楼做商品出租,二楼可以做买电器或者做酒楼,或者二三层做酒楼,四层以上全部做标准间的宾馆
我用的是SW的软件,这里是SW的模型, 房.rar (1.19 MB, 下载次数: 3)
发表于 2013-3-25 17:06:38 | 显示全部楼层 来自: 中国湖北十堰
我感觉一楼二楼中间没有支柱有点悬。好像一般商场里面都有立柱承重
 楼主| 发表于 2013-3-25 17:11:09 | 显示全部楼层 来自: 中国湖北黄石
我这图,就是要请教怎么架设立柱和横梁
发表回复
您需要登录后才可以回帖 登录 | 注册

本版积分规则


Licensed Copyright © 2016-2020 http://www.3dportal.cn/ All Rights Reserved 京 ICP备13008828号

小黑屋|手机版|Archiver|三维网 ( 京ICP备2023026364号-1 )

快速回复 返回顶部 返回列表