QQ登录

只需一步,快速开始

登录 | 注册 | 找回密码

三维网

 找回密码
 注册

QQ登录

只需一步,快速开始

展开

通知     

查看: 986|回复: 2
收起左侧

[求助] 工程圖版面格式怎麼進行自己設計

[复制链接]
发表于 2013-3-7 19:16:49 | 显示全部楼层 |阅读模式 来自: 中国广东东莞

马上注册,结识高手,享用更多资源,轻松玩转三维网社区。

您需要 登录 才可以下载或查看,没有帐号?注册

x
工程圖出圖時,出圖格式怎麼進行設計;
: m$ `2 Z  [( E需要每次出圖都能選到自己設計的格式;
发表于 2013-3-7 19:32:13 | 显示全部楼层 来自: 中国辽宁大连
正是我想要的,同求
发表于 2013-3-7 20:20:19 | 显示全部楼层 来自: 中国浙江嘉兴
太阳之子808 发表于 2013-3-7 19:32 static/image/common/back.gif  X/ k" H' A2 v$ _
正是我想要的,同求
  ^( g# n3 B" d- w2 C
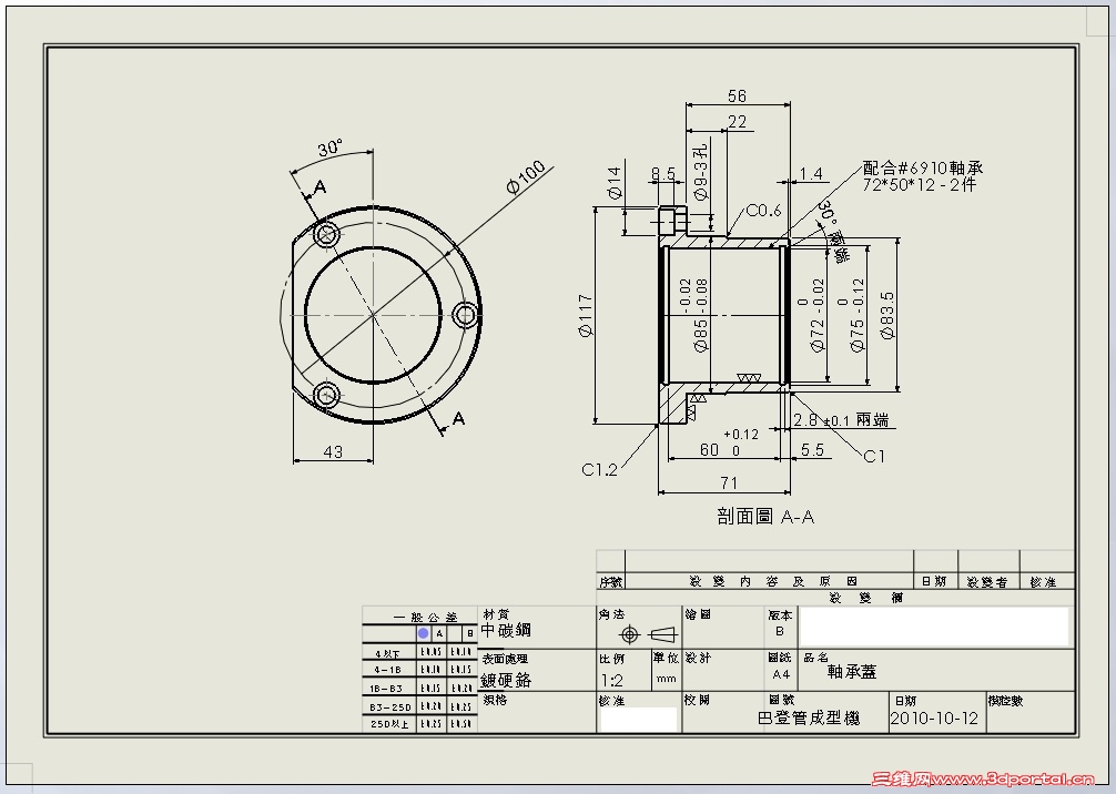
所以說,一般畫工程圖時,首先應該先規劃好依據要求(每個人,公司皆不同)把圖紙的規格,如字型大小,線條粗細,怎麼樣的箭頭,單位.....等等設定好,
; j- |% q' ?& u3 T, c另存成一份空白工程圖(.slddrw)檔,畫工程圖時叫出使用,或是轉成工程視圖範本(.drwdot)軟件開啟就可選用.
- m+ C; W; A+ s) {" W. _如下範本:5 G4 v/ `# Y+ D
/ G& `3 M9 ]9 Q3 J. ?6 \9 d0 W
Clipboard030701.jpg
发表回复
您需要登录后才可以回帖 登录 | 注册

本版积分规则


Licensed Copyright © 2016-2020 http://www.3dportal.cn/ All Rights Reserved 京 ICP备13008828号

小黑屋|手机版|Archiver|三维网 ( 京ICP备2023026364号-1 )

快速回复 返回顶部 返回列表