QQ登录

只需一步,快速开始

登录 | 注册 | 找回密码

三维网

 找回密码
 注册

QQ登录

只需一步,快速开始

展开

通知     

全站
11天前
查看: 2245|回复: 6
收起左侧

[已答复] 外发加工

[复制链接]
发表于 2013-2-14 12:44:28 | 显示全部楼层 |阅读模式 来自: 中国江苏南京

马上注册,结识高手,享用更多资源,轻松玩转三维网社区。

您需要 登录 才可以下载或查看,没有帐号?注册

x
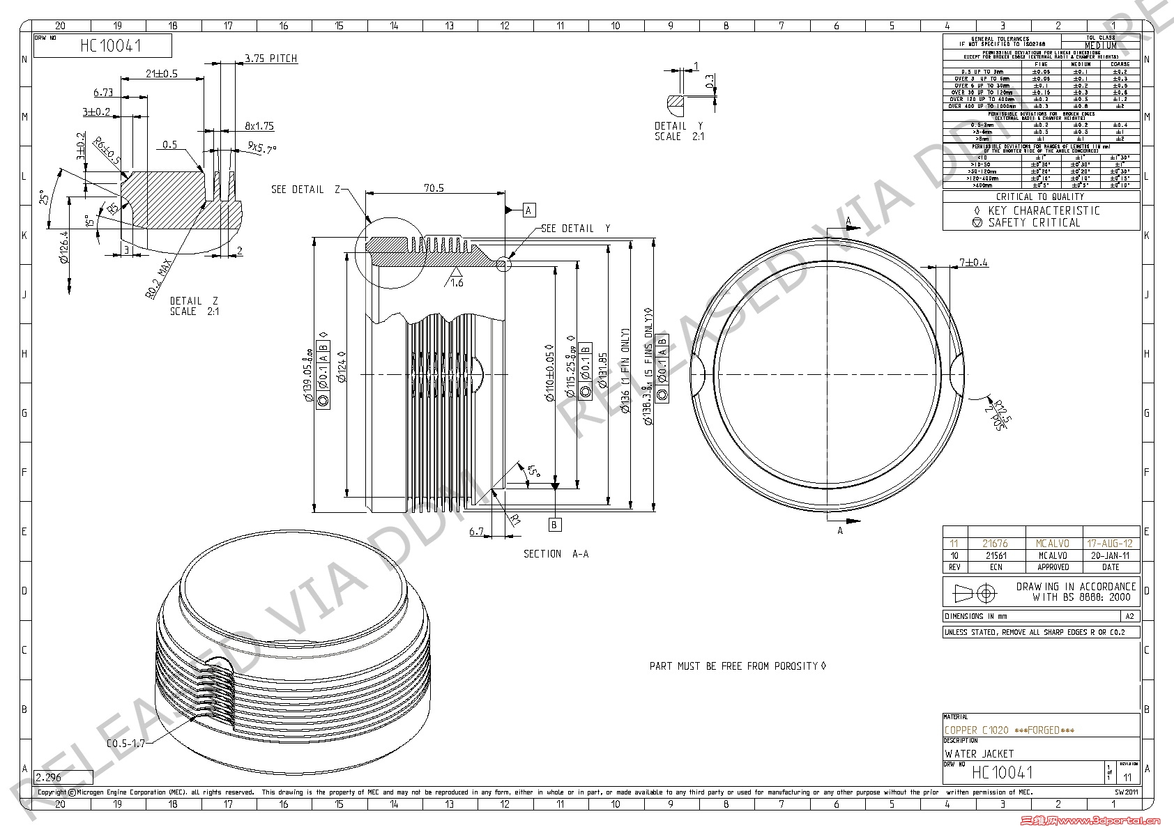
哪位大侠能做此工件请把报价发到我邮箱:757567180@qq.com
% q6 Y" `* N' g& [  G. `4 x& C+ }, _7 _* d/ P' X/ s, O
说明:(1)  数量3000-5000个/月- y2 V4 U/ N# o
$ T6 f  B% k3 Q6 }7 l! w; y
                      (2 )     供料,黄铜
C1020鍛造铜.jpg
发表于 2013-2-27 03:15:20 | 显示全部楼层 来自: 美国
这里估计没有谁给你报价,这个需要专业厂家才能做;
' ?) Q$ q7 ~- J1 U  e1、锻件缺陷估计也不会少,合格率不会太理想。1 A4 U7 X; j7 T+ D# C  R* h
2、齿形环槽的加工也是大问题,因为比较薄,需要多刀加工,还有可能歪斜。2 H& `2 C% `2 o8 R1 ^8 e
3、锐边毛刺清理困难,如果没有想错的话,这个需要与缸筒配用,毛刺必须清理。

评分

参与人数 1三维币 +3 收起 理由
洪哥 + 3 感谢帮助!

查看全部评分

发表于 2013-3-10 13:37:18 | 显示全部楼层 来自: 中国河南安阳
应该是个配作的工件吧。3 C6 x$ G; K( u( }/ B

7 N1 O5 x5 e4 A/ H6 p建议在本地找合适的配件加工厂。

评分

参与人数 1三维币 +2 收起 理由
洪哥 + 2 感谢帮助!

查看全部评分

发表于 2013-3-15 15:47:27 | 显示全部楼层 来自: 中国江苏苏州
```牙型还要专门的刀具,加工起来有一定的难度·!

评分

参与人数 1三维币 +2 收起 理由
洪哥 + 2 的确如此

查看全部评分

发表于 2013-6-18 17:50:25 | 显示全部楼层 来自: 中国山东青岛
先车 再用加工中心或数控铣

评分

参与人数 1三维币 +2 收起 理由
洪哥 + 2 讨论

查看全部评分

发表于 2013-6-18 17:54:08 | 显示全部楼层 来自: 中国山东青岛
先车 铣圆弧 加心轴车槽

评分

参与人数 1三维币 +2 收起 理由
洪哥 + 2 感谢帮助

查看全部评分

发表于 2013-8-15 21:28:58 | 显示全部楼层 来自: 中国陕西西安
不是很难,直径偏大,
发表回复
您需要登录后才可以回帖 登录 | 注册

本版积分规则


Licensed Copyright © 2016-2020 http://www.3dportal.cn/ All Rights Reserved 京 ICP备13008828号

小黑屋|手机版|Archiver|三维网 ( 京ICP备2023026364号-1 )

快速回复 返回顶部 返回列表