QQ登录

只需一步,快速开始

登录 | 注册 | 找回密码

三维网

 找回密码
 注册

QQ登录

只需一步,快速开始

展开

通知     

查看: 5508|回复: 30
收起左侧

[已解决] solidworks出工程图

[复制链接]
发表于 2006-7-7 17:36:49 | 显示全部楼层 |阅读模式 来自: 中国浙江温州

马上注册,结识高手,享用更多资源,轻松玩转三维网社区。

您需要 登录 才可以下载或查看,没有帐号?注册

x
使用SW也2年了,但从未出过工程图,现在因设计需要,想改用SW出工程图(因为数据不关联,容易出错,而且导到AutoCAD中,要进行很大的改动,麻烦,还不如我直接用AutoCAD重新画一个快呢!).不知你们是怎样出工程图的?
发表于 2006-7-8 07:38:40 | 显示全部楼层 来自: 中国浙江温州
传说中的沙发?感觉太妙了& @' M/ V4 J0 q. ~* k: }6 d* B

( V5 r2 K% a4 H2 B9 r% s不知你是什么意思?是说不会做还是想改变做的方法?3 r6 B+ w2 A' y  N8 k

9 G% i: T0 i8 U1 u6 ?- {俺这个笨鸟是直接用论坛的工程图模板,打开零件,拖出想要的视图,标注尺寸(俺不用自动标注,不方便感觉),加注解……# N5 y9 N; O$ \0 P

0 c* h+ @+ c1 h. T5 _8 G' S就是这么做的
发表于 2006-7-8 08:44:43 | 显示全部楼层 来自: 中国北京
笨笨已经使用SW出图2年了,虽然不多,但是并没有感觉不好用的啊。
 楼主| 发表于 2006-7-8 10:39:11 | 显示全部楼层 来自: 中国浙江温州
我是想直接用三维软件出二维图,不再用AutoCAD出图。没用过SW出二维图,不太会用,想请教各位高手是怎么做的。能不能做出跟AutoCAD一样的二维图?还有Pro-E和SW哪个出二维图比较好?
发表于 2006-7-8 12:08:05 | 显示全部楼层 来自: 中国上海
原帖由 SW笨笨 于 2006-7-8 08:44 发表5 A- p6 I: N1 a6 m: g- _
笨笨已经使用SW出图2年了,虽然不多,但是并没有感觉不好用的啊。
2 J5 s2 S5 C' z, ^7 x1 R7 H

% x. b% I# T$ @* x$ \) c借此贴,向向笨笨请教一个问题,利用三维模形如何做出符合国标的链轮,齿轮工程图。若还能符合,又是如何折中的。谢谢。
发表于 2006-7-8 13:38:26 | 显示全部楼层 来自: 中国广东东莞
用SW也达得到ATUOCAD的效果,可能你还没有找到方法
发表于 2006-7-8 13:41:44 | 显示全部楼层 来自: 中国江苏南通
SW出的工程图还是不错的,多下点功夫就行了
 楼主| 发表于 2006-7-8 14:01:39 | 显示全部楼层 来自: 中国浙江温州
各位高手能不能贴出几张SW出的符合图家标准的工程图呢?让我看一下SW工程图方面的能力!还有SW是否要像AutoCAD一样,安装一些插件呀?
头像被屏蔽
发表于 2006-7-8 14:17:44 | 显示全部楼层 来自: 中国四川成都
提示: 作者被禁止或删除 内容自动屏蔽
发表于 2006-7-8 14:35:23 | 显示全部楼层 来自: 中国广东深圳
原帖由 guoping 于 2006-7-8 14:01 发表' r7 T! l+ [; @; l9 `
各位高手能不能贴出几张SW出的符合图家标准的工程图呢?让我看一下SW工程图方面的能力!还有SW是否要像AutoCAD一样,安装一些插件呀?

- h( E+ m" f3 M( D
$ q0 G$ [  Y7 {: t, j' C
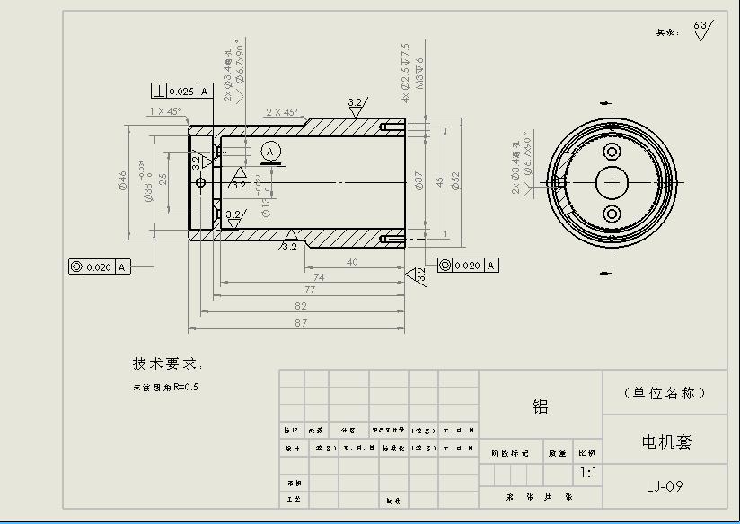
未命名.JPG
 楼主| 发表于 2006-7-8 15:20:08 | 显示全部楼层 来自: 中国浙江温州
多谢楼上的版主!* ~) U/ Z7 ~* Z8 d, `
我还想问一下,你这需不需要安装插件呀?还是只要自己设置一下,就可以了?(很多都不懂,还请见谅!)
发表于 2006-7-8 15:29:34 | 显示全部楼层 来自: 中国吉林长春
论坛里有国标图纸你下一下就可以了!主要是图纸的问题!sw很中国gb化了!不象proe就是选择了中国大陆连第三视角还没改成第一视角都还要自己改动!这种大问题还能出现郁闷呀!呵呵指的是2.0,3.0没用过不知道改过来了没有!
 楼主| 发表于 2006-7-8 15:56:52 | 显示全部楼层 来自: 中国浙江温州
楼上的zyw0303114,你用过Pro-E,我想问你Pro-E和SW那个出工程图比较好?
发表于 2006-7-8 16:01:46 | 显示全部楼层 来自: 中国内蒙古呼和浩特
我觉得比AUTOCAD好用多了。
发表于 2006-7-8 16:17:06 | 显示全部楼层 来自: 中国辽宁鞍山
对于要求不高的图可以直接使用SW出图!
发表于 2006-7-8 16:39:20 | 显示全部楼层 来自: 中国浙江温州
原帖由 SW笨笨 于 2006-7-8 08:44 发表* C% V! M0 i9 U* f- F
笨笨已经使用SW出图2年了,虽然不多,但是并没有感觉不好用的啊。
; T; D4 O; w. G( Q
" L! B1 p$ A7 }" G* O
不知道高手出SW工程图,尺寸是自动标注,还是手动的标?8 C% s. i. s% k
, V* Q, O; K3 p% b7 p
我用自动的标的话,乱七八糟,手动的标又太麻烦,况且手动的标后,在零件更改后其尺寸不会更新,郁闷
 楼主| 发表于 2006-7-9 10:42:33 | 显示全部楼层 来自: 中国浙江温州
高手怎么不赐教了呀!我想知道你们工程图是怎么出的!谢了!
发表于 2006-7-9 17:14:34 | 显示全部楼层 来自: 中国浙江温州
原帖由 guoping 于 2006-7-9 10:42 发表* t6 {( K3 ?1 B' y$ F9 u! q0 }. T
高手怎么不赐教了呀!我想知道你们工程图是怎么出的!谢了!
, ?- v) i; P. {( C

! Q0 B# Z: ?, C, ^( ~2 \7 x你什么意思?不会用是吗?
( \& r0 I1 E) p, p( u
: n# }  G$ e) U2 |' q0 }, P参照SW的在线指导教程,一步步的做,就可做个初级的工程图了,其它的慢慢再进步了,常到论坛来转转,收获会很大的。
发表于 2006-7-9 19:41:33 | 显示全部楼层 来自: 中国上海
原帖由 guoping 于 2006-7-9 10:42 发表& I$ ?' M* ^. q* D* ]4 V
高手怎么不赐教了呀!我想知道你们工程图是怎么出的!谢了!

2 O- N7 l& n) g- {! ~7 N7 v. O  y6 P7 Q# o4 q5 g3 n
前面的朋友不是已经说了很多了么,实践出真知,现在是你去试试看的时候了,碰到具体的问题再提出来,别人才能针对性的回答你。有一点可以告诉你,SW 与 Pro/E 各有特点,但是仅从出工程图来说,一般反映还是 SW 方便一些。总之,对于一般的工程图 SW 是完全胜任的,而且肯定比 ACAD 要方便得多。
发表于 2006-7-9 20:08:24 | 显示全部楼层 来自: 中国江苏徐州
出图到是不难,就是标注太麻烦了!
发表于 2006-7-10 00:00:00 | 显示全部楼层 来自: 中国广东深圳
高手请赐教了,如何在工程图中自动涮出加工注解?
发表于 2006-7-10 09:30:22 | 显示全部楼层 来自: 中国广东深圳
原帖由 SWSWSWsw 于 2006-7-8 12:08 发表
. }' |) O: ^9 X
7 T. a* a9 M7 _6 g) a6 U4 U
+ B/ l) O  K; e7 k! ^借此贴,向向笨笨请教一个问题,利用三维模形如何做出符合国标的链轮,齿轮工程图。若还能符合,又是如何折中的。谢谢。
/ w# L% S- C3 ~: o
  M; s; v1 x' h9 _2 S! C* o) o& O
使用SW不能做符合国标的链轮齿轮的工程图,如果真要做的话,可以使用配制,不过有点烦!
 楼主| 发表于 2006-7-13 13:59:07 | 显示全部楼层 来自: 中国浙江温州
我用SW画了一些工程图,但在标注上不容易控制尺寸的位置,不知道你们是怎么做的呢?还有我想做一种图,一半是左视图,一半是剖面图,用SW能做出来吗?
发表于 2006-7-13 20:13:04 | 显示全部楼层 来自: 中国浙江湖州

出工程图

首先要工程图模板与SW 连接.2 ?, m* P! V# L8 j- Z
选项\文件位置\(显示下项的文件夹)图纸格式\添加(找到工程图模板文件加)
' g1 f" G9 `3 P* {3 D  |# }6 E* A/ F标注自己感觉手工比较合适
 楼主| 发表于 2006-7-16 14:33:49 | 显示全部楼层 来自: 中国浙江温州
现在遇到个问题,请高手帮助!如何使装配体的工程图中的零件不完全剖开(例如只单剖一个零件)?
发表回复
您需要登录后才可以回帖 登录 | 注册

本版积分规则


Licensed Copyright © 2016-2020 http://www.3dportal.cn/ All Rights Reserved 京 ICP备13008828号

小黑屋|手机版|Archiver|三维网 ( 京ICP备2023026364号-1 )

快速回复 返回顶部 返回列表