QQ登录

只需一步,快速开始

登录 | 注册 | 找回密码

三维网

 找回密码
 注册

QQ登录

只需一步,快速开始

展开

通知     

查看: 3931|回复: 8
收起左侧

[求助] 关于SW草图尺寸位置应用到工程图中的问题

[复制链接]
发表于 2012-12-30 22:37:13 | 显示全部楼层 |阅读模式 来自: 中国陕西榆林

马上注册,结识高手,享用更多资源,轻松玩转三维网社区。

您需要 登录 才可以下载或查看,没有帐号?注册

x
本帖最后由 老婆好美 于 2012-12-30 22:45 编辑
/ J' ?( d5 n# I! W; G) O
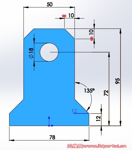
4 f5 ^  v6 ~$ S2 y% r2 G各位大师们,怎么样才能准确将SW草图中尺寸的位置应用到工程图中啊???
; |+ Q/ b/ s- t+ _: M8 C简单一点儿的还可以,复杂的就不知道怎么了??' S1 A; u/ z/ [* F, l4 ]

草图中的尺寸位置

草图中的尺寸位置
发表于 2012-12-30 22:43:05 | 显示全部楼层 来自: 中国河北邯郸
复制或转换实体引用。
8 [! y4 P# D5 H0 P5 N) _/ m1 \
发表于 2012-12-30 22:47:18 | 显示全部楼层 来自: 中国河北邯郸
补充:刚才我没看太清楚就回复你了,有误。我的意思是应用到另一个草图中。如是工程图,那在工程图中自然会生成与草图一样的图形,为什么要谈及应用到工程图中呢?不太明白。
' r1 _& F/ Q1 ~3 ?0 @/ |
发表于 2012-12-30 22:54:51 | 显示全部楼层 来自: 中国台湾
本帖最后由 neko 于 2012-12-30 22:57 编辑
9 m& P( v' d1 T8 P4 B, q/ S& K$ u+ d/ d  K7 P
具體可參照說明..
* g, \; t7 V8 n0 {! R, v8 E0 ]) D1 u9 W2 z0 O' L; j
test.jpg & V8 c; P' E8 R9 b  E6 K8 s

* a& @2 \9 w& x" L' V8 K" i
; m; y. y% d% j+ H& B1 F. I' x太複雜的..重新標..還是比較快的... `5 w3 e% ^2 N) ^
不然光調整位置也夠煩了..
发表于 2012-12-31 15:34:12 | 显示全部楼层 来自: 中国山东青岛
所以说,做一个好模板很重要。模板做好了,在放入模型后,工程图自动生成草图尺寸
 楼主| 发表于 2012-12-31 16:32:14 | 显示全部楼层 来自: 中国陕西榆林
shiju712 发表于 2012-12-31 15:34 static/image/common/back.gif
/ f/ I# i: o6 b/ J6 ~* S所以说,做一个好模板很重要。模板做好了,在放入模型后,工程图自动生成草图尺寸

+ g4 l5 b+ u* s& a有模板,就是复杂零件的尺寸自动生成有点问题,草图中尺寸的位置不能应用到工程图里了。您有好的模板吗?帮忙发一份吧!251958714@qq.com
发表于 2012-12-31 16:51:35 | 显示全部楼层 来自: 日本
老婆好美 发表于 2012-12-31 16:32 static/image/common/back.gif0 y0 q% Z# H+ M$ U9 O1 t
有模板,就是复杂零件的尺寸自动生成有点问题,草图中尺寸的位置不能应用到工程图里了。您有好的模板吗? ...
: J8 @8 M" K8 N0 h
工程图的标注是根据模型的草图标注来的,你在模型中怎么标注,工程图就是怎样的!插入模型项目。0 I0 t' W0 h* w0 G  [
跟模板无关0 P+ ^& O$ I; N6 C$ C
* c  x- J4 V- Y  b2 n: V2 m+ J
复杂模型标注,你就要建模中考虑标注时的位置关系! V. R8 L/ t4 h
发表于 2013-1-1 12:26:13 | 显示全部楼层 来自: 中国广东东莞
!!!!!!!!!!!!!!
 楼主| 发表于 2013-1-10 20:56:49 | 显示全部楼层 来自: 中国内蒙古鄂尔多斯
S0501 发表于 2012-12-31 16:51 static/image/common/back.gif) R, l* X  u$ H( B1 ]* @4 W0 {
工程图的标注是根据模型的草图标注来的,你在模型中怎么标注,工程图就是怎样的!插入模型项目。
# m7 @4 S9 Y/ d0 d跟模板 ...
+ `/ Z8 ]- e3 k2 G% @
谢谢!又学了一招
发表回复
您需要登录后才可以回帖 登录 | 注册

本版积分规则


Licensed Copyright © 2016-2020 http://www.3dportal.cn/ All Rights Reserved 京 ICP备13008828号

小黑屋|手机版|Archiver|三维网 ( 京ICP备2023026364号-1 )

快速回复 返回顶部 返回列表