QQ登录

只需一步,快速开始

登录 | 注册 | 找回密码

三维网

 找回密码
 注册

QQ登录

只需一步,快速开始

展开

通知     

查看: 1322|回复: 2
收起左侧

[分享] 大家帮我分析一下这个链轮的方程式,为什么会打开编辑很慢

[复制链接]
发表于 2012-12-24 16:02:25 | 显示全部楼层 |阅读模式 来自: 中国浙江温州

马上注册,结识高手,享用更多资源,轻松玩转三维网社区。

您需要 登录 才可以下载或查看,没有帐号?注册

x
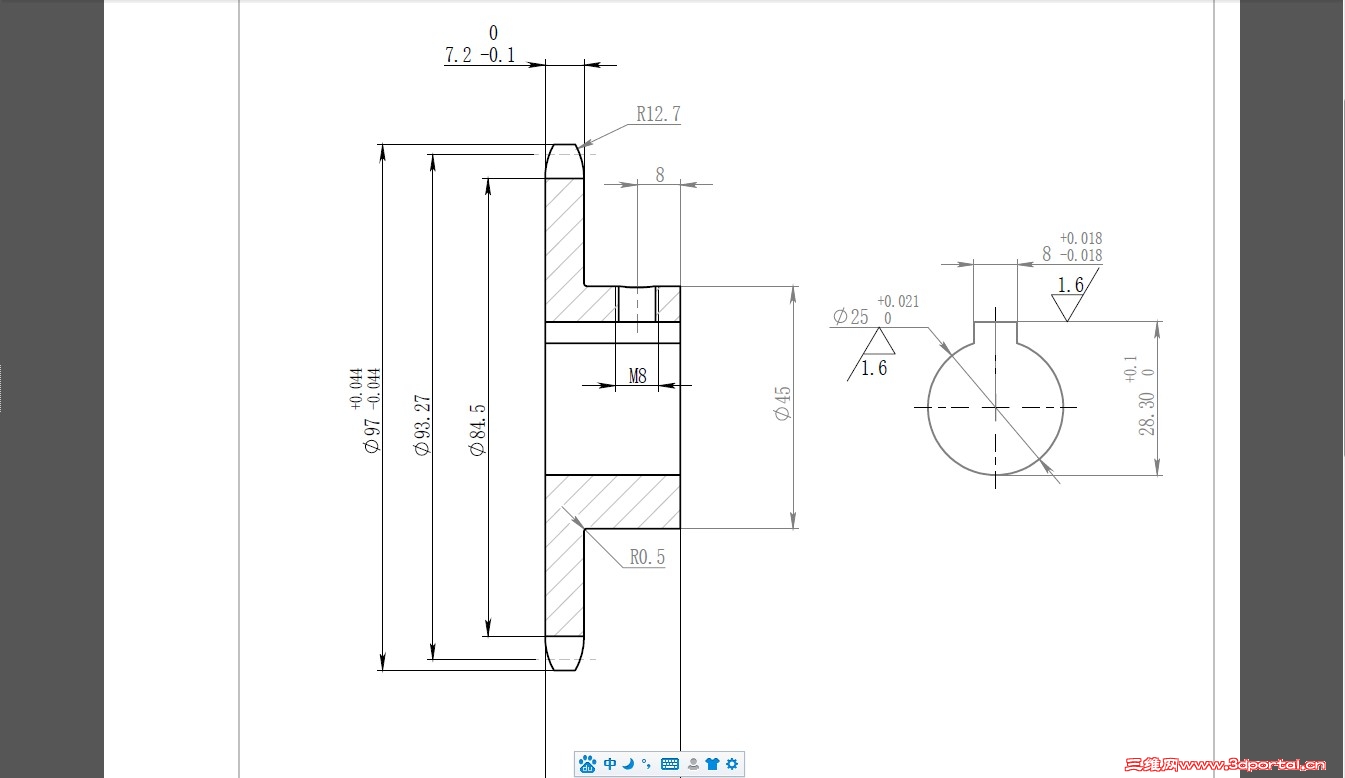
大家帮我分析一下这个链轮的方程式,为什么会打开编辑很慢( X6 y* e  l* ]0 K1 O# x; P: i
我附上图纸,模型,大家要用2012版才能打开,我主要是为了出图方便,链轮型号是08B的,希望大给个意见谢谢。
" F2 |1 x( Q1 [3 L9 y  @+ W- _: u; B. [0 k' W" k6 |- \' [
. f6 F5 w$ D: w' H- T' j) _1 T0 Y
链轮参数化设计与出图我主要是为了出图方便.zip (510.13 KB, 下载次数: 13)
发表于 2012-12-24 16:53:51 | 显示全部楼层 来自: 中国山东聊城
文件无法解压,请用winrar重新制作下压缩包。
 楼主| 发表于 2012-12-25 08:28:21 | 显示全部楼层 来自: 中国浙江温州
wlkr 发表于 2012-12-24 16:53 http://www.3dportal.cn/discuz/static/image/common/back.gif
# ~' ~/ c6 S: ^+ n0 u5 O8 H# Z! G文件无法解压,请用winrar重新制作下压缩包。

8 `$ p3 H$ f: s, f. n/ \: O0 s  t- c; x
同步带轮.rar (528.11 KB, 下载次数: 12)
发表回复
您需要登录后才可以回帖 登录 | 注册

本版积分规则


Licensed Copyright © 2016-2020 http://www.3dportal.cn/ All Rights Reserved 京 ICP备13008828号

小黑屋|手机版|Archiver|三维网 ( 京ICP备2023026364号-1 )

快速回复 返回顶部 返回列表