QQ登录

只需一步,快速开始

登录 | 注册 | 找回密码

三维网

 找回密码
 注册

QQ登录

只需一步,快速开始

展开

通知     

查看: 2299|回复: 12
收起左侧

[求助] 求解零件三视图问题

[复制链接]
发表于 2012-12-15 09:58:03 | 显示全部楼层 |阅读模式 来自: 中国江苏苏州

马上注册,结识高手,享用更多资源,轻松玩转三维网社区。

您需要 登录 才可以下载或查看,没有帐号?注册

x
本帖最后由 流年轻浅 于 2012-12-15 10:11 编辑 1 X. i0 O2 [: m, S

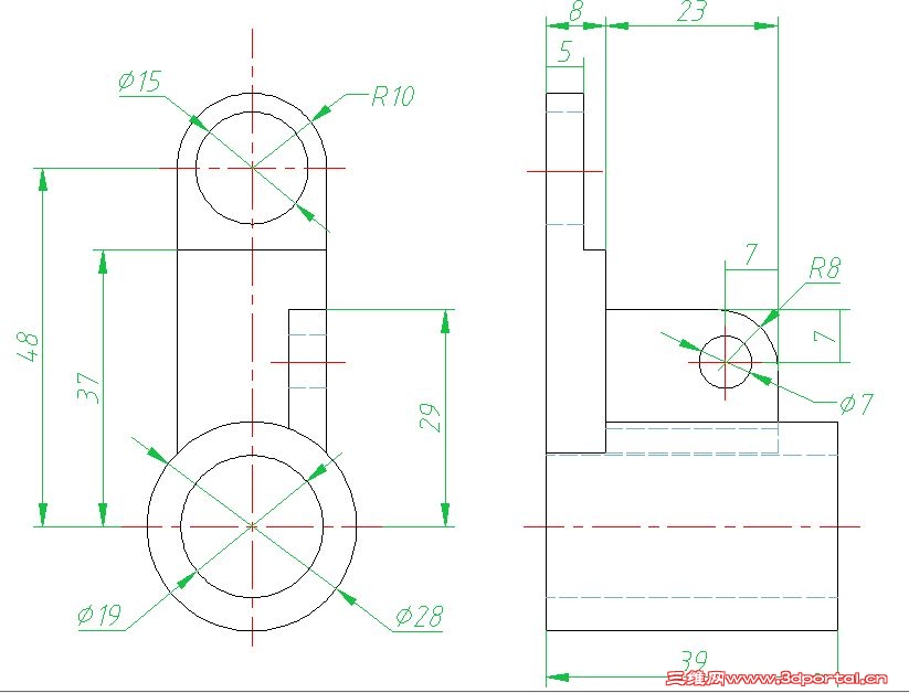
, X! N( a( C5 l) D总觉得红色部分的左视图有点问题,但又修改不出来,麻烦谁能帮忙指导下。。。好长时间没碰cad了,都忘了
QQ截图20121215095356.png
发表于 2012-12-15 17:42:27 | 显示全部楼层 来自: 中国江西南昌
本帖最后由 oxm44 于 2012-12-15 17:47 编辑
( a% R1 U2 `! U4 u- L7 g6 a( M
8 P4 x, V+ E7 }# ]0 K" Z5 q0 } 虚.PNG * }# S  A- E/ F2 f  c9 b2 p

评分

参与人数 1三维币 +5 收起 理由
woaishuijia + 5 应助

查看全部评分

发表于 2012-12-15 18:34:59 | 显示全部楼层 来自: 中国辽宁沈阳
本帖最后由 dadam2000 于 2012-12-15 18:39 编辑 : [& {4 E: i, N

; z- k6 {6 }+ f. I$ G* }2 f除了二楼改正的外。还要注意) _8 ], a; H( d* ^- J; u
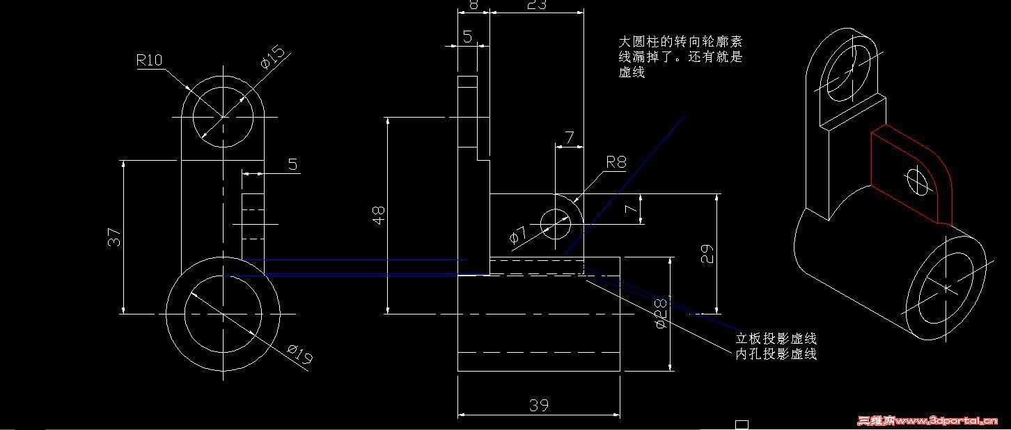
不妨把红色部分叫立板吧,在左视图中,立板和圆柱交点处于转向轮廓素线右侧,因此两投影线为虚线,圆柱转向轮廓素线为实现。4 M6 M% o, z+ D
另外。你的图没有区分粗线和细线。
' G$ S" k( Z! b1 l' [
1 y/ \8 K8 {# ~- I8 ?% j: m/ n aaa.JPG

评分

参与人数 1三维币 +5 收起 理由
唐昕晨 + 5 应助

查看全部评分

发表于 2012-12-24 13:24:52 | 显示全部楼层 来自: 中国广东广州
你的红色部分,左视图中,与圆柱相交处为虚线,应该先看到圆柱体,圆柱体挡住部分红色部分。应为虚线。
发表于 2012-12-25 12:20:38 | 显示全部楼层 来自: 中国上海
还有这两个地方,
! F' J) [1 A+ C
22.png
发表于 2012-12-26 19:30:21 | 显示全部楼层 来自: 中国山东青岛
左视图可画成剖视图更好一些
发表于 2012-12-27 22:18:52 | 显示全部楼层 来自: 中国山东青岛
我也画了一个 大家给看看 , C2 G: `' V# g' K1 |2 h* u( A
捕获.JPG
 楼主| 发表于 2013-2-23 10:57:12 | 显示全部楼层 来自: 中国江苏苏州
dadam2000 发表于 2012-12-15 18:34 static/image/common/back.gif
0 n# v# l9 S: f4 G% G  G除了二楼改正的外。还要注意- l8 B) S  a5 u4 P
不妨把红色部分叫立板吧,在左视图中,立板和圆柱交点处于转向轮廓素线右侧, ...
- p" J0 B6 Y5 G& F
想请问一下上面的三视图需要画出俯视图部分吗?还有这个零件有更好的的三视图表示方法吗,总觉上面的画法表达不够清楚
 楼主| 发表于 2013-2-23 10:59:57 | 显示全部楼层 来自: 中国江苏苏州
oxm44 发表于 2012-12-15 17:42 static/image/common/back.gif

$ Q4 o+ `/ T- H) Z- V谢谢您的帮助
发表于 2013-2-23 11:00:48 | 显示全部楼层 来自: 中国广东惠州
路过...............
 楼主| 发表于 2013-2-23 11:06:28 | 显示全部楼层 来自: 中国江苏苏州
凤九天 发表于 2012-12-26 19:30 static/image/common/back.gif
- F$ I1 ~6 A5 n左视图可画成剖视图更好一些

+ {- X/ s  l6 l谢谢的你的建议,感觉不错
 楼主| 发表于 2013-2-23 11:07:01 | 显示全部楼层 来自: 中国江苏苏州
yimengze252 发表于 2012-12-27 22:18 static/image/common/back.gif/ G: ?. W9 [4 s* G
我也画了一个 大家给看看

$ i; j; }5 n! Y% v( v- G谢谢你的帮助!
 楼主| 发表于 2013-2-23 11:08:28 | 显示全部楼层 来自: 中国江苏苏州
jeffenwu 发表于 2012-12-25 12:20 static/image/common/back.gif5 Q, [% ?  j3 X& r7 P
还有这两个地方,
; r0 i2 q; ~. d
谢谢你的帮助
发表回复
您需要登录后才可以回帖 登录 | 注册

本版积分规则


Licensed Copyright © 2016-2020 http://www.3dportal.cn/ All Rights Reserved 京 ICP备13008828号

小黑屋|手机版|Archiver|三维网 ( 京ICP备2023026364号-1 )

快速回复 返回顶部 返回列表